米联客FDMA_V3详细解读,单摄像头图像传输模板 米联客之前出过FDMA1.0版本,那个版本只适用于单摄像头图像传输,且通用性不好,所以官方出了FDMA_V3,今天用A7开发板验证一下好不好用。 大概看了一下源码,设计思路与FDMA1.0大同小异,但预留了AXI_Lite配置接口,增强与zynq的适配,同时将原来的fdma_control模块单做成了IP,方便DB连接,fdma_control内容上也做了改动,增加了图像拼接的参数,将FIFO由IP变成了xpm_fifo_async源语,下面来看fdma_control的源码,新版的叫uivbuf,IP如下: 源码可以去找官方,我具体说说源码的关键地方:
读写地址切换则通过这个小IP实现:
这个IP的源码和解释如下:
uivbuf配置详解如下:
输出HDMI驱动用我我自己的IP:
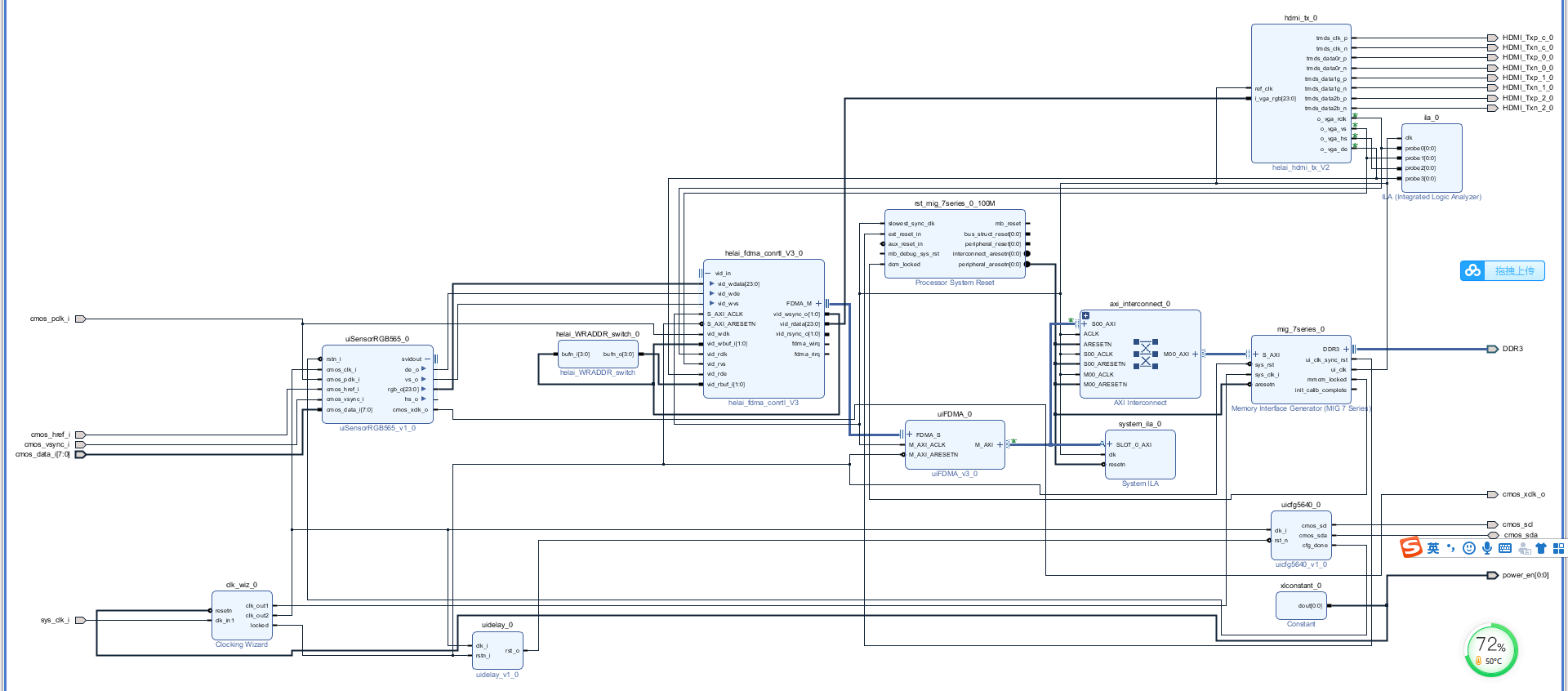
整体DB如下:
下载板子显示如下:
最后:整个源代码并未给出,目的是给兄弟们一个练手的机会,因为这个很简单,加之我的讲解,应该问题不大,如果你在自身尝试的基础上,实在搞不出来,可以私
