两个二进制数,不考虑进位输入。
真值表:
A B O CO 0 0 0 0 0 1 1 0 1 0 1 0 1 1 0 1{ O = A ‾ B + A B ‾ = A ⨁ B C O = A B \left\{ \begin{aligned} O &=& \overline{A}B+A\overline{B}&= A \bigoplus B \\ CO &=& AB & \end{aligned} \right. ⎩⎨⎧OCO==AB+ABAB=A⨁B
考虑进位输入。
真值表:
CI A B O CO 0 0 0 0 0 0 0 1 1 0 0 1 0 1 0 0 1 1 0 1 1 0 0 1 0 1 0 1 0 1 1 1 0 0 1 1 1 1 1 1{ O = A ⨁ B ⨁ C I C O = A B + C I ( A ⨁ B ) \left\{ \begin{aligned} O & = A\bigoplus B \bigoplus CI \\ CO & = AB + CI(A\bigoplus B) \end{aligned} \right. ⎩⎨⎧OCO=A⨁B⨁CI=AB+CI(A⨁B)
1 超前进位原理为什么要超前进位? 进位信号逐级传递很耗时间,超前进位在相加运算之前就知道加法器的进位输入。
第i位的进位一定是两个加数中小于i的位数决定的。所以进位一定可以通过加数唯一确定。
由全加器进位 C O i = A i B i + C I i ( A i ⨁ B i ) CO_i = A_iB_i + CI_i(A_i \bigoplus B_i) COi=AiBi+CIi(Ai⨁Bi) 知,两种情况产生进位:
- A i B i A_iB_i AiBi=1
- A i ⨁ B i A_i \bigoplus B_i Ai⨁Bi=1 以及 CI_i=1
所以这里的+是逻辑
令: { 进 位 生 成 ( g e n e r a t e ) 函 数 D I i = A i B i 进 位 传 送 ( p r o p a g a t e ) 函 数 S i = A i ⨁ B i \left\{ \begin{aligned} 进位生成(generate)函数 DI_i &= A_iB_i \\ 进位传送(propagate)函数 S_i &= A_i \bigoplus B_i \end{aligned} \right. ⎩⎨⎧进位生成(generate)函数DIi进位传送(propagate)函数Si=AiBi=Ai⨁Bi
即:
C O i = D I i + S i C I i CO_i = DI_i + S_i CI_i COi=DIi+SiCIi
将上式展开:
C O i = D I i + S i C I i = D I i + S i ( D I i − 1 + S i − 1 C I i − 1 ) = . . . = D I i + S i D I i − 1 + S i D I i − 1 D I i − 2 + . . . + S i S i − 1 . . . S 1 D I 0 + S i S i − 1 . . . S 0 C I 0 \begin{aligned} CO_i &= DI_i + S_i CI_i \\ &= DI_i + S_i(DI_{i-1} + S_{i-1} CI_{i-1}) \\ &= ...\\ &= DI_i + S_iDI_{i-1} + S_iDI_{i-1}DI_{i-2} + ... +S_iS_{i-1}...S_1DI0 + S_iS_{i-1}...S_0CI_0 \\ \end{aligned} COi=DIi+SiCIi=DIi+Si(DIi−1+Si−1CIi−1)=...=DIi+SiDIi−1+SiDIi−1DIi−2+...+SiSi−1...S1DI0+SiSi−1...S0CI0
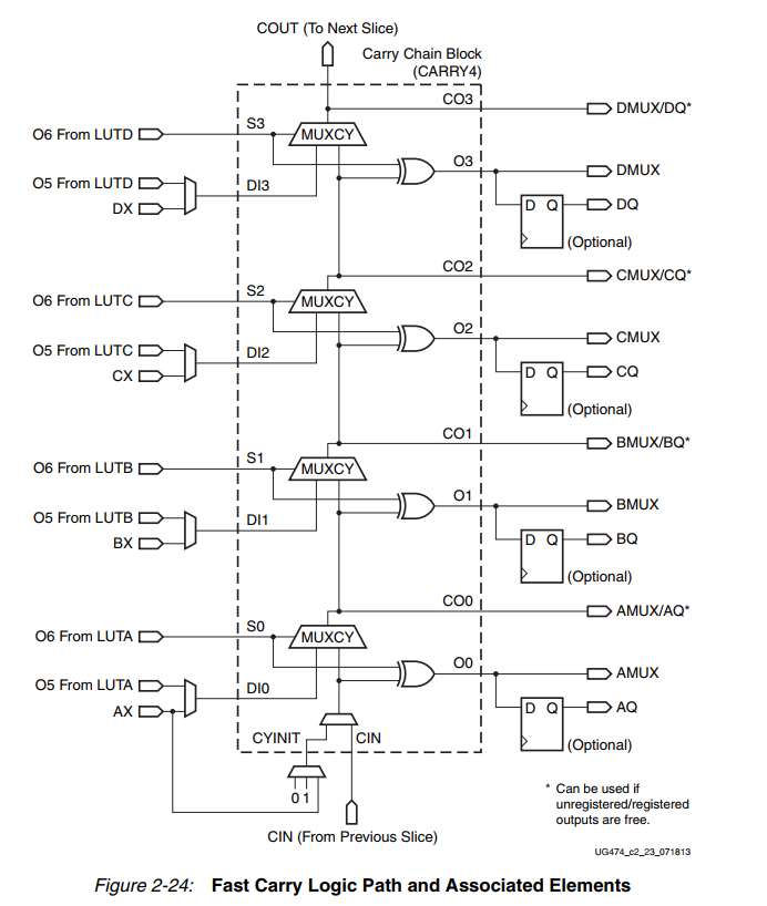
2 Xilinx fpga的超前进位逻辑7系列FPGA的CLB有两个分离的进位链(每个slice各一个),进位链可级联形成更宽的加减逻辑。
进位链向上运行,每各slice高度为4位。对于每一位,都有一个进位数据选择器(MUXCY)和一个专用的异或门,用于用选定的进位位加/减操作数。专用进位路径和进位数据选择器(MUXCY)也可用于级联函数生成器,以实现更广泛的逻辑函数。
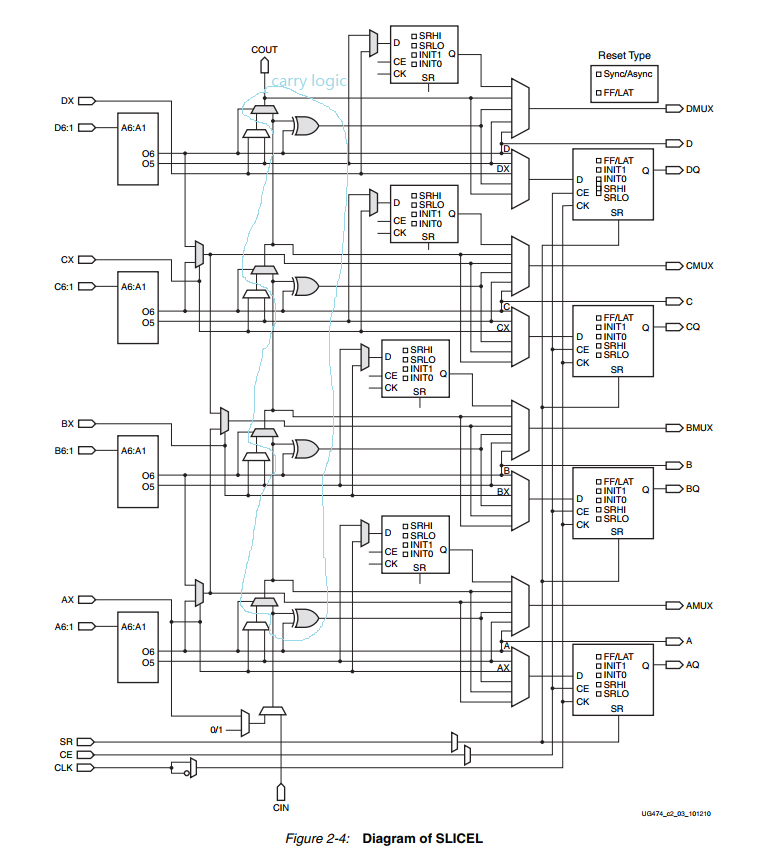
Device视图的SLICEL:
SLICEL示意图:
Carry Logic示意图:
输入:
-
进位链的DI0-DI3输入对应进位生成函数 D I i DI_i DIi。
- 来源于LUT6的O6输出
-
S0-S4输入对应进位传送函数 S i S_i Si
- 来源于LUT6的O5输出
- 或来源于DILICE的BYSADI输入
-
CYINIT
-
进位链的第一位输入
- 0 :代表加
- 1 :代表减
- AX:动态控制
-
进位链的第一位输入
-
CIN:
- 级联中的上一级输入
输出:
-
O0-O3:
- 运算结果
-
CO0-CO3:
- 每位的进位输出
- 级联中本级的输出
1 加
假设这是第一级,则进位链的第一位由CYINIT输入,当实现加法时,CYINIT = 0。
FSDIA实现超前进位的时候:使用前级的LUT6实现进位生成函数和进位传送函数
结果输出: { O i = S i ⨁ C O i − 1 = ( A i ⨁ B i ) ⨁ C O i − 1 i = 1 , 2 , 3 O 0 = S 0 ⨁ 0 = A 0 ⨁ B 0 \left\{ \begin{aligned} O_i &= S_i \bigoplus CO_{i-1} &= &(A_i \bigoplus B_i)\bigoplus CO_{i-1}\quad i=1,2,3 \\ O_0 &= S_0 \bigoplus 0 &= &A_0 \bigoplus B_0 \\ \end{aligned} \right. ⎩⎨⎧OiO0=Si⨁COi−1=S0⨁0==(Ai⨁Bi)⨁COi−1i=1,2,3A0⨁B0
进位输出:
首先,看看DI和S所有的情况:
A B - DI=AB S=A+B 0 0 - 0 0 0 1 - 0 1 1 0 - 0 1 1 1 - 1 0可以看到,只有三种取值,且DI与S不会同时取1。
所以,根据公式 C O = D I + S C I CO=DI+S CI CO=DI+SCI。可将S作为选择信号: { C O = D I , S = 0 C O = C I , S = 1 D I 与 C I 不 同 时 取 1 \left\{ \begin{aligned} CO = DI \quad,S=0 \\ CO = CI \quad,S=1 \\ DI与CI不同时取1 \end{aligned} \right. ⎩⎪⎨⎪⎧CO=DI,S=0CO=CI,S=1DI与CI不同时取1 当S=0,选择DI输出,当S=1,选择CI输出。因为DI与S不会同时取1,是可以实现表达式的。
真值表:
CI DI S CO=DI+S CI 0 0 0 0 0 0 1 0 0 1 0 1 1 0 0 0 1 0 1 1 1 1 0 12 减
当实现减法时,运算为补码加。
CYINIT = 1,运算前逻辑取反之后加一,即取补码。
修改记录20220322修订,更改了 + 映射成 | 或者 ⨁ \bigoplus ⨁ 模糊的问题。
