1)实验平台:正点原子新起点V2开发板 2)平台购买地址:https://detail.tmall.com/item.htm?id=609758951113 2)全套实验源码+手册+视频下载地址:http://www.openedv.com/thread-300792-1-1.html 3)对正点原子FPGA感兴趣的同学可以加群讨论:994244016 4)关注正点原子公众号,获取最新资料更新
OV5640同OV7725一样,都是OmniVision(豪威科技)公司生产的CMOS图像传感器。不同的是,OV5640支持更高的分辨率、采集速率,具有更高的图像处理性能,主要应用在手机、数码相机、电脑多媒体等领域。本章将使用FPGA开发板实现对OV5640的数字图像采集并通过LCD实时显示。 本章包括以下几个部分: 4040.1简介 40.2实验任务 40.3硬件设计 40.4程序设计 40.5下载验证
41.1简介OV5640是一款1/4英寸单芯片图像传感器,其感光阵列达到25921944(即500W像素),能实现最快15fps QSXVGA(25921944)或者90fps VGA(640*480)分辨率的图像采集。传感器采用OmniVision推出的OmniBSI(背面照度)技术,使传感器达到更高的性能,如高灵敏度、低串扰和低噪声。传感器内部集成了图像处理的功能,包括自动曝光控制(AEC)、自动白平衡(AWB)等。同时该传感器支持LED补光、MIPI(移动产业处理器接口)输出接口和DVP(数字视频并行)输出接口选择、ISP(图像信号处理)以及AFC(自动聚焦控制)等功能。 OV5640的功能框图如下图所示:
图 41.1.1 OV5640功能框图 由上图可知,时序发生器(timing generator)控制着感光阵列(image array)、放大器(AMP)、AD转换以及输出外部时序信号(VSYNC、HREF和PCLK),外部时钟XVCLK经过PLL锁相环后输出的时钟作为系统的控制时钟;感光阵列将光信号转化成模拟信号,经过增益放大器之后进入10位AD转换器;AD转换器将模拟信号转化成数字信号,并且经过ISP进行相关图像处理,最终输出所配置格式的10位视频数据流。增益放大器控制以及ISP等都可以通过寄存器(registers)来配置,配置寄存器的接口就是SCCB接口,该接口协议兼容IIC协议。 OV5640使用的是两线式SCCB接口总线,有关SCCB总线的详细介绍可以参考“OV7725摄像头RGB-LCD显示实验”中OV7725简介部分。虽然OV5640和OV7725都是采用SCCB接口总线来配置寄存器,但不同的是,OV7725是用8位(1个字节)来表示寄存器地址,而OV5640是用16位(两个字节)表示寄存器地址。 OV5640 SCCB的写传输协议如下图所示:
图 41.1.2 SCCB写传输协议 上图中的ID ADDRESS是由7位器件地址和1位读写控制位构成(0:写 1:读),OV5640的器件地址为7’h3c,所以在写传输协议中,ID Address(W)= 8’h78(器件地址左移1位,低位补0);Sub-address(H)为高8位寄存器地址,Sub-address(L)为低8位寄存器地址,在OV5640众多寄存器中,有些寄存器是可改写的,有些是只读的,只有可改写的寄存器才能正确写入;Write Data为8位写数据,每一个寄存器地址对应8位的配置数据。 在OV5640正常工作之前,必须先对传感器进行初始化,即通过配置寄存器使其工作在预期的工作模式,以及得到较好画质的图像。因为SCCB的写传输协议和IIC几乎相同,因此我们可以直接使用IIC的驱动程序来配置摄像头。当然这么多寄存器也并非都需要配置,很多寄存器可以采用默认的值。OV公司提供了OV5640的软件应用手册(OV5640 Software Application Note,位于开发板所随附的资料“7_硬件资料/4_OV5640资料/OV5640_camera_module_software_application_notes.pdf”),如果某些寄存器不知道如何配置可以参考此手册,下表是本程序用到的关键寄存器的配置说明。 表 41.1.1 OV5640关键寄存器配置说明
OV5640的寄存器较多,对于其它寄存器的描述可以参OV5640的数据手册。需要注意的是,OV5640的数据手册并没有提供全部的寄存器描述,而大多数必要的寄存器配置在ov5640的软件应用手册中可以找到,可以结合这两个手册学习如何对OV5640进行配置。 1)输出图像参数设置 接下来,我们介绍一下OV5640的ISP输入窗口设置、预缩放窗口设置和输出大小窗口设置,这几个设置与我们的正常使用密切相关,有必要了解一下,它们的设置关系如下图所示:
图 41.1.3 图像窗口设置 ISP输入窗口设置(ISP Input Size)允许用户设置整个传感器显示区域(physical pixel size,26321951,其中25921944像素是有效的),开窗范围从00~26321951都可以任意设置。也就是上图中的X_ADDR_ST(寄存器地址0x3800、0x3801)、Y_ADDR_ST(寄存器地址0x3802、0x3803)、X_ADDR_END(寄存器地址0x3804、0x3805)和Y_ADDR_END(寄存器地址0x3806、0x3807)寄存器。该窗口设置范围中的像素数据将进入ISP进行图像处理。 预缩放窗口设置(pre-scaling size)允许用户在ISP输入窗口的基础上进行裁剪,用于设置将进行缩放的窗口大小,该设置仅在ISP输入窗口内进行X/Y方向的偏移。可以通过X_OFFSET(寄存器地址0x3810、0x3811)和Y_OFFSET(寄存器地址0x3812、0x3813)进行配置。 输出大小窗口设置(data output size)是在预缩放窗口的基础上,经过内部DSP进行缩放处理,并将处理后的数据输出给外部的图像窗口,图像窗口控制着最终的图像输出尺寸。可以通过X_OUTPUT_SIZE(寄存器地址0x3808、0x3809)和Y_OUTPUT_SIZE(寄存器地址0x380A、0x380B)进行配置。注意:当输出大小窗口与预缩放窗口比例不一致时,图像将进行缩放处理(图像变形),仅当两者比例一致时,输出比例才是1:1(正常图像)。 图 41.1.3 图像窗口设置中,右侧data output size区域,才是OV5640输出给外部的图像尺寸,也就是显示在显示器或者液晶屏上面的图像大小。输出大小窗口与预缩放窗口比例不一致时,会进行缩放处理,在显示器上面看到的图像将会变形。 16)输出像素格式 OV5640支持多种不同的数据像素格式,包括YUV(亮度参量和色度参量分开表示的像素格式)、RGB(其中RGB格式包含RGB565、RGB555等)以及RAW(原始图像数据),通过寄存器地址0x4300配置成不同的数据像素格式。 由于摄像头采集的图像最终要通过LCD显示,故我们将OV5640摄像头输出的图像像素数据配置成RGB565格式。由上表(表 41.1.1)可知,将寄存器0x4300寄存器的Bit[7:4]设置成0x6即可。OV5640支持调节RGB565输出格式中各颜色变量的顺序,对于我们常见的应用来说,一般是使用RGB或BGR序列。我们在“OV7725摄像头RGB-LCD显示实验”的章节中介绍过,OV7725摄像头按照RGB的顺序输出,本章我们将OV5640输出的RGB565的颜色顺序和OV7725保持一致,将寄存器0x4300寄存器的Bit[3:0]设置成0x1。因此,“OV7725摄像头RGB-LCD显示实验”章节中的图像采集模块可以直接用来采集OV5640输出的图像。 17)彩条测试模式 图像传感器配置成彩条测试模式后,会输出彩色的条纹,方便测试图像传感器是否正常工作,通过配置寄存器0x503d的Bit[7]位打开和关闭彩条模式。当需要打开彩条模式时,寄存器0x503d配置成0x80,关闭时配置成0x00,下图为打开彩条模式后图像输出的条纹。
图 41.1.4 彩条模式下的图像条纹 18)LED闪光灯 当外界环境光较暗时,传感器采集图像会受到较大影响,此时可以通过打开LED补光灯来弥补光照不足所带来的影响,就像手机在夜晚拍照时也会打开闪光灯来提高图像质量。通过配置寄存器0x3016=0x02,0x301c=0x02来使能LED补光灯功能;配置寄存器0x3019=0x02打开闪光灯,0x3019=0x00关闭闪光灯。 19)图像输出时序 接下来,我们介绍一下OV5640的图像数据输出时序,首先我们简单介绍一些定义。 QSXGA,这里指:分辨率为25921944的输出格式,类似的还有:QXGA(20481536)、UXGA(16001200)、SXGA(12801024)、WXGA(1440900)、WXGA(1280800)、XGA(1024768)、SVGA(800600)、VGA(640480)、QVGA(320240)和QQVGA(160120)等。 PCLK:像素时钟,一个PCLK时钟输出一个像素或者半个像素(像素数据的高8位或者低8位)。 VSYNC:帧同步信号。 HREF/HSYNC:行同步信号。 D[9:0]:像素数据,在RGB565格式中,只有高8位是有效的。 tPclk:一个时钟周期 。 tp:一个像素点的周期,在RGB565和YUV422输出格式下,tp=2tPclk;Raw输出格式下,tp=tPclk。 下图为OV5640输出图像数据的行时序图。
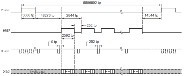
图 41.1.5 OV5640行时序图 从上图可以看出,传感器在HREF为高电平的时候输出图像数据,当HREF变高后,每一个 PCLK时钟,输出一个8位或者10位像素数据。比如我们采用QSXGA时序,RGB565格式输出,tp=2tPclk,每2个字节组成一个像素的颜色,这样每行总共输出25922个PCLK,也就是25922个字节。 再来看看帧时序(QSXGA模式,分辨率25921944),如下图所示:
图 41.1.6 OV5640 QSXGA帧时序 由上图可知,VSYNC的上升沿作为一帧的开始,高电平同步脉冲的时间为5688tp,紧接着等待48276tp时间后,HREF开始拉高,此时输出有效数据;HREF由2592tp个高电平和252tp个低电平构成;最后一行图像数据输出完成之后等待14544tp时间,一帧数据传输结束。所以输出一帧图像的时间实际上是tFrame = 5596992tp。 从OV5640的行时序图和帧时序图可以发现,其输出时序和OV7725是非常相似的,只是时间参数不同而已,大家可以参考“OV7725摄像头RGB-LCD显示实验”中帧时序的介绍来学习OV5640的输出时序。 41.2实验任务 本节实验任务是使用新起点开发板及OV5640摄像头实现图像采集,并通过RGB-LCD接口驱动RGB-LCD液晶屏(支持目前正点原子推出的所有RGB-LCD屏),并实时显示出图像。 41.3硬件设计 我们的新起点FPGA开发板上有一个摄像头扩展接口,该接口可以用来连接OV7725/OV5640等摄像头模块,摄像头扩展接口原理图如下图所示:
图 41.3.1 摄像头扩展接口原理图 ATK-OV5640是正点原子推出的一款高性能500W像素高清摄像头模块。该模块通过2*9排针(2.54mm间距)同外部连接,我们将摄像头的排针直接插在开发板上的摄像头接口即可,模块外观如图 41.3.2所示:
图 41.3.2 OV5640摄像头连接开发板图 从图 41.3.2可以看出,模块自带有源晶振,用于产生24MHz时钟作为OV5640的输入时钟。模块的闪光灯(LEDI&LED2)由OV5640的STROBE引脚控制,用户可通过SCCB接口总线控制STROBE引脚输出高低电平,从而控制LED闪光灯的亮灭。用户在使用LED灯时不建议一直点亮或者点亮时间太长。因为LED闪光灯功率较高,发光强度较强,模块温度上升会比较快,会造成器件的可靠性降低,同时注意避免直接照射人眼。 我们在前面说过,OV5640在RGB565模式下只有高8位数据是有效的即D[9:2],而我们的摄像头排针上数据引脚的个数是8位。实际上,摄像头排针上的8位数据连接的就是OV5640传感器的D[9:2],所以我们直接使用摄像头排针上的8位数据引脚即可。 由于LCD接口和SDRAM引脚数目较多且在前面相应的章节中已经给出它们的管脚列表,这里只列出摄像头相关管脚分配,如下表所示: 表 41.3.1 OV5640摄像头管脚分配
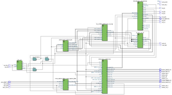
摄像头TCL约束文件如下: set_location_assignment PIN_T14 -to cam_data[7] set_location_assignment PIN_R14 -to cam_data[6] set_location_assignment PIN_N6 -to cam_data[5] set_location_assignment PIN_P6 -to cam_data[4] set_location_assignment PIN_M8 -to cam_data[3] set_location_assignment PIN_N8 -to cam_data[2] set_location_assignment PIN_P8 -to cam_data[1] set_location_assignment PIN_K9 -to cam_data[0] set_location_assignment PIN_M9 -to cam_href set_location_assignment PIN_R13 -to cam_pclk set_location_assignment PIN_R12 -to cam_pwdn set_location_assignment PIN_L9 -to cam_rst_n set_location_assignment PIN_N9 -to cam_scl set_location_assignment PIN_L10 -to cam_sda set_location_assignment PIN_P9 -to cam_vsync 41.4程序设计 图 41.4.1是根据本章实验任务画出的系统框图。PLL时钟模块为I2C驱动模块、LCD顶层模块以及SDRAM控制器模块提供驱动时钟;I2C驱动模块和I2C配置模块、图像尺寸配置模块用于初始化OV5640图像传感器;摄像头采集模块负责采集摄像头图像数据,并且把图像数据写入SDRAM读写控制模块;SDRAM读写控制模块负责将用户数据写入和读出片外SDRAM存储器中;LCD顶层模块负责驱动RGB TFT-LCD显示屏。 OV5640摄像头RGB TFT-LCD显示系统框图如下图所示:
图 41.4.1 OV5640摄像头RGB TFT-LCD显示系统框图 顶层模块的原理图如下图所示:
图 41.4.2 顶层模块原理图 由上图可知,I2C配置模块和I2C驱动模块控制着传感器初始化的开始与结束,传感器初始化完成后图像采集模块将采集到的数据写入SDRAM读写控制模块,LCD模块从SDRAM控制模块中读出数据,完成了数据的采集、缓存与显示。其中图像数据采集模块是在SDRAM和传感器都初始化完成之后才开始输出数据的,避免了在SDRAM初始化过程中向里面写入数据。 FPGA顶层模块(ov5640_rgb565_lcd)例化了以下六个模块:PLL时钟模块(pll_clk)、I2C驱动模块(i2c_dri)、I2C配置模块(i2c_ov5640_rgb565_cfg)、摄像头图像采集模块(cmos_capture_data)、图像尺寸配置模块(picture_size)、SDRAM读写控制模块(sdram_top)和LCD顶层模块(lcd_rgb_top)。 PLL时钟模块(pll_clk):PLL时钟模块通过调用锁相环(PLL)IP核实现,总共输出3个时钟,频率分别为100Mhz、100Mhz(SDRAM相位偏移时钟)和50Mhz(LCD分频用)时钟。100Mhz时钟和100Mhz相位偏移时钟作为SDRAM读写控制模块的驱动时钟,最后一个50Mhz时钟作为LCD顶层模块的驱动时钟。 I2C驱动模块(i2c_dri):I2C驱动模块负责驱动OV5640 SCCB接口总线,用户可根据该模块提供的用户接口对OV5640的寄存器进行配置,该模块和“EEPROM读写实验”章节中用到的I2C驱动模块为同一个模块,有关该模块的详细介绍请大家参考“EEPROM读写实验”章节。 I2C配置模块(i2c_ov5640_rgb565_cfg):I2C配置模块的驱动时钟是由I2C驱动模块输出的时钟提供的,这样方便了I2C驱动模块和I2C配置模块之间的数据交互。该模块寄存需要配置的寄存器地址、数据以及控制初始化的开始与结束,同时该模块输出OV5640的寄存器地址和数据以及控制I2C驱动模块开始执行的控制信号,直接连接到I2C驱动模块的用户接口,从而完成对OV5640传感器的初始化。OV7725和OV5640寄存器配置时序非常相似,有关该模块的详细介绍请大家参考“OV7725摄像头RGB-LCD显示实验”章节。 摄像头图像采集模块(cmos_capture_data):摄像头采集模块在像素时钟的驱动下将传感器输出的场同步信号、行同步信号以及8位数据转换成SDRAM读写控制模块的写使能信号和16位写数据信号,完成对OV5640传感器图像的采集。OV7725和OV5640图像输出时序非常相似,有关该模块的详细介绍请大家参考“OV7725摄像头RGB-LCD显示实验”章节。 图像尺寸配置模块(picture_size):图像尺寸配置模块用于配置摄像头输出图像尺寸的大小,以及设置摄像头输出图像的帧率(每秒输出图像的帧数),此外还完成了SDRAM的读写结束地址设置。 SDRAM读写控制模块(sdram_top):SDRAM读写控制器模块负责驱动SDRAM片外存储器,缓存图像传感器输出的图像数据。该模块将SDRAM复杂的读写操作封装成类似FIFO的用户接口,非常方便用户的使用。有关该模块的详细介绍请大家参考“SDRAM读写测试实验”章节,修改部分请大家参考“OV7725摄像头RGB-LCD显示实验”章节。 LCD顶层模块(lcd_rgb_top):LCD顶层模块下例化了以下三个模块:读ID模块(rd_id)、分频模块(clk_div)、LCD驱动模块(lcd_driver)。 读ID模块(rd_id):读ID模块用于读取连接到开发板上的LCD的ID。 分频模块(clk_div):分频模块用于输出驱动LCD所需要的时钟。由于不同尺寸/分辨率RGB LCD的驱动时钟频率是不一样的,该模块实现不同LCD的驱动时钟适配。 LCD驱动模块(lcd_driver):LCD驱动模块负责驱动LCD液晶屏,该模块通过读取SDRAM读写控制模块来输出像素数据,本次实验将LCD驱动模块的内部信号data_req(数据请求信号)输出至端口,方便从SDRAM控制器中读取数据。有关LCD驱动模块的详细介绍请大家参考“RGB-LCD彩条显示实验”章节。 下面是顶层模块中参数设置需要注意的地方,顶层模块参数设置代码如下:
34 //parameter define
35 parameter SLAVE_ADDR = 7'h3c ; //OV5640的器件地址7'h3c
36 parameter BIT_CTRL = 1'b1 ; //OV5640的字节地址为16位 0:8位 1:16位
37 parameter CLK_FREQ = 27'd50_000_000 ; //i2c_dri模块的驱动时钟频率
38 parameter I2C_FREQ = 18'd250_000 ; //I2C的SCL时钟频率,不超过400KHz
在代码的第35行定义了OV5640的器件地址,其器件地址为7’h3c;第36行定义了寄存器地址的位宽,BIT_CTRL=0表示地址位宽为8位,BIT_CTRL=1表示地址位宽为16位。因为OV5640的地址位宽为16位,所以BIT_CTRL设置为1。 下面是顶层模块里锁相环例化部分:
82 //锁相环
83 pll u_pll(
84 .areset (~sys_rst_n),
85 .inclk0 (sys_clk),
86
87 .c0 (clk_100m),
88 .c1 (clk_100m_shift),
89 .c2 (clk_50m_lcd),
90 .locked (locked)
91 );
在代码的第89行输出了一个50Mhz的时钟clk_50m_lcd,作为LCD顶层模块和I2C驱动模块(i2c_dri)的驱动时钟。 为了适配现有的RGB LCD屏幕,我们对I2C配置模块的端口部分进行了修改:
104 //I2C配置模块
105 i2c_ov5640_rgb565_cfg u_i2c_cfg(
106 .clk (i2c_dri_clk),
107 .rst_n (rst_n),
108
109 .i2c_exec (i2c_exec),
110 .i2c_data (i2c_data),
111 .i2c_rh_wl (i2c_rh_wl), //I2C读写控制信号
112 .i2c_done (i2c_done),
113 .i2c_data_r (i2c_data_r),
114
115 .cmos_h_pixel (cmos_h_pixel), //CMOS水平方向像素个数
116 .cmos_v_pixel (cmos_v_pixel) , //CMOS垂直方向像素个数
117 .total_h_pixel (total_h_pixel), //水平总像素大小
118 .total_v_pixel (total_v_pixel), //垂直总像素大小
119
120 .init_done (cam_init_done)
121 );
在本实验中,cmos_h_pixel、cmos_v_pixel这两个配置需要依据LCD尺寸的大小而改变。此外,total_h_pixel及total_v_pixel的参数也需要进行配置,它们会影响到输出图像的帧率。 在顶层模块中例化了图像尺寸配置模块(picture_size),它输出了上一段提到的四个变量的具体数值:
93 //摄像头图像分辨率设置模块
94 picture_size u_picture_size (
95 .clk (clk_50m_lcd ),
96 .rst_n (rst_n ),
97 .id_lcd (lcd_id ), //LCD的ID,用于配置摄像头的图像大小
98 .cmos_h_pixel (cmos_h_pixel ), //摄像头水平方向分辨率
99 .cmos_v_pixel (cmos_v_pixel ), //摄像头垂直方向分辨率
100 .total_h_pixel (total_h_pixel ), //用于配置HTS寄存器
101 .total_v_pixel (total_v_pixel ), //用于配置VTS寄存器
102 .sdram_max_addr (sdram_max_addr) //sdram读写的最大地址
103 );
模块内部的代码如下:
1 module picture_size (
2 input rst_n ,
3 input clk ,
4 input [15:0] id_lcd ,
5
6 output reg [12:0] cmos_h_pixel ,
7 output reg [12:0] cmos_v_pixel ,
8 output reg [12:0] total_h_pixel ,
9 output reg [12:0] total_v_pixel ,
10 output reg [23:0] sdram_max_addr
11 );
12
13 //parameter define
14 parameter ID_4342 = 16'h4342;
15 parameter ID_7084 = 16'h7084;
16 parameter ID_7016 = 16'h7016;
17 parameter ID_1018 = 16'h1018;
18
19 //*****************************************************
20 //** main code
21 //*****************************************************
22
23 //配置摄像头输出尺寸的大小
24 always @(posedge clk or negedge rst_n) begin
25 if(!rst_n) begin
26 cmos_h_pixel
关注
打赏
- 【正点原子STM32连载】第四十三章 摄像头实验 摘自【正点原子】MiniPro STM32H750 开发指南_V1.1
- 【正点原子STM32连载】第四十二章 FLASH模拟EEPROM实验 摘自【正点原子】MiniPro STM32H750 开发指南_V1.1
- 【正点原子STM32连载】第四十章 DHT11数字温湿度传感器 摘自【正点原子】MiniPro STM32H750 开发指南_V1.1
- 【正点原子STM32连载】第三十九章 DS18B20数字温度传感器实验 摘自【正点原子】MiniPro STM32H750 开发指南_V1.1
- 【正点原子STM32连载】第三十七章 触摸屏实验 摘自【正点原子】MiniPro STM32H750 开发指南_V1.1
- 【正点原子STM32连载】第三十六章 QSPI实验 摘自【正点原子】MiniPro STM32H750 开发指南_V1.1
- 【正点原子STM32连载】第三十五章 IIC实验 摘自【正点原子】MiniPro STM32H750 开发指南_V1.1
- 【正点原子STM32连载】 第三十四章 DAC实验 摘自【正点原子】MiniPro STM32H750 开发指南_V1.1
- 【正点原子STM32连载】 第三十三章 光敏传感器实验 摘自【正点原子】MiniPro STM32H750 开发指南_V1.1
- 【正点原子STM32连载】 第三十二章 内部温度传感器实验 摘自【正点原子】MiniPro STM32H750 开发指南_V1.1
