1)实验平台:正点原子领航者ZYNQ开发板 2)平台购买地址:https://item.taobao.com/item.htm?&id=606160108761 3)全套实验源码+手册+视频下载地址:http://www.openedv.com/thread-301505-1-1.html 4)对正点原子FPGA感兴趣的同学可以加群讨论:994244016 5)关注正点原子公众号,获取最新资料更新
DAC(Digital to Analog Converter,即数模转换器)是大多数系统中必不可少的组成部件,用于将离散的数字信号转换成连续的模拟信号,它们是连接模电电路和数字电路必不可少的桥梁。在很多场合下, DAC的转换速度甚至直接决定了整个系统的运行速度。本章我们将使用高速DA芯片实现数模转换,产生正弦波模拟电压信号。 本章包括以下几个部分: 1.1 简介 1.2 实验任务 1.3 硬件设计 1.4 软件设计 1.5 下载验证 1.1 简介 本章我们使用的双路DA模块是正点原子推出的一款双路高速数模转换模块(ATK_DUAL_HS_DA),高速DA转换芯片是由思瑞浦公司生产的3PD5651E芯片。 ATK_HS_AD_DA模块的硬件结构图如下图所示。
图 7.5.13.1 ATK_DUAL_HS_DA模块硬件结构图 由上可知,3PD5651E芯片输出的是一对差分电流信号,为了防止受到噪声干扰,电路中接入了低通滤波器,然后通过高性能和高带宽的运放电路,实现差分变单端以及幅度调节等功能,使整个电路性能得到了最大限度的提升,最终输出的模拟电压范围是-5V~+5V。 下面来介绍下这款芯片。 3PD5651E是3PEAK公司(思瑞浦微电子科技股份有限公司)生产的DAC系列数模转换器,具有高性能、低功耗的特点。3PD5651E的数模转换位数为10位,最大转换速度为125MSPS(每秒采样百万次,Million Samples per Second)。 3PD5651E的内部功能框图如下图所示:
图 7.5.13.2 内部功能框图 3PD5651E在时钟(CLOCK)的驱动下工作,内部集成了+1.1V参考电压(+1.10V REF)、运算放大器、电流源(CURRENT SOURCE ARRAY)和锁存器(LATCHES)。两个电流输出端IOUTA和IOUTB为一对差分电流,当输入数据为0(DB9DB0=10’h000)时,IOUTA的输出电流为0,而IOUTB的输出电流达到最大,最大值的大小跟参考电压有关;当输入数据全为高点平(DB9DB0=10’h3ff)时,IOUTA的输出电流达到最大,最大值的大小跟参考电压有关,而IOUTB的输出电流为0。 3PD5651E必须在时钟的驱动下才能把数据写入片内的锁存器中,其触发方式为上升沿触发,3PD5651E的时序图如下图所示:
图 7.5.13.3 芯片时序图
图 7.5.13.4 FPGA内部时序 如图 7.5.13.3中的DBO-DB9和CLOCK是3PD5651E的10位输入数据和为输入时钟,IOUTA和IOUTB为3PD5651E输出的电流信号。由图 7.5.13.3可知,数据在时钟的上升沿锁存,因此我们可以在时钟的下降沿发送数据,这样使DA芯片在数据的中央采样,保证数据采样的准确性,如图 7.5.13.4所示。需要注意的是,CLOCK的时钟频率越快,3PD5651E的数模转换速度越快,3PD5651E的时钟频率最快为125Mhz。 IOUTA和IOUTB为3PD5651E输出的一对差分电流信号,通过外部电路低通滤波器与运放电路输出模拟电压信号,电压范围是-5V至+5V之间。当输入数据等于0时,3PD5651E输出的电压值为5V;当输入数据等于10’h3ff时,3PD5651E输出的电压值为-5V。 3PD5651E是一款数字信号转模拟信号的器件,内部没有集成DDS(Direct Digital Synthesizer,直接数字式频率合成器)的功能,但是可以通过控制3PD5651E的输入数据,使其模拟DDS的功能。例如,我们使用3PD5651E输出一个正弦波模拟电压信号,那么我们只需要将3PD5651E的输入数据按照正弦波的波形变化即可,下图为3PD5651E的输入数据和输出电压值按照正弦波变化的波形图。
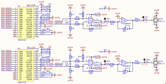
图 7.5.13.5 3PD5651E正弦波数据(左)、电压值(右) 由上图可知,数据在0至1023之间按照正弦波的波形变化,最终得到的电压也会按照正弦波波形变化,当输入数据重复按照正弦波的波形数据变化时,那么3PD5651E就可以持续不断的输出正弦波的模拟电压波形。需要注意的是,最终得到的3PD5651E的输出电压变化范围由其外部电路决定的,当输入数据为0时,3PD5651E输出+5V的电压;当输入数据为1023时,3PD5651E输出-5V的电压。 由此可以看出,只要输入的数据控制的得当,3PD5651E可以输出任意波形的模拟电压信号,包括正弦波、方波、锯齿波、三角波等波形。 1.2 实验任务 本节实验任务是使用领航者开发板及双路高速DA扩展模块(ATK_DUAL_HS_DA模块)实现数模转换。首先利用FPGA产生正弦波变化的数字信号,经过DA芯片后转换成模拟信号,然后通过示波器观察模拟信号的波形是否按照正弦波波形变化。 1.3 硬件设计 ATK_DUAL_HS_DA模块由2个型号为3PD5651E 的DA转换芯片组成。3PD5651E的原理图如下图所示。
图 7.5.13.1 芯片原理图 由上图可知,3PD5651E输出的一对差分电流信号先经过滤波器,再经过运放电路得到一个单端的模拟电压信号。图中右侧的RP1为滑动变阻器,可以调节输出的电压范围,推荐通过调节滑动变阻器,使输出的电压范围在-5V至+5V之间,从而达到DA转换芯片的最大转换范围。 ATK_DUAL_HS_DA模块的实物图如下图所示。
图 7.5.13.2 ATK_DUAL_HS_DA模块实物图 本实验中,各端口信号的管脚分配如下表所示。 表格 28.3.1 双路高速DA转换实验管脚分配 信号名 方向 管脚 端口说明 电平标准 sys_clk input U18 系统时钟,50Mhz LVCMOS33 sys_rst_n input N16 系统复位,低有效 LVCMOS33 da_clk output W16 DA(3PD5651E)驱动时钟 LVCMOS33 da_data[0] output R18 输出给DA的数据 LVCMOS33 da_data[1] output T17 输出给DA的数据 LVCMOS33 da_data[2] output V18 输出给DA的数据 LVCMOS33 da_data[3] output V17 输出给DA的数据 LVCMOS33 da_data[4] output U17 输出给DA的数据 LVCMOS33 da_data[5] output T16 输出给DA的数据 LVCMOS33 da_data[6] output Y16 输出给DA的数据 LVCMOS33 da_data[7] output Y17 输出给DA的数据 LVCMOS33 da_data[8] output T15 输出给DA的数据 LVCMOS33 da_data[9] output T14 输出给DA的数据 LVCMOS33 da_clk1 output P16 DA(3PD5651E)驱动时钟 LVCMOS33 da_data1[0] output N18 输出给DA的数据 LVCMOS33 da_data1[1] output P19 输出给DA的数据 LVCMOS33 da_data1[2] output N17 输出给DA的数据 LVCMOS33 da_data1[3] output P18 输出给DA的数据 LVCMOS33 da_data1[4] output V20 输出给DA的数据 LVCMOS33 da_data1[5] output W20 输出给DA的数据 LVCMOS33 da_data1[6] output R17 输出给DA的数据 LVCMOS33 da_data1[7] output R16 输出给DA的数据 LVCMOS33 da_data1[8] output W19 输出给DA的数据 LVCMOS33 da_data1[9] output W18 输出给DA的数据 LVCMOS33 对应的XDC约束语句如下所示: #时序约束
create_clock -period 20.000 -name sys_clk [get_ports sys_clk]
set_property -dict {PACKAGE_PIN U18 IOSTANDARD LVCMOS33} [get_ports sys_clk]
set_property CLOCK_DEDICATED_ROUTE FALSE [get_nets sys_clk]
set_property -dict {PACKAGE_PIN N16 IOSTANDARD LVCMOS33} [get_ports sys_rst_n]
set_property PACKAGE_PIN T14 [get_ports {da_data[9]}]
set_property PACKAGE_PIN T15 [get_ports {da_data[8]}]
set_property PACKAGE_PIN Y17 [get_ports {da_data[7]}]
set_property PACKAGE_PIN Y16 [get_ports {da_data[6]}]
set_property PACKAGE_PIN T16 [get_ports {da_data[5]}]
set_property PACKAGE_PIN U17 [get_ports {da_data[4]}]
set_property PACKAGE_PIN V17 [get_ports {da_data[3]}]
set_property PACKAGE_PIN V18 [get_ports {da_data[2]}]
set_property PACKAGE_PIN T17 [get_ports {da_data[1]}]
set_property PACKAGE_PIN R18 [get_ports {da_data[0]}]
set_property IOSTANDARD LVCMOS33 [get_ports {da_data[9]}]
set_property IOSTANDARD LVCMOS33 [get_ports {da_data[8]}]
set_property IOSTANDARD LVCMOS33 [get_ports {da_data[7]}]
set_property IOSTANDARD LVCMOS33 [get_ports {da_data[6]}]
set_property IOSTANDARD LVCMOS33 [get_ports {da_data[5]}]
set_property IOSTANDARD LVCMOS33 [get_ports {da_data[4]}]
set_property IOSTANDARD LVCMOS33 [get_ports {da_data[3]}]
set_property IOSTANDARD LVCMOS33 [get_ports {da_data[2]}]
set_property IOSTANDARD LVCMOS33 [get_ports {da_data[1]}]
set_property IOSTANDARD LVCMOS33 [get_ports {da_data[0]}]
set_property IOSTANDARD LVCMOS33 [get_ports da_clk]
set_property PACKAGE_PIN W16 [get_ports da_clk]
set_property PACKAGE_PIN W18 [get_ports {da_data1[9]}]
set_property PACKAGE_PIN W19 [get_ports {da_data1[8]}]
set_property PACKAGE_PIN R16 [get_ports {da_data1[7]}]
set_property PACKAGE_PIN R17 [get_ports {da_data1[6]}]
set_property PACKAGE_PIN W20 [get_ports {da_data1[5]}]
set_property PACKAGE_PIN V20 [get_ports {da_data1[4]}]
set_property PACKAGE_PIN P18 [get_ports {da_data1[3]}]
set_property PACKAGE_PIN N17 [get_ports {da_data1[2]}]
set_property PACKAGE_PIN P19 [get_ports {da_data1[1]}]
set_property PACKAGE_PIN N18 [get_ports {da_data1[0]}]
set_property IOSTANDARD LVCMOS33 [get_ports {da_data1[9]}]
set_property IOSTANDARD LVCMOS33 [get_ports {da_data1[8]}]
set_property IOSTANDARD LVCMOS33 [get_ports {da_data1[7]}]
set_property IOSTANDARD LVCMOS33 [get_ports {da_data1[6]}]
set_property IOSTANDARD LVCMOS33 [get_ports {da_data1[5]}]
set_property IOSTANDARD LVCMOS33 [get_ports {da_data1[4]}]
set_property IOSTANDARD LVCMOS33 [get_ports {da_data1[3]}]
set_property IOSTANDARD LVCMOS33 [get_ports {da_data1[2]}]
set_property IOSTANDARD LVCMOS33 [get_ports {da_data1[1]}]
set_property IOSTANDARD LVCMOS33 [get_ports {da_data1[0]}]
set_property IOSTANDARD LVCMOS33 [get_ports da_clk1]
set_property PACKAGE_PIN P16 [get_ports da_clk1]
1.4 软件设计 根据本章的实验任务,FPGA需要连续输出正弦波波形的数据,才能使3PD5651E连续输出正弦波波形的模拟电压,如果通过编写代码使用三角函数公式运算的方式输出正弦波数据,那么程序设计会变得非常复杂。在工程应用中,一般将正弦波波形数据存储在RAM或者ROM中,由于本次实验并不需要写数据到RAM中,因此我们将正弦波波形数据存储在只读的ROM中,直接读取ROM中的数据发送给DA转换芯片即可。 图 7.5.13.1是根据本章实验任务画出的系统框图。ROM里面事先存储好了正弦波波形的数据,DA数据发送模块从ROM中读取数据,将数据和时钟送到3PD5651E芯片的输入数据端口和输入时钟端口。 双路高速DA实验的系统框图如图 7.5.13.1所示:
图 7.5.13.1 双路高速DA系统框图 顶层模块的原理图如下图所示:
图 7.5.13.2 顶层模块原理图 FPGA顶层模块(hs_dual_da)例化了以下三个模块:DA数据发送模块(da_wave_send)、ROM波形存储模块(rom_1024x10b)和时钟模块(clk_wiz_0)。 DA数据发送模块(da_wave_send):DA数据发送模块输出读ROM地址,将输入的ROM数据发送至DA转换芯片的数据端口。 ROM波形存储模块(rom_1024x10b):ROM波形存储模块由Vivado软件自带的Block Memory Generator IP核实现,其存储的波形数据可以使用波形转存储文件的上位机来生成.coe文件。 顶层模块的代码如下:
1 module hs_dual_da(
2 input sys_clk , //系统时钟
3 input sys_rst_n , //系统复位,低电平有效
4 //DA接口
5 output da_clk , //DA采样时钟
6 output [9:0] da_data , //DA采样数据
7 output da_clk1 , //DA采样时钟
8 output [9:0] da_data1 //DA采样数据
9 );
10
11 //wire define
12 wire [9:0] rd_addr; //ROM地址
13 wire [9:0] rd_data; //ROM数据
14
15 //*****************************************************
16 //** main code
17 //*****************************************************
18
19 assign da_clk1 = da_clk;
20 assign da_data1 = da_data;
21
22 //时钟模块
23 clk_wiz_0 u_clk_wiz_0(
24 .clk_in1 (sys_clk),
25 .clk_out1 (clk)
26 );
27
28 //DA发送模块
29 da_wave_send u_da_wave_send(
30 .clk (clk),
31 .rst_n (sys_rst_n),
32 .rd_data (rd_data),
33 .rd_addr (rd_addr),
34 .da_clk (da_clk),
35 .da_data (da_data)
36 );
37
38 //ROM模块
39 rom_1024x10b u_rom_1024x10b(
40 .addra (rd_addr),
41 .clka (clk),
42 .douta (rd_data)
43 );
44
45 endmodule
在代码的第23至26行例化了时钟模块,倍频出125M时钟给DA芯片采样用。 DA数据发送模块输出的读ROM地址(rd_addr)连接至ROM模块的地址输入端,ROM模块输出的数据(rd_data)连接至DA数据发送模块的数据输入端,从而完成了从ROM中读取数据的功能。 在代码的第39至43行例化了ROM模块,由Block Memory Generator IP核配置生成。 我们在前面说过,ROM中存储的波形数据可以使用上位机波形转COE软件生成,在这里我们介绍一个简单易用的波形转COE工具的使用方法,该工具位于开发板所随附的资料“6_软件资料/1_软件/WaveToMem”目录下,双击“WaveToMem_V1.2.exe”运行软件。 接下来我们对软件进行设置,如图 7.5.13.3所示,这里对软件界面做个简单的介绍。 位宽:波形数据的位宽。由于ATK_DUAL_HS_DA模块的DA芯片数据位宽为10位,因此这里将位宽设成10位。 深度:一个波形周期包含了多少个数据量。这里将深度设置成1024。需要说明的是,在用Block Memory Generator IP核生成ROM时,配置ROM的宽度和深度和上位机设置的位宽和深度保持一致。 波形频率设置:对波形倍频,倍数值越大,最终生成的波形频率越快(频率太高,可能导致波形失真),这里保持默认,即设置成1位。 波形类型:软件支持将正弦波、方波、锯齿波和三角波的波形转换成存储波形格式的文件。 生成文件:软件支持将波形转换成COE(Vivado软件支持的存储格式)和MIF(Quartus软件支持的存储格式)格式文件,这里保持默认,即选中COE文件格式。 然后点击“一键生成”按钮,在弹出的界面中选择COE文件的存放路径并输入文件名,这里将COE文件保存在工程的sources_1\new文件夹下。WaveToMem转换过程中的软件界面如下图所示:
图 7.5.13.3 WaveToMem软件界面 使用Notepad++代码编辑器打开生成的COE文件后如下图所示:
图 7.5.13.4 COE文件打开界面 工程中创建了一个单端口ROM,并命名为“rom_1024x10b”,在调用Block Memory Generator IP核时,“Basic”选项也配置如下图所示:
图 7.5.13.5 Block Memory Generator IP核的Basic配置页面 我们将其接口类型设置为“Native”、Memory Type设置为“Single Port ROM”,即单端口ROM。 “Port A Options”选项页的配置页面如下图所示:
图 7.5.13.6 Block Memory Generator IP核的PortA Options配置页面 我们将PortA的位宽设置为10,深度设置为1024,以存储上位机生成的1024个数据。此外,将使能引脚的类型设置为“Always Enabled”,即ROM一直处于使能的状态。 接下来配置“Other Options”选项页,加载刚才生成的.coe文件,如下图所示:
图 7.5.13.7 Block Memory Generator IP核的Other Options配置页面 最后点击“OK”按钮完成IP核的配置。 DA数据发送模块的代码如下:
1 module da_wave_send(
2 input clk , //时钟
3 input rst_n , //复位信号,低电平有效
4
5 input [9:0] rd_data, //ROM读出的数据
6 output reg [9:0] rd_addr, //读ROM地址
7 //DA芯片接口
8 output da_clk , //DA驱动时钟,最大支持125Mhz时钟
9 output [9:0] da_data //输出给DA的数据
10 );
11
12 //parameter
13 //频率调节控制
14 parameter FREQ_ADJ = 10'd5; //频率调节,FREQ_ADJ的越大,最终输出的频率越低,范围0~255
15
16 //reg define
17 reg [9:0] freq_cnt ; //频率调节计数器
18
19 //*****************************************************
20 //** main code
21 //*****************************************************
22
23 //数据rd_data是在clk的上升沿更新的,所以DA芯片在clk的下降沿锁存数据是稳定的时刻
24 //而DA实际上在da_clk的上升沿锁存数据,所以时钟取反,这样clk的下降沿相当于da_clk的上升沿
25 assign da_clk = ~clk;
26 assign da_data = rd_data; //将读到的ROM数据赋值给DA数据端口
27
28 //频率调节计数器
29 always @(posedge clk or negedge rst_n) begin
30 if(rst_n == 1'b0)
31 freq_cnt
关注
打赏
- 【正点原子STM32连载】第四十三章 摄像头实验 摘自【正点原子】MiniPro STM32H750 开发指南_V1.1
- 【正点原子STM32连载】第四十二章 FLASH模拟EEPROM实验 摘自【正点原子】MiniPro STM32H750 开发指南_V1.1
- 【正点原子STM32连载】第四十章 DHT11数字温湿度传感器 摘自【正点原子】MiniPro STM32H750 开发指南_V1.1
- 【正点原子STM32连载】第三十九章 DS18B20数字温度传感器实验 摘自【正点原子】MiniPro STM32H750 开发指南_V1.1
- 【正点原子STM32连载】第三十七章 触摸屏实验 摘自【正点原子】MiniPro STM32H750 开发指南_V1.1
- 【正点原子STM32连载】第三十六章 QSPI实验 摘自【正点原子】MiniPro STM32H750 开发指南_V1.1
- 【正点原子STM32连载】第三十五章 IIC实验 摘自【正点原子】MiniPro STM32H750 开发指南_V1.1
- 【正点原子STM32连载】 第三十四章 DAC实验 摘自【正点原子】MiniPro STM32H750 开发指南_V1.1
- 【正点原子STM32连载】 第三十三章 光敏传感器实验 摘自【正点原子】MiniPro STM32H750 开发指南_V1.1
- 【正点原子STM32连载】 第三十二章 内部温度传感器实验 摘自【正点原子】MiniPro STM32H750 开发指南_V1.1
