1)实验平台:正点原子领航者ZYNQ开发板 2)平台购买地址:https://item.taobao.com/item.htm?&id=606160108761 3)全套实验源码+手册+视频下载地址:http://www.openedv.com/thread-301505-1-1.html 4)对正点原子FPGA感兴趣的同学可以加群讨论:994244016 5)关注正点原子公众号,获取最新资料更新
交通信号灯是一种生活中非常常见的公共设施,它在马路上的路口、斑马线等位置起着疏导交通的作用,本章我们将使用交通信号灯模块来再现它的功能。 本章包括以下几个部分: 1.1 简介 1.2 实验任务 1.3 硬件设计 1.4 程序设计 1.5 下载验证 1.1 简介 交通信号灯往往由红、绿、黄三种颜色的灯组成。红灯亮的时候,禁止通行;绿灯亮的时候,可以通行;黄灯亮的时候,提示通行时间已经结束,马上要转换为红灯。 本次实验要再现的交通信号灯为十字路口处的信号灯,它由两对信号灯组成。信号灯实物如图 7.5.13.1所示:
图 7.5.13.1 交通信号灯 图 7.5.13.2为十字路口交通信号灯简化示意图:
图 7.5.13.2 十字路口信号灯示意图 单独一个方向上的信号灯点亮顺序是:红灯熄灭后绿灯亮,绿灯熄灭后黄灯亮,黄灯熄灭后红灯亮,这样一直循环下去。另外,同一方向上的一对信号灯亮的颜色一致,且显示的时间是一样的。 为了模拟交通信号灯的功能,制作了表 31.1.1信号灯状态转换表:
表 31.1.1 交通信号灯状态转换表
表 31.1.1中,设定一个周期内,红灯发光30s,绿灯发光27s,黄灯发光3s。以东西方向信号灯状态为例,红灯发光的时间等于黄灯与绿灯发光的时间和。所以一个完整的状态转换周期是红灯发光的时间的两倍,也就是60s。 在东西方向红色信号灯发光的30s内,南北方向由绿灯切换到了黄灯;在南北方向红色信号灯发光的30s内,东西方向也由绿灯切换到了黄灯。因此我们将东西和南北方向信号灯同时保持在固定状态的时间段,划为一个状态。由此产生了循环往复的4个状态: 1、东西方向红灯亮27s,南北方向绿灯亮27s,然后切换到状态2; 2、东西方向红灯亮3s,南北方向黄灯亮3s,然后切换到状态3; 3、东西方向绿灯亮27s,南北方向红灯亮27s,然后切换到状态4; 4、东西方向黄灯亮3s,南北方向红灯亮3s,然后切换到状态1。 如图 7.5.13.3为交通信号灯的状态转换图:
图 7.5.13.3 交通信号灯状态转换图 另外,以东西方向为例:一个周期内,红灯发光30s,绿灯发光27s,黄灯发光3s。那么在红灯发光期间,数码管上显示的数字要从29递减到0;同理,绿灯发光期间,数码管上显示的数字要从26递减到0;黄灯发光的时候,数码管上显示的数字要从2递减到0。 1.2 实验任务 本节实验任务是通过领航者ZYNQ开发板和外接的交通信号灯扩展模块,再现交通信号灯的功能。 1.3 硬件设计 我们的领航者ZYNQ开发板上左边的J3扩展口可以用来外接交通信号灯扩展模块,交通信号灯扩展模块的原理图如图 7.5.13.1所示。
图 7.5.13.1 交通信号灯原理图 由上图可知,交通信号灯扩展模块四个方向共12个LED灯,而我们使用6个LED控制信号来驱动12个LED灯,这是因为东西方向或者南北方向LED灯的亮灭状态总是一致的,所以我们将东西方向或者南北方向颜色相同的LED灯并联在一起,这样设计的好处是减少了交通信号灯扩展模块LED控制信号的引脚。 上图中四个共阳型数码管分别对应四个路口,每个路口用两位数码管显示当前状态的剩余时间。我们知道,在十字路口中,东西方向或者南北方向数码管显示的时间总是一样的。以东西方向为例,正因为这两个方向显示的时间一致,所以这两个方向的数码管,它们的十位可以用同一个位选信号来控制,个位用另一个位选信号来控制,这样的话,就可以实现两个位选信号控制东西方向共4位数码管的亮灭,南北方向的数码管同理。这样设计的好处是减少了交通信号灯扩展模块位选信号的引脚。 需要注意的是,数码管由PNP型三极管驱动,当三极管的基极为低电平时,数码管相应的位被选通,所以交通信号灯扩展模块的位选信号是低电平有效的。 交通信号灯实物图如图 7.5.13.2所示,我们本章实验设定交通信号灯的方向为上北下南,左西右东。
图 7.5.13.2 交通信号灯实物图 本实验中,交通信号灯管脚分配如下表所示。 表 31.3.1 交通信号灯实验管脚分配 信号名 方向 管脚 端口说明 sys_clk input U18 系统时钟50MHz sys_rst_n input N16 系统复位,低电平有效 sel[0] output P15 数码管位选信号sel[0] sel[1] output P16 数码管位选信号sel[1] sel[2] output W18 数码管位选信号sel[2] sel[3] output W19 数码管位选信号sel[3] seg_led[0] output T16 数码管a段选信号seg_led[0] seg_led[1] output U17 数码管b段选信号seg_led[1] seg_led[2] output V17 数码管c段选信号seg_led[2] seg_led[3] output V18 数码管d段选信号seg_led[3] seg_led[4] output T17 数码管e段选信号seg_led[4] seg_led[5] output R18 数码管f段选信号seg_led[5] seg_led[6] output Y18 数码管g段选信号seg_led[6] seg_led[7] output Y19 数码管h段选信号seg_led[7] led[0] output Y17 南北向黄色LED使能 led[1] output T14 南北向绿色LED使能 led[2] output V16 南北向红色LED使能 led[3] output Y16 东西向黄色LED使能 led[4] output T15 东西向绿色LED使能 led[5] output W16 东西向红色LED使能 对应的XDC约束文件如下所示:
set_property -dict {PACKAGE_PIN U18 IOSTANDARD LVCMOS33} [get_ports sys_clk]
set_property -dict {PACKAGE_PIN N16 IOSTANDARD LVCMOS33} [get_ports sys_rst_n]
set_property -dict {PACKAGE_PIN T16 IOSTANDARD LVCMOS33} [get_ports {seg_led[0]}]
set_property -dict {PACKAGE_PIN U17 IOSTANDARD LVCMOS33} [get_ports {seg_led[1]}]
set_property -dict {PACKAGE_PIN V17 IOSTANDARD LVCMOS33} [get_ports {seg_led[2]}]
set_property -dict {PACKAGE_PIN V18 IOSTANDARD LVCMOS33} [get_ports {seg_led[3]}]
set_property -dict {PACKAGE_PIN T17 IOSTANDARD LVCMOS33} [get_ports {seg_led[4]}]
set_property -dict {PACKAGE_PIN R18 IOSTANDARD LVCMOS33} [get_ports {seg_led[5]}]
set_property -dict {PACKAGE_PIN Y18 IOSTANDARD LVCMOS33} [get_ports {seg_led[6]}]
set_property -dict {PACKAGE_PIN Y19 IOSTANDARD LVCMOS33} [get_ports {seg_led[7]}]
set_property -dict {PACKAGE_PIN Y17 IOSTANDARD LVCMOS33} [get_ports {led[0]}]
set_property -dict {PACKAGE_PIN T14 IOSTANDARD LVCMOS33} [get_ports {led[1]}]
set_property -dict {PACKAGE_PIN V16 IOSTANDARD LVCMOS33} [get_ports {led[2]}]
set_property -dict {PACKAGE_PIN Y16 IOSTANDARD LVCMOS33} [get_ports {led[3]}]
set_property -dict {PACKAGE_PIN T15 IOSTANDARD LVCMOS33} [get_ports {led[4]}]
set_property -dict {PACKAGE_PIN W16 IOSTANDARD LVCMOS33} [get_ports {led[5]}]
set_property -dict {PACKAGE_PIN P15 IOSTANDARD LVCMOS33} [get_ports {sel[0]}]
set_property -dict {PACKAGE_PIN P16 IOSTANDARD LVCMOS33} [get_ports {sel[1]}]
set_property -dict {PACKAGE_PIN W18 IOSTANDARD LVCMOS33} [get_ports {sel[2]}]
set_property -dict {PACKAGE_PIN W19 IOSTANDARD LVCMOS33} [get_ports {sel[3]}]
1.4 程序设计 根据实验任务,我们可以大致规划出系统的控制流程:交通灯控制模块将需要显示的时间数据连接到数码管显示模块,同时将状态信号连接到led灯控制模块,然后数码管显示模块和led灯控制模块驱动交通信号灯外设工作。系统框图如图 7.5.13.1所示,
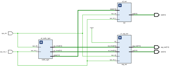
图 7.5.13.1 交通灯实验系统框图 各模块端口及信号连接如下图所示:
图 7.5.13.2 交通信号灯顶层模块原理图 由上图可知,FPGA部分包括四个模块,顶层模块(top_traffic)、交通灯控制模块(traffic_light)、数码管显示模块(seg_led)、led灯控制模块(led)。在顶层模块中完成对其它三个模块的例化,并实现各模块之间的数据传递。 顶层模块(top_traffic):顶层模块完成了对其它三个子模块的例化、实现了子模块间的信号连接、并将led灯和数码管的驱动信号输出给外接设备(交通信号灯外设)。 交通灯控制模块(traffic_light):交通灯控制模块是本次实验的核心代码,这个模块控制信号灯的状态转换,将实时的状态信号state[1:0]输出给led灯控制模块(led),同时将东西和南北方向的实时时间数据ew_time[5:0]和sn_time[5:0]输出给数码管显示模块(seg_led)。 数码管显示模块(seg_led):接收交通灯控制模块传递过来的东西和南北方向的实时时间数据ew_time[5:0]和sn_time[5:0],并以此驱动对应的数码管,将数据显示出来。 led灯控制模块(led):根据接收到的实时状态信号state[1:0],驱动东西和南北方向的led发光。 顶层模块的代码如下:
1 module top_traffic(
2 input sys_clk , //系统时钟信号
3 input sys_rst_n , //系统复位信号
4
5 output [3:0] sel , //数码管位选信号
6 output [7:0] seg_led , //数码管段选信号
7 output [5:0] led //LED使能信号,红绿黄灯
8 );
9
10 //wire define
11 wire [5:0] ew_time; //东西方向状态剩余时间数据
12 wire [5:0] sn_time; //南北方向状态剩余时间数据
13 wire [1:0] state ; //交通灯的状态,用于控制LED灯的点亮
14
15 //*****************************************************
16 //** main code
17 //*****************************************************
18 //交通灯控制模块
19 traffic_light u0_traffic_light(
20 .sys_clk (sys_clk),
21 .sys_rst_n (sys_rst_n),
22 .ew_time (ew_time),
23 .sn_time (sn_time),
24 .state (state)
25 );
26
27 //数码管显示模块
28 seg_led u1_seg_led(
29 .sys_clk (sys_clk) ,
30 .sys_rst_n (sys_rst_n),
31 .ew_time (ew_time),
32 .sn_time (sn_time),
33 .en (1'b1),
34 .sel (sel),
35 .seg_led (seg_led)
36 );
37
38 //led灯控制模块
39 led u2_led(
40 .sys_clk (sys_clk ),
41 .sys_rst_n (sys_rst_n),
42 .state (state ),
43 .led (led )
44 );
45
46 endmodule
在代码第22行和第23行,将交通灯控制模块输出的ew_time和sn_time实时时间数据信号连接到数码管显示模块;在代码的第24行,将交通灯控制模块输出的state状态连接到led灯控制模块。 交通灯控制模块的代码如下:
1 module traffic_light(
2 //input
3 input sys_clk , //系统时钟
4 input sys_rst_n , //系统复位
5
6 output reg [1:0] state , //交通灯的状态,用于控制LED灯的点亮
7 output reg [5:0] ew_time , //交通灯东西向数码管要显示的时间数据
8 output reg [5:0] sn_time //交通灯南北向数码管要显示的时间数据
9 );
10
11 //parameter define
12 parameter TIME_LED_Y = 3; //黄灯发光的时间
13 parameter TIME_LED_R = 30; //红灯发光的时间
14 parameter TIME_LED_G = 27; //绿灯发光的时间
15 parameter WIDTH = 25_000_000; //产生频率为1hz的时钟
16
17 //reg define
18 reg [5:0] time_cnt; //产生数码管显示时间的计数器
19 reg [24:0] clk_cnt; //用于产生clk_1hz的计数器
20 reg clk_1hz; //1hz时钟
21
22 //*****************************************************
23 //** main code
24 //*****************************************************
25 //计数周期为0.5s的计数器
26 always @ (posedge sys_clk or negedge sys_rst_n)begin
27 if(!sys_rst_n)
28 clk_cnt
关注
打赏
- 【正点原子STM32连载】第四十三章 摄像头实验 摘自【正点原子】MiniPro STM32H750 开发指南_V1.1
- 【正点原子STM32连载】第四十二章 FLASH模拟EEPROM实验 摘自【正点原子】MiniPro STM32H750 开发指南_V1.1
- 【正点原子STM32连载】第四十章 DHT11数字温湿度传感器 摘自【正点原子】MiniPro STM32H750 开发指南_V1.1
- 【正点原子STM32连载】第三十九章 DS18B20数字温度传感器实验 摘自【正点原子】MiniPro STM32H750 开发指南_V1.1
- 【正点原子STM32连载】第三十七章 触摸屏实验 摘自【正点原子】MiniPro STM32H750 开发指南_V1.1
- 【正点原子STM32连载】第三十六章 QSPI实验 摘自【正点原子】MiniPro STM32H750 开发指南_V1.1
- 【正点原子STM32连载】第三十五章 IIC实验 摘自【正点原子】MiniPro STM32H750 开发指南_V1.1
- 【正点原子STM32连载】 第三十四章 DAC实验 摘自【正点原子】MiniPro STM32H750 开发指南_V1.1
- 【正点原子STM32连载】 第三十三章 光敏传感器实验 摘自【正点原子】MiniPro STM32H750 开发指南_V1.1
- 【正点原子STM32连载】 第三十二章 内部温度传感器实验 摘自【正点原子】MiniPro STM32H750 开发指南_V1.1
