1)实验平台:正点原子领航者ZYNQ开发板 2)平台购买地址:https://item.taobao.com/item.htm?&id=606160108761 3)全套实验源码+手册+视频下载地址:http://www.openedv.com/thread-301505-1-1.html 4)对正点原子FPGA感兴趣的同学可以加群讨论:994244016 5)关注正点原子公众号,获取最新资料更新
OV5640同OV7725一样,都是OmniVision(豪威科技)公司生产的CMOS图像传感器。不同的是,OV5640支持更高的分辨率、采集速率,具有更高的图像处理性能,主要应用在手机、数码相机、电脑多媒体等领域。 在“基于OV7725的PL以太网视频传输实验”中,我们成功地在上位机显示软件上实时显示出了摄像头采集的图像。本章我们将使用ZYNQ开发板实现对OV5640的数字图像采集,并通过开发板上的PL以太网接口发送给上位机实时显示。 本章分为以下几个章节: 36.1 简介 36.2 实验任务 36.3 硬件设计 36.4 程序设计 36.5 下载验证 36.1 简介 OV5640是一款1/4英寸单芯片图像传感器,其感光阵列达到25921944(即500W像素),能实现最快15fps QSXVGA(25921944)或者90fps VGA(640*480)分辨率的图像采集。传感器采用OmniVision推出的OmniBSI(背面照度)技术,使传感器达到更高的性能,如高灵敏度、低串扰和低噪声。传感器内部集成了图像处理的功能,包括自动曝光控制(AEC)、自动白平衡(AWB)等。同时该传感器支持LED补光、MIPI(移动产业处理器接口)输出接口和DVP(数字视频并行)输出接口选择、ISP(图像信号处理)以及AFC(自动聚焦控制)等功能。 OV5640的功能框图如下图所示:
图 7.5.13.1 OV5640功能框图 由上图可知,时序发生器(timing generator)控制着感光阵列(image array)、放大器(AMP)、AD转换以及输出外部时序信号(VSYNC、HREF和PCLK),外部时钟XVCLK经过PLL锁相环后输出的时钟作为系统的控制时钟;感光阵列将光信号转化成模拟信号,经过增益放大器之后进入10位AD转换器;AD转换器将模拟信号转化成数字信号,并且经过ISP进行相关图像处理,最终输出所配置格式的10位视频数据流。增益放大器控制以及ISP等都可以通过寄存器(registers)来配置,配置寄存器的接口就是SCCB接口,该接口协议兼容IIC协议。 OV5640使用的是两线式SCCB接口总线,有关SCCB总线的详细介绍可以参考“基于OV7725的PL以太网视频传输实验”中OV7725简介部分。虽然OV5640和OV7725都是采用SCCB接口总线来配置寄存器,但不同的是,OV7725是用8位(1个字节)来表示寄存器地址,而OV5640是用16位(两个字节)表示寄存器地址。 OV5640 SCCB的写传输协议如下图所示:
图 7.5.13.2 OV5640 SCCB写传输协议 上图中的ID ADDRESS是由7位器件地址和1位读写控制位构成(0:写 1:读),OV5640的器件地址为7’h3c,所以在写传输协议中,ID Address(W)= 8’h78(器件地址左移1位,低位补0);Sub-address(H)为高8位寄存器地址,Sub-address(L)为低8位寄存器地址,在OV5640众多寄存器中,有些寄存器是可改写的,有些是只读的,只有可改写的寄存器才能正确写入;Write Data为8位写数据,每一个寄存器地址对应8位的配置数据。 在OV5640正常工作之前,必须先对传感器进行初始化,即通过配置寄存器使其工作在预期的工作模式,以及得到较好画质的图像。因为SCCB的写传输协议和IIC几乎相同,因此我们可以直接使用IIC的驱动程序来配置摄像头。当然这么多寄存器也并非都需要配置,很多寄存器可以采用默认的值。OV公司提供了OV5640的软件应用手册(OV5640 Software Application Note,位于开发板所随附的资料“7_硬件资料/4_OV5640资料/OV5640_camera_module_software_application_notes.pdf”),如果某些寄存器不知道如何配置可以参考此手册,下表是本程序用到的关键寄存器的配置说明。 表 36.1.1 OV5640关键寄存器配置说明 地址 (HEX) 寄存器 默认值 (HEX) 详细说明 0x3008 SYSTEM CTROL0 0x02 Bit[7]:软件复位 Bit[6]:软件电源休眠 0x3016 PAD OUTPUT ENABLE 00 0x00 Bit[1]:闪光灯输出使能 0x3017 PAD OUTPUT ENABLE 01 0x00 输入/输出控制(0:输入 1:输出) Bit[7]:FREX输出使能 Bit[6]:VSYNC输出使能 Bit[5]:HREF输出使能 Bit[4]:PCLK输出使能 Bit[3:0]:D[9:6]输出使能 0x3018 PAD OUTPUT ENABLE 02 0x00 输入/输出控制(0:输入 1:输出) Bit[7:2]:D[5:0]输出使能 Bit[1]:GPIO1输出使能 Bit[0]:GPIO0输出使能 0x3019 PAD OUTPUT VALUE 00 0x00 Bit[1]: 闪光灯操作 0:关闭闪光灯 1:打开闪光灯 0x301C PAD SELECT 00 0x00 Bit[1]:闪光灯IO选择 0x3035 SC PLL CONTRL1 0x11 Bit[7:4]:系统时钟分频,用于降低所有的时钟频率 Bit[3:0]:MIPI分频 0x3036 SC PLL CONTRL2 0x69 Bit[7:0]:PLL倍频器(4~252) 在4~127范围内支持任意整数分频 在128~252范围内仅支持偶数分频 0x3808 TIMING DVPHO 0x0A Bit[3:0]:DVP 输出水平像素点数高4位 0x3809 TIMING DVPHO 0x20 Bit[7:0]:DVP 输出水平像素点数低8位 0x380A TIMING DVPVO 0x07 Bit[2:0]:DVP输出垂直像素点数高3位 0x380B TIMING DVPVO 0x98 Bit[7:0]:输出垂直像素点数低8位 0x4300 FORMAT CONTROL 0xF8 Bit[7:4]:数据输出格式 0:RAW 1:Y8 2:YUV444/RGB888 3:YUV422 4:YUV420 5:YUV420(仅在MIPI输出接口有效) 6:RGB565 Bit[3:0]:输出顺序 0:{b[4:0],g[5:3]},{g[2:0],r[4:0]} 1:{r[4:0],g[5:3]},{g[2:0],b[4:0]} 2:{g[4:0],r[5:3]},{r[2:0],b[4:0]} 3:{b[4:0],r[5:3]},{r[2:0],g[4:0]} 4:{g[4:0],b[5:3]},{b[2:0],r[4:0]} 5:{r[4:0],b[5:3]},{b[2:0],g[4:0]} 6~14:不允许 15:{g[2:0],b[4:0]},{r[4:0],g[5:3]} 7:RGB555格式1 8:RGB555格式2 9:RGB444格式1 10:RGB444格式2 11~14:不允许 15:Bypass formatter module OV5640的寄存器较多,对于其它寄存器的描述可以参考OV5640的数据手册。需要注意的是,OV5640的数据手册并没有提供全部的寄存器描述,而大多数必要的寄存器配置在ov5640的软件应用手册中可以找到,可以结合这两个手册学习如何对OV5640进行配置。 输出图像参数设置 接下来,我们介绍一下OV5640的ISP输入窗口设置、预缩放窗口设置和输出大小窗口设置,这几个设置与我们的正常使用密切相关,有必要了解一下,它们的设置关系如下图所示:
图 7.5.13.3 图像窗口设置 ISP输入窗口设置(ISP Input Size)允许用户设置整个传感器显示区域(physical pixel size,26321951,其中25921944像素是有效的),开窗范围从00~26321951都可以任意设置。也就是上图中的X_ADDR_ST(寄存器地址0x3800、0x3801)、Y_ADDR_ST(寄存器地址0x3802、0x3803)、X_ADDR_END(寄存器地址0x3804、0x3805)和Y_ADDR_END(寄存器地址0x3806、0x3807)寄存器。该窗口设置范围中的像素数据将进入ISP进行图像处理。 预缩放窗口设置(pre-scaling size)允许用户在ISP输入窗口的基础上进行裁剪,用于设置将进行缩放的窗口大小,该设置仅在ISP输入窗口内进行X/Y方向的偏移。可以通过X_OFFSET(寄存器地址0x3810、0x3811)和Y_OFFSET(寄存器地址0x3812、0x3813)进行配置。 输出大小窗口设置(data output size)是在预缩放窗口的基础上,经过内部DSP进行缩放处理,并将处理后的数据输出给外部的图像窗口,图像窗口控制着最终的图像输出尺寸。可以通过X_OUTPUT_SIZE(寄存器地址0x3808、0x3809)和Y_OUTPUT_SIZE(寄存器地址0x380A、0x380B)进行配置。注意:当输出大小窗口与预缩放窗口比例不一致时,图像将进行缩放处理(图像变形),仅当两者比例一致时,输出比例才是1:1(正常图像)。 图 7.5.13.3中,右侧data output size区域,才是OV5640输出给外部的图像尺寸,也就是显示在显示器或者液晶屏上面的图像大小。输出大小窗口与预缩放窗口比例不一致时,会进行缩放处理,在显示器上面看到的图像将会变形。 输出像素格式 OV5640支持多种不同的数据像素格式,包括YUV(亮度参量和色度参量分开表示的像素格式)、RGB(其中RGB格式包含RGB565、RGB555等)以及RAW(原始图像数据),通过寄存器地址0x4300配置成不同的数据像素格式。 由于数据像素格式常用RGB565,我们这里也将ov5640配置为RGB565格式。由上表(表 36.1.1)可知,将寄存器0x4300寄存器的Bit[7:4]设置成0x6即可。OV5640支持调节RGB565输出格式中各颜色变量的顺序,对于我们常见的应用来说,一般是使用RGB或BGR序列。我们在“基于OV7725的PL以太网视频传输实验”的章节中介绍过,OV7725摄像头按照RGB的顺序输出,本章我们将OV5640输出的RGB565的颜色顺序和OV7725保持一致,将寄存器0x4300寄存器的Bit[3:0]设置成0x1。因此,“基于OV7725的PL以太网视频传输实验”章节中的图像采集模块可以直接用来采集OV5640输出的图像。 彩条测试模式 图像传感器配置成彩条测试模式后,会输出彩色的条纹,方便测试图像传感器是否正常工作,通过配置寄存器0x503d的Bit[7]位打开和关闭彩条模式。当需要打开彩条模式时,寄存器0x503d配置成0x80,关闭时配置成0x00,下图为打开彩条模式后图像输出的条纹。
图 7.5.13.4 彩条模式下的图像条纹 LED闪光灯 当外界环境光较暗时,传感器采集图像会受到较大影响,此时可以通过打开LED补光灯来弥补光照不足所带来的影响,就像手机在夜晚拍照时也会打开闪光灯来提高图像质量。通过配置寄存器0x3016=0x02,0x301c=0x02来使能LED补光灯功能;配置寄存器0x3019=0x02打开闪光灯,0x3019=0x00关闭闪光灯。 图像输出时序 接下来,我们介绍一下OV5640的图像数据输出时序,首先我们简单介绍一些定义。 QSXGA,这里指:分辨率为25921944的输出格式,类似的还有:QXGA(20481536)、UXGA(16001200)、SXGA(12801024)、WXGA(1440900)、WXGA(1280800)、XGA(1024768)、SVGA(800600)、VGA(640480)、QVGA(320240)和QQVGA(160120)等。 PCLK:像素时钟,一个PCLK时钟输出一个像素或者半个像素(像素数据的高8位或者低8位)。 VSYNC:帧同步信号。 HREF/HSYNC:行同步信号。 D[9:0]:像素数据,在RGB565格式中,只有高8位是有效的。 tPclk:一个时钟周期 。 tp:一个像素点的周期,在RGB565和YUV422输出格式下,tp=2tPclk;Raw输出格式下,tp=tPclk。 下图为OV5640输出图像数据的行时序图。
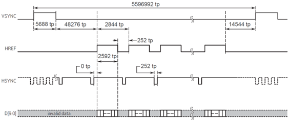
图 7.5.13.5 OV5640行时序图 从上图可以看出,传感器在HREF为高电平的时候输出图像数据,当HREF变高后,每一个 PCLK时钟,输出一个8位或者10位像素数据。比如我们采用QSXGA时序,RGB565格式输出,tp=2tPclk,每2个字节组成一个像素的颜色,这样每行总共输出25922个PCLK,也就是25922个字节。 再来看看帧时序(QSXGA模式,分辨率25921944),如下图所示:
图 7.5.13.6 OV5640 QSXGA帧时序 由上图可知,VSYNC的上升沿作为一帧的开始,高电平同步脉冲的时间为5688tp,紧接着等待48276tp时间后,HREF开始拉高,此时输出有效数据;HREF由2592tp个高电平和252tp个低电平构成;最后一行图像数据输出完成之后等待14544tp时间,一帧数据传输结束。所以输出一帧图像的时间实际上是tFrame = 5596992tp。 从OV5640的行时序图和帧时序图可以发现,其输出时序和OV7725是非常相似的,只是时间参数不同而已,大家可以参考“基于OV7725的PL以太网视频传输实验”中帧时序的介绍来学习OV5640的输出时序。 36.2 实验任务 本节实验任务是使用ZYNQ开发板及OV5640摄像头实现图像采集,并通过开发板上的以太网接口发送给上位机实时显示。 36.3 硬件设计 本次实验的硬件电路和“基于OV7725的PL以太网视频传输实验”中的硬件电路是基本相同的,都使用了领航者Zynq开发板上的摄像头扩展接口,IO管脚位置的配置也是一样的。 唯一的不同点在于,原先在“基于OV7725的PL以太网视频传输实验”中的Zynq输出给摄像头扩展接口的“cam_sgm_ctrl”信号,在本实验中变为了Zynq输出给OV5640的“电源休眠模式选择”信号cam_pwdn;且原来的cam_sgm_ctrl是我们需要一直赋值为高电平,但对于OV5640,cam_pwdn我们需要将其一直赋值为低电平,表示不休眠即正常工作模式。 OV5640摄像头的管脚分配如下表所示: 表 36.3.1 OV5640摄像头管脚分配 信号名 方向 管脚 端口说明 cam_pclk input W14 cmos 数据像素时钟 cam_vsync input U12 cmos 场同步信号 cam_href input T12 cmos 行同步信号 cam_rst_n output P14 cmos 复位信号,低电平有效 cam_pwdn output V15 cmos 电源休眠模式选择信号 cam_data[0] input R14 cmos 数据 cam_data[1] input U13 cmos 数据 cam_data[2] input V13 cmos 数据 cam_data[3] input U15 cmos 数据 cam_data[4] input U14 cmos 数据 cam_data[5] input W13 cmos 数据 cam_data[6] input V12 cmos 数据 cam_data[7] input Y14 cmos 数据 emio_sccb_tri_io [0] inout T10 cmos SCCB_SCL线 emio_sccb_tri_io [1] inout T11 cmos SCCB_SDA线 相关的管脚约束如下所示:
create_clock -period 20.000 -name sys_clk [get_ports sys_clk]
create_clock -period 8.000 -name eth_rxc [get_ports eth_rxc]
set_property -dict {PACKAGE_PIN U18 IOSTANDARD LVCMOS33} [get_ports sys_clk]
set_property -dict {PACKAGE_PIN N16 IOSTANDARD LVCMOS33} [get_ports sys_rst_n]
set_property -dict {PACKAGE_PIN G15 IOSTANDARD LVCMOS33} [get_ports eth_rst_n]
set_property -dict {PACKAGE_PIN K17 IOSTANDARD LVCMOS33} [get_ports eth_rxc]
set_property -dict {PACKAGE_PIN E17 IOSTANDARD LVCMOS33} [get_ports eth_rx_ctl]
set_property -dict {PACKAGE_PIN B19 IOSTANDARD LVCMOS33} [get_ports {eth_rxd[0]}]
set_property -dict {PACKAGE_PIN A20 IOSTANDARD LVCMOS33} [get_ports {eth_rxd[1]}]
set_property -dict {PACKAGE_PIN H17 IOSTANDARD LVCMOS33} [get_ports {eth_rxd[2]}]
set_property -dict {PACKAGE_PIN H16 IOSTANDARD LVCMOS33} [get_ports {eth_rxd[3]}]
set_property -dict {PACKAGE_PIN B20 IOSTANDARD LVCMOS33} [get_ports eth_txc]
set_property -dict {PACKAGE_PIN K18 IOSTANDARD LVCMOS33} [get_ports eth_tx_ctl]
set_property -dict {PACKAGE_PIN D18 IOSTANDARD LVCMOS33} [get_ports {eth_txd[0]}]
set_property -dict {PACKAGE_PIN C20 IOSTANDARD LVCMOS33} [get_ports {eth_txd[1]}]
set_property -dict {PACKAGE_PIN D19 IOSTANDARD LVCMOS33} [get_ports {eth_txd[2]}]
set_property -dict {PACKAGE_PIN D20 IOSTANDARD LVCMOS33} [get_ports {eth_txd[3]}]
#CAMERA
create_clock -period 40.000 -name cmos_pclk [get_ports cam_pclk]
set_property CLOCK_DEDICATED_ROUTE FALSE [get_nets cam_pclk_IBUF]
set_property -dict {PACKAGE_PIN W14 IOSTANDARD LVCMOS33} [get_ports cam_pclk]
set_property -dict {PACKAGE_PIN P14 IOSTANDARD LVCMOS33} [get_ports cam_rst_n]
set_property -dict {PACKAGE_PIN V15 IOSTANDARD LVCMOS33} [get_ports cam_sgm_ctrl]
set_property -dict {PACKAGE_PIN R14 IOSTANDARD LVCMOS33 IOB TRUE} [get_ports {cam_data[0]}]
set_property -dict {PACKAGE_PIN U13 IOSTANDARD LVCMOS33 IOB TRUE} [get_ports {cam_data[1]}]
set_property -dict {PACKAGE_PIN V13 IOSTANDARD LVCMOS33 IOB TRUE} [get_ports {cam_data[2]}]
set_property -dict {PACKAGE_PIN U15 IOSTANDARD LVCMOS33 IOB TRUE} [get_ports {cam_data[3]}]
set_property -dict {PACKAGE_PIN U14 IOSTANDARD LVCMOS33 IOB TRUE} [get_ports {cam_data[4]}]
set_property -dict {PACKAGE_PIN W13 IOSTANDARD LVCMOS33 IOB TRUE} [get_ports {cam_data[5]}]
set_property -dict {PACKAGE_PIN V12 IOSTANDARD LVCMOS33 IOB TRUE} [get_ports {cam_data[6]}]
set_property -dict {PACKAGE_PIN Y14 IOSTANDARD LVCMOS33 IOB TRUE} [get_ports {cam_data[7]}]
set_property -dict {PACKAGE_PIN U12 IOSTANDARD LVCMOS33} [get_ports cam_vsync]
set_property -dict {PACKAGE_PIN T12 IOSTANDARD LVCMOS33} [get_ports cam_href]
set_property -dict {PACKAGE_PIN T10 IOSTANDARD LVCMOS33} [get_ports cam_scl]
set_property -dict {PACKAGE_PIN T11 IOSTANDARD LVCMOS33} [get_ports cam_sda]
36.4 程序设计 图 7.5.13.1是根据本章实验任务画出的系统框图。对比“基于OV7725的以太网视频传输实验”的系统框图可以发现,我们只是把外设OV7725模块替换成了OV5640模块,其余模块基本相同(IIC配置模块有差异)。时钟IP核模块用于为IIC驱动模块、以太网顶层模块和开始传输控制模块提供驱动时钟。I2C驱动模块和I2C配置模块用于初始化OV5640图像传感器;摄像头采集模块负责采集摄像头图像数据,并且把图像数据连接至图像数据封装模块,图像数据封装模块将输入的图像数据进行位拼接,并添加图像的帧头和行场分辨率;以太网顶层模块实现以太网数据的收发;开始传输控制模块控制以太网顶层模块开始/停止发送数据。
图 7.5.13.1 系统框图 顶层模块的原理图如下图所示:
图 7.5.13.2 顶层模块原理图 FPGA顶层模块(ov5640_udp_pc)例化了以下七个模块:时钟IP核模块(clk_wiz_0)、I2C驱动模块(i2c_dri)、I2C配置模块(i2c_ov5640_rgb565_cfg)、摄像头图像采集模块(cmos_capture_data)、开始传输控制模块(start_transfer_ctrl)、图像数据封装模块(img_data_pkt)和以太网顶层模块模块(eth_top)。 时钟模块(clk_wiz_0):时钟IP核模块通过调用MMCM IP核来实现,总共输出2个时钟,频率分别为50Mhz和200Mhz时钟。50Mhz时钟作为IIC驱动模块的操作时钟;200Mhz时钟作为IDELAYCTRL源语的参考时钟。 I2C驱动模块(i2c_dri):I2C驱动模块负责驱动OV5640 SCCB接口总线,用户可根据该模块提供的用户接口可以很方便的对OV5640的寄存器进行配置,该模块和“EEPROM读写实验”章节中用到的I2C驱动模块为同一个模块,有关该模块的详细介绍请大家参考“EEPROM读写实验”章节。 I2C配置模块(i2c_ov5640_rgb565_cfg):I2C配置模块的驱动时钟是由I2C驱动模块输出的时钟提供的,这样方便了I2C驱动模块和I2C配置模块之间的数据交互。该模块寄存需要配置的寄存器地址、数据以及控制初始化的开始与结束,同时该模块输出OV5640的寄存器地址和数据以及控制I2C驱动模块开始执行的控制信号,直接连接到I2C驱动模块的用户接口,从而完成对OV5640传感器的初始化。 摄像头图像采集模块(cmos_capture_data):摄像头采集模块在像素时钟的驱动下将传感器输出的场同步信号、行同步信号以及8位数据转换成16位数据信号,完成对OV5640传感器图像的采集。 开始传输控制模块(start_transfer_ctrl):该模块解析以太网顶层模块接收到的数据,如果收到1个字节的ASCII码“1”,则表示以太网开始传输图像数据;如果收到1个字节的ASCII码“0”,则表示以太网停止传输图像数据。 图像数据封装模块(img_data_pkt):图像数据封装模块负责将输入16位的图像数据,拼接成32位数据,以及添加图像数据的帧头和行场分辨率。该模块控制着以太网发送模块发送的字节数,单次发送一行图像数据的字节数,模块内部例化了一个异步FIFO模块,用于缓存待发送的图像数据。 以太网顶层模块(eth_top):以太网顶层模块实现以太网通信的收发功能,有关该模块的详细介绍请大家参考“以太网UDP测试实验”章节。 顶层模块部分代码如下:
1 module ov5640_udp_pc(
2 input sys_clk , //系统时钟
3 input sys_rst_n , //系统复位信号,低电平有效
4 //以太网接口
5 input eth_rxc , //RGMII接收数据时钟
6 input eth_rx_ctl , //RGMII输入数据有效信号
7 input [3:0] eth_rxd , //RGMII输入数据
8 output eth_txc , //RGMII发送数据时钟
9 output eth_tx_ctl , //RGMII输出数据有效信号
10 output [3:0] eth_txd , //RGMII输出数据
11 output eth_rst_n , //以太网芯片复位信号,低电平有效
12
13 //摄像头接口
14 input cam_pclk , //cmos 数据像素时钟
15 input cam_vsync , //cmos 场同步信号
16 input cam_href , //cmos 行同步信号
17 input [7:0] cam_data , //cmos 数据
18 output cam_rst_n , //cmos 复位信号,低电平有效
19 output cam_pwdn , //电源休眠模式选择 0:正常模式 1:电源休眠模式
20 output cam_scl , //cmos SCCB_SCL线
21 inout cam_sda //cmos SCCB_SDA线
22 );
23
24 //parameter define
25 //开发板MAC地址 00-11-22-33-44-55
26 parameter BOARD_MAC = 48'h00_11_22_33_44_55;
27 //开发板IP地址 192.168.1.10
28 parameter BOARD_IP = {8'd192,8'd168,8'd1,8'd10};
29 //目的MAC地址 ff_ff_ff_ff_ff_ff
30 parameter DES_MAC = 48'hff_ff_ff_ff_ff_ff;
31 //目的IP地址 192.168.1.102
32 parameter DES_IP = {8'd192,8'd168,8'd1,8'd102};
33
34 parameter H_CMOS_DISP = 11'd640; //CMOS分辨率--行
35 parameter V_CMOS_DISP = 11'd480; //CMOS分辨率--列
36 parameter TOTAL_H_PIXEL = H_CMOS_DISP + 12'd1216; //水平总像素大小
37 parameter TOTAL_V_PIXEL = V_CMOS_DISP + 12'd504; //垂直总像素大小
38
39 parameter SLAVE_ADDR = 7'h3c ; //OV5640的器件地址7'h3c
40 parameter BIT_CTRL = 1'b1 ; //OV5640的字节地址为16位 0:8位 1:16位
41 parameter CLK_FREQ = 27'd50_000_000 ; //i2c_dri模块的驱动时钟频率
42 parameter I2C_FREQ = 20'd250_000 ; //I2C的SCL时钟频率,不超过400KHz
在代码的第24至32行定义了四个参量:开发板MAC地址BOARD_MAC,开发板IP地址 BOARD_IP,目的MAC地址DES_MAC(这里指PC MAC地址),目的IP地址 DES_IP(PC IP地址)。开发板的MAC地址和IP地址是我们随意定义的,只要不和目的MAC 地址和目的IP地址一样就可以,否则会产生地址冲突。目的MAC地址这里写的是公共MAC 地址(48’hff_ff_ff_ff_ff_ff),也可以修改成电脑网口的MAC地址,DES_IP是对应电脑以太网的IP地址,这里定义的四个参数是向下传递的,需要修改MAC地址或者IP地址时直接在这里修改即可,而不用在以太网顶层模块里面修改。 在代码的第34行至37行定义了CMOS水平/垂直方向像素个数和水平/垂直总像素个数,本次实验设置的摄像头分辨率为640*480。 在代码的第39行定义了OV5640的器件地址,其器件地址为7’h3c;第40行定义了寄存器地址的位宽,BIT_CTRL=0表示地址位宽为8位,BIT_CTRL=1表示地址位宽为16位。因为OV5640的地址位宽为16位,所以BIT_CTRL设置为1。
76 assign rst_n = sys_rst_n & locked;
77 //电源休眠模式选择 0:正常模式 1:电源休眠模式
78 assign cam_pwdn = 1'b0;
79 assign cam_rst_n = 1'b1;
80
81 //例化时钟IP核
82 clk_wiz_0 u_clk_wiz_0
83 (
84 .clk_out1 (clk_50m),
85 .clk_out2 (clk_200m),
86 .reset (~sys_rst_n),
87 .locked (locked),
88 .clk_in1 (sys_clk)
89 );
90
91 //I2C配置模块
92 i2c_ov5640_rgb565_cfg u_i2c_cfg(
93 .clk (i2c_dri_clk),
94 .rst_n (rst_n),
95 .i2c_done (i2c_done),
96 .i2c_data_r (i2c_data_r),
97 .cmos_h_pixel (H_CMOS_DISP),
98 .cmos_v_pixel (V_CMOS_DISP),
99 .total_h_pixel (TOTAL_H_PIXEL),
100 .total_v_pixel (TOTAL_V_PIXEL),
101 .i2c_exec (i2c_exec),
102 .i2c_data (i2c_data),
103 .i2c_rh_wl (i2c_rh_wl),
104 .init_done (cam_init_done)
105 );
106
107 //I2C驱动模块
108 i2c_dri
109 #(
110 .SLAVE_ADDR (SLAVE_ADDR), //参数传递
111 .CLK_FREQ (CLK_FREQ ),
112 .I2C_FREQ (I2C_FREQ )
113 )
114 u_i2c_dri(
115 .clk (clk_50m ),
116 .rst_n (rst_n ),
117 //i2c interface
118 .i2c_exec (i2c_exec ),
119 .bit_ctrl (BIT_CTRL ),
120 .i2c_rh_wl (i2c_rh_wl ),
121 .i2c_addr (i2c_data[23:8]),
122 .i2c_data_w (i2c_data[7:0]),
123 .i2c_data_r (i2c_data_r),
124 .i2c_done (i2c_done ),
125 .i2c_ack (),
126 .scl (cam_scl ),
127 .sda (cam_sda ),
128 //user interface
129 .dri_clk (i2c_dri_clk) //I2C操作时钟
130 );
131
132 //摄像头数据采集模块
133 cmos_capture_data u_cmos_capture_data(
134
135 .rst_n (rst_n & cam_init_done),
136 .cam_pclk (cam_pclk),
137 .cam_vsync (cam_vsync),
138 .cam_href (cam_href),
139 .cam_data (cam_data),
140 .cmos_frame_vsync (cmos_frame_vsync),
141 .cmos_frame_href (),
142 .cmos_frame_valid (img_data_en),
143 .cmos_frame_data (img_data)
144 );
OV5640摄像头配置模块和IIC驱动模块实现对OV5640摄像头的初始化,在初始化完成后拉高cam_init_done信号,此时开始通过摄像头数据采集模块接收摄像头输出的图像数据(如程序中第135行代码所示),将输入的8位数据转换成16位RGB565数据。
146 //开始传输控制模块
147 start_transfer_ctrl u_start_transfer_ctrl(
148 .clk (eth_rx_clk),
149 .rst_n (rst_n),
150 .udp_rec_pkt_done (udp_rec_pkt_done),
151 .udp_rec_en (udp_rec_en ),
152 .udp_rec_data (udp_rec_data ),
153 .udp_rec_byte_num (udp_rec_byte_num),
154
155 .transfer_flag (transfer_flag) //图像开始传输标志,1:开始传输 0:停止传输
156 );
157
158 //图像封装模块
159 img_data_pkt u_img_data_pkt(
160 .rst_n (rst_n),
161
162 .cam_pclk (cam_pclk),
163 .img_vsync (cmos_frame_vsync),
164 .img_data_en (img_data_en),
165 .img_data (img_data),
166 .transfer_flag (transfer_flag),
167 .eth_tx_clk (eth_tx_clk ),
168 .udp_tx_req (udp_tx_req ),
169 .udp_tx_done (udp_tx_done ),
170 .udp_tx_start_en (udp_tx_start_en),
171 .udp_tx_data (udp_tx_data ),
172 .udp_tx_byte_num (udp_tx_byte_num)
173 );
174
175 //以太网顶层模块
176 eth_top #(
177 .BOARD_MAC (BOARD_MAC), //参数例化
178 .BOARD_IP (BOARD_IP ),
179 .DES_MAC (DES_MAC ),
180 .DES_IP (DES_IP )
181 )
182 u_eth_top(
183 .sys_rst_n (rst_n ), //系统复位信号,低电平有效
184 .clk_200m (clk_200m),
185 //以太网RGMII接口
186 .eth_rxc (eth_rxc ), //RGMII接收数据时钟
187 .eth_rx_ctl (eth_rx_ctl), //RGMII输入数据有效信号
188 .eth_rxd (eth_rxd ), //RGMII输入数据
189 .eth_txc (eth_txc ), //RGMII发送数据时钟
190 .eth_tx_ctl (eth_tx_ctl), //RGMII输出数据有效信号
191 .eth_txd (eth_txd ), //RGMII输出数据
192 .eth_rst_n (eth_rst_n ), //以太网芯片复位信号,低电平有效
193
194 .gmii_rx_clk (eth_rx_clk),
195 .gmii_tx_clk (eth_tx_clk),
196 .udp_tx_start_en (udp_tx_start_en),
197 .tx_data (udp_tx_data),
198 .tx_byte_num (udp_tx_byte_num),
199 .udp_tx_done (udp_tx_done),
200 .tx_req (udp_tx_req ),
201 .rec_pkt_done (udp_rec_pkt_done),
202 .rec_en (udp_rec_en ),
203 .rec_data (udp_rec_data ),
204 .rec_byte_num (udp_rec_byte_num)
205 );
206
207 endmodule
在代码的第147行至156行例化了开始传输控制模块,由该模块端口可知,输入端口信号为以太网接收到的数据,而输出信号为图像开始传输标志(transfer_flag)。transfer_flag信号用于控制以太网发送图像数据的开始和停止,连接至图像数据封装模块。 在代码的第159行至173行例化了图像数据封装模块,该模块输入的端口信号为摄像头图像数据,而输出的udp_tx_start_en(以太网开始发送信号)和udp_tx_byte_num(发送的字节数)连接至以太网顶层模块的以太网发送控制端口,从而控制以太网的UDP发送模块开始发送图像数据。 开始传输控制模块和图像数据封装模块在“基于OV7725的以太网视频传输实验”章节中程序设计部分有着详细的介绍,如果大家对此模块不是很了解的话,请参考“基于OV7725的以太网视频传输实验”章节。 OV5640和OV7725的寄存器配置差异较大,首先是OV5640是用16位数据来表示寄存器地址,而OV7725用8位数据表示寄存器地址。其次是OV5640集成更强大的图像处理功能,为了使OV5640输出比较清晰的图像,需要配置的寄存器更多。OV5640的寄存器配置模块部分代码如下:
1 module i2c_ov5640_rgb565_cfg
2 (
3 input clk , //时钟信号
4 input rst_n , //复位信号,低电平有效
5
6 input [7:0] i2c_data_r, //I2C读出的数据
7 input i2c_done , //I2C寄存器配置完成信号
8 input [12:0] cmos_h_pixel ,
9 input [12:0] cmos_v_pixel ,
10 input [12:0] total_h_pixel, //水平总像素大小
11 input [12:0] total_v_pixel, //垂直总像素大小
12 output reg i2c_exec , //I2C触发执行信号
13 output reg [23:0] i2c_data , //I2C要配置的地址与数据(高16位地址,低8位数据)
14 output reg i2c_rh_wl, //I2C读写控制信号
15 output reg init_done //初始化完成信号
16 );
17
18 //parameter define
19 localparam REG_NUM = 8'd250 ; //总共需要配置的寄存器个数
20
21 //reg define
22 reg [14:0] start_init_cnt; //等待延时计数器
23 reg [7:0] init_reg_cnt ; //寄存器配置个数计数器
24
25 //*****************************************************
26 //** main code
27 //*****************************************************
28
29 //SCL配置成250KHz,输入的clk时钟频率为1Mhz,周期为1us 20000*1us = 20ms
30 //OV5640上电到开始配置SCCB至少等待20ms
31 always @(posedge clk or negedge rst_n) begin
32 if(!rst_n)
33 start_init_cnt
关注
打赏
- 【正点原子STM32连载】第四十三章 摄像头实验 摘自【正点原子】MiniPro STM32H750 开发指南_V1.1
- 【正点原子STM32连载】第四十二章 FLASH模拟EEPROM实验 摘自【正点原子】MiniPro STM32H750 开发指南_V1.1
- 【正点原子STM32连载】第四十章 DHT11数字温湿度传感器 摘自【正点原子】MiniPro STM32H750 开发指南_V1.1
- 【正点原子STM32连载】第三十九章 DS18B20数字温度传感器实验 摘自【正点原子】MiniPro STM32H750 开发指南_V1.1
- 【正点原子STM32连载】第三十七章 触摸屏实验 摘自【正点原子】MiniPro STM32H750 开发指南_V1.1
- 【正点原子STM32连载】第三十六章 QSPI实验 摘自【正点原子】MiniPro STM32H750 开发指南_V1.1
- 【正点原子STM32连载】第三十五章 IIC实验 摘自【正点原子】MiniPro STM32H750 开发指南_V1.1
- 【正点原子STM32连载】 第三十四章 DAC实验 摘自【正点原子】MiniPro STM32H750 开发指南_V1.1
- 【正点原子STM32连载】 第三十三章 光敏传感器实验 摘自【正点原子】MiniPro STM32H750 开发指南_V1.1
- 【正点原子STM32连载】 第三十二章 内部温度传感器实验 摘自【正点原子】MiniPro STM32H750 开发指南_V1.1
