1)实验平台:正点原子MiniPro H750开发板 2)平台购买地址:https://detail.tmall.com/item.htm?id=677017430560 3)全套实验源码+手册+视频下载地址:http://www.openedv.com/thread-336836-1-1.html 4)对正点原子STM32感兴趣的同学可以加群讨论:879133275
第二十五章 TFTLCD(MCU屏)实验前面我们介绍了OLED模块及其显示,但是该模块只能显示单色/双色,不能显示彩色,而且尺寸也较小。本章我们将介绍正点原子的TFT LCD模块(MCU屏),该模块采用TFTLCD面板,可以显示16位色的真彩图片。在本章中,我们将使用开发板底板上的TFTLCD接口(仅支持MCU屏,本章仅介绍MCU屏的使用),来点亮TFTLCD,并实现ASCII字符和彩色的显示等功能,并在串口打印LCD控制器ID,同时在LCD上面显示。 本章分为如下几个小节: 25.1 TFTLCD和FMC简介 25.2 硬件设计 25.3 程序设计 25.4 下载验证
25.1 TFTLCD和FMC简介本章我们将通过STM32H750的FMC接口来控制TFTLCD的显示,所以本节分为两个部分,分别介绍TFTLCD和FMC。 25.1.1 TFTLCD简介 液晶显示器,即Liquid Crystal Display,利用了液晶导电后透光性可变的特性,配合显示器光源、彩色滤光片和电压控制等工艺,最终可以在液晶阵列上显示彩色的图像。目前液晶显示技术以TN、STN、TFT三种技术为主,TFT-LCD即采用了TFT(Thin Film Transistor)技术的液晶显示器,也叫薄膜晶体管液晶显示器。 TFT-LCD与无源TN-LCD、STN-LCD的简单矩阵不同的是,它在液晶显示屏的每一个象素上都设置有一个薄膜晶体管(TFT),可有效地克服非选通时的串扰,使显示液晶屏的静态特性与扫描线数无关,因此大大提高了图像质量。TFT式显示器具有很多优点:高响应度,高亮度,高对比度等等。TFT式屏幕的显示效果非常出色,广泛应用于手机屏幕、笔记本电脑和台式机显示器上。 由于液晶本身不会发光,加上液晶本身的特性等原因,使得液晶屏的成像角受限,我们从屏幕的的一侧可能无法看清液晶的显示内容。液晶显示器的成像角的大小也是评估一个液晶显示器优劣的指标,目前,规格较好的液晶显示器成像角一般在120°~160°之间。 正点原子TFT-LCD模块(MCU屏)有如下特点: 1,2.8’/3.5’/4.3’/7’等4种大小的屏幕可选。 2,320×240的分辨率(3.5’分辨率为:320480,4.3’和7’分辨率为:800480)。 3,16位真彩显示。 4,自带触摸屏,可以用来作为控制输入。 本章,我们以正点原子2.8寸(此处的寸是代表英寸,下同)的TFT-LCD模块为例介绍,(其他尺寸的LCD可参考具体的LCD型号的资料,也比较类似),该模块支持65K色显示,显示分辨率为320×240,接口为16位的8080并口,自带触摸功能。 该模块的外观图如图25.1.1.1所示:
图25.1.1.1 正点原子2.8寸TFTLCD外观图 模块原理图如图25.1.1.2所示:
图25.1.1.2 正点原子2.8寸TFTLCD模块原理图 TFTLCD模块采用2*17的2.54公排针与外部连接,即图中TFT_LCD部分。从图25.1.1.2可以看出,正点原子TFTLCD模块采用16位的并方式与外部连接。图25.1.1.2还列出了触摸控制的接口,但触摸控制是在显示的基础上叠加的一个控制功能,不配置也不会对显示造成影响,我们放到以后的章节再介绍触摸的用法。该模块与显示功能有关的信号线如表25.1.1.1:
表25.1.1.1 TFT-LCD接口信号线 上述的接口线实际是对应到液晶显示控制器上的,这个芯片位于液晶屏的下方,所以我们从外观图上看不到。控制LCD显示的过程,就是按其显示驱动芯片的时序,把色彩和位置信息正确地写入对应的寄存器。 25.1.2 液晶显示控制器 正点原子提供2.8/3.5/4.3/7寸等4种不同尺寸和分辨率的TFTLCD模块,其驱动芯片为:ILI9341/ST7789/NT35310/NT35510/SSD1963等(具体的型号,大家可以通过下载本章实验代码,通过串口或者LCD显示查看),这里我们仅以ILI9341控制器为例进行介绍,其他的控制基本都类似,我们就不详细阐述了。 ILI9341液晶控制器自带显存,可配置支持8/9/16/18位的总线中的一种,可以通过3/4线串行协议或8080并口驱动。正点原子的TFTLCD模块上的电路配置为8080并口方式,其显存总大小为172800(24032018/8),即18位模式(26万色)下的显存量。在16位模式下,ILI9341采用RGB565格式存储颜色数据,此时ILI9341的18位显存与MCU的16位数据线以及RGB565的对应关系如图25.1.2.1所示:
图25.1.2.1 16位数据与显存对应关系图 从图中可以看出,ILI9341在16位模式下面,18位显存的B0和B12并没有用到,对外的数据线使用DB0-DB15连接MCU的D0-D15实现16位颜色的传输(使用8080 MCU 16bit I型接口,详见9341数据手册7.1.1节)。 这样MCU的16位数据,最低5位代表蓝色,中间6位为绿色,最高5位为红色。数值越大,表示该颜色越深。另外,特别注意ILI9341所有的指令都是8位的(高8位无效),且参数除了读写GRAM的时候是16位,其他操作参数,都是8位的。 知道了屏幕的显色信息后,我们如何驱动它呢?OLED的章节我们已经描述过8080方式操作的时序,我们通过《ILI9341_DS.pdf》来加深一下在8080并口方式下如何操作这个芯片。 以写周期为例,8080方式下的操作时序如图25.1.2.2所示。
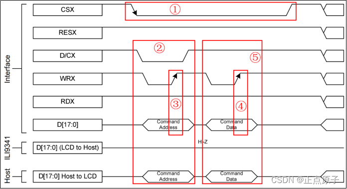
图25.1.2.2 8080方式下对液晶控制器的写操作 上图中的各个控制线与我们在表25.1.1.1提到的命名有些许差异,因为我们在原理图时往往为了方便自己记忆会对命名进行微调,为了方便读者对照,我们把图25.1.2.2中列出的引脚引脚与我们的TFTLCD模块的的对应关系再列出,如表25.1.2.1所示。
表25.1.2.1 TFT-LCD引脚与液晶控制器的对应关系 这下我们再来分析一下图25.1.2.2所示的写操作的时序,控制液晶的主机,在整个写周期内需要控制片选CSX拉低(标注为①),之后对其它的控制线的电平才有效。在标号②表示的这个写命令周期中,D/CX被位低(参考ILI9341的引脚定义),同时把命令码通过数据线D[17:0](我们实际只用了16个引脚)按位编码。注意到③处,需要数据线在入电平拉高后再操持一段时间以便数据被正确采样。 图25.1.2.2中⑤表示写数据操作,与前面描述的写命令操作只有D/CX的操作不同,读者们可以尝试自己分析一下。更多的关于ILI9341的读写操作时序则参考《ILI9341_DS.pdf》。 通过前述的时序分析,我们知道了对于ILI9341来说,控制命令有命令码、数据码之分,接下来,我们介绍一下ILI9341的几个重要命令。因为ILI9341的命令很多,我们这里就不全部介绍了,有兴趣的大家可以找到ILI9341的datasheet看看。里面对这些命令有详细的介绍。我们将介绍:0xD3,0x36,0x2A,0x2B,0x2C,0x2E等6条指令。 指令0xD3,是读ID4指令,用于读取LCD控制器的ID,该指令如表25.1.2.2所示:
表25.1.2.2 0xD3指令描述 从上表可以看出,0xD3指令后面跟了4个参数,最后2个参数,读出来是0x93和0x41,刚好是我们控制器ILI9341的数字部分,从而,通过该指令,即可判别所用的LCD驱动器是什么型号,这样,我们的代码,就可以根据控制器的型号去执行对应驱动IC的初始化代码,从而兼容不同驱动IC的屏,使得一个代码支持多款LCD。 接下来看指令:0x36,这是存储访问控制指令,可以控制ILI9341存储器的读写方向,简单的说,就是在连续写GRAM的时候,可以控制GRAM指针的增长方向,从而控制显示方式(读GRAM也是一样)。该指令如表25.1.2.3所示:
表25.1.2.3 0x36指令描述 从上表可以看出,0x36指令后面,紧跟一个参数,这里主要关注:MY、MX、MV这三个位,通过这三个位的设置,我们可以控制整个ILI9341的全部扫描方向,如表25.1.2.4所示:
表25.1.2.4 MY、MX、MV设置与LCD扫描方向关系表 这样,我们在利用ILI9341显示内容的时候,就有很大灵活性了,比如显示BMP图片,BMP解码数据,就是从图片的左下角开始,慢慢显示到右上角,如果设置LCD扫描方向为从左到右,从下到上,那么我们只需要设置一次坐标,然后就不停的往LCD填充颜色数据即可,这样可以大大提高显示速度。 实验中,我们默认使用从左到右,从上到下的扫描方式。 接下来看指令:0x2A,这是列地址设置指令,在从左到右,从上到下的扫描方式(默认)下面,该指令用于设置横坐标(x坐标),该指令如表25.1.2.5所示:
表25.1.2.5 0x2A指令描述 在默认扫描方式时,该指令用于设置x坐标,该指令带有4个参数,实际上是2个坐标值:SC和EC,即列地址的起始值和结束值,SC必须小于等于EC,且0≤SC/EC≤239。一般在设置x坐标的时候,我们只需要带2个参数即可,也就是设置SC即可,因为如果EC没有变化,我们只需要设置一次即可(在初始化ILI9341的时候设置),从而提高速度。 与0X2A指令类似,指令:0X2B,是页地址设置指令,在从左到右,从上到下的扫描方式(默认)下面,该指令用于设置纵坐标(y坐标)。该指令如表25.1.2.6所示:
表25.1.2.6 0X2B指令描述 在默认扫描方式时,该指令用于设置y坐标,该指令带有4个参数,实际上是2个坐标值:SP和EP,即页地址的起始值和结束值,SP必须小于等于EP,且0≤SP/EP≤319。一般在设置y坐标的时候,我们只需要带2个参数即可,也就是设置SP即可,因为如果EP没有变化,我们只需要设置一次即可(在初始化ILI9341的时候设置),从而提高速度。 接下来看指令:0X2C,该指令是写GRAM指令,在发送该指令之后,我们便可以往LCD的GRAM里面写入颜色数据了,该指令支持连续写,指令描述如表25.1.2.7所示。 顺序 控制 各位描述 HEX RS RD WR D15~D8 D7 D6 D5 D4 D3 D2 D1 D0 指令 0 1 ↑ XX 0 0 1 0 1 1 0 0 2CH 参数1 1 1 ↑ D1[15:0] XX …… 1 1 ↑ D2[15:0] XX 参数n 1 1 ↑ Dn[15:0] XX 表25.1.2.7 0X2C指令描述 由表25.1.2.6可知,在收到指令0X2C之后,数据有效位宽变为16位,我们可以连续写入LCD GRAM值,而GRAM的地址将根据MY/MX/MV设置的扫描方向进行自增。例如:假设设置的是从左到右,从上到下的扫描方式,那么设置好起始坐标(通过SC,SP设置)后,每写入一个颜色值,GRAM地址将会自动自增1(SC++),如果碰到EC,则回到SC,同时SP++,一直到坐标:EC,EP结束,其间无需再次设置的坐标,从而大大提高写入速度。 最后,来看看指令:0X2E,该指令是读GRAM指令,用于读取ILI9341的显存(GRAM),该指令在ILI9341的数据手册上面的描述是有误的,真实的输出情况如表25.1.2.8所示: 顺序 控制 各位描述 HEX RS RD WR D15~D11 D10~D8 D7 D6 D5 D4 D3 D2 D1 D0 指令 0 1 ↑ XX 0 0 1 0 1 1 1 0 2EH 参数1 1 ↑ 1 XX dummy 参数2 1 ↑ 1 R1[4:0] XX G1[5:0] XX R1G1 参数3 1 ↑ 1 B1[4:0] XX R2[4:0] XX B1R2 参数4 1 ↑ 1 G2[5:0] XX B2[4:0] XX G2B2 参数5 1 ↑ 1 R3[4:0] XX G3[5:0] XX R3G3 参数N 1 ↑ 1 按以上规律输出 表25.1.2.8 0X2E指令描述 该指令用于读取GRAM,如表25.1.2.7所示,ILI9341在收到该指令后,第一次输出的是dummy数据,也就是无效的数据,第二次开始,读取到的才是有效的GRAM数据(从坐标:SC,SP开始),输出规律为:每个颜色分量占8个位,一次输出2个颜色分量。比如:第一次输出是R1G1,随后的规律为:B1R2G2B2R3G3B3R4G4B4R5G5…以此类推。如果我们只需要读取一个点的颜色值,那么只需要接收到参数3即可,如果要连续读取(利用GRAM地址自增,方法同上),那么就按照上述规律去接收颜色数据。 以上,就是操作ILI9341常用的几个指令,通过这几个指令,我们便可以很好的控制ILI9341显示我们所要显示的内容了。 25.1.3 FMC简介 STM32H750xx系列芯片都带有FMC接口,即可变存储存储控制器,能够与同步或异步存储器、SDRAM存储器和NAND FLASH等连接,STM32H750的FMC接口支持包括SRAM、SDRAM、NAND FLASH、NOR FLASH和PSRAM等存储器。FMC的框图如图25.1.3.1所示:
图25.1.3.1 FMC框图 从上图我们可以看出,STM32H750的FMC将外部设备分为3类:NOR/PSRAM设备、NAND设备和SDRAM设备。他们共用地址数据总线等信号,他们具有不同的CS以区分不同的设备,比如本章我们用到的TFTLCD就是用的FMC_NE1做片选,其实就是将TFTLCD当成SRAM来控制。 图中的fmc_hclk时钟来自AHB3,例程设置为240Mhz,该时钟用于寄存器访问。而fmc_ker_ck时钟来自RCC_D1CCIPR寄存器FMCSEL[1:0]的设置,如图25.1.3.2所示:
图25.1.3.2 RCC_D1CCIPR寄存器各位描述 在sys.c文件夹的sys_stm32_clock_init时钟设置初始化函数中,我们通过配置HAL_RCCEx_PeriphCLKConfig函数设置了RCC_D1CCIPR寄存器的FMCSEL[1:0]位为10,即选择pll2_r_ck作为fmc_ker_ck时钟,为220Mhz。所以,fmc_ker_ck=220Mhz。 另外,需要注意:图25.1.2.1中的32bit AHB总线仅用于访问FMC的寄存器,而64bit AXI总线则用于访问相关存储器。因此访问FMC寄存器和访问外部存储器,是通过不同的总线访问的。 这里我们介绍下为什么可以把TFTLCD当成SRAM设备用:首先我们了解下外部SRAM的连接,外部SRAM的控制一般有:地址线(如A0A18)、数据线(如D0D15)、写信号(WE)、读信号(OE)、片选信号(CS),如果SRAM支持字节控制,那么还有UB/LB信号。而TFTLCD的信号我们在25.1.1节有介绍,包括:RS、D0D15、WR、RD、CS、RST和BL等,其中真正在操作LCD的时候需要用到的就只有:RS、D0D15、WR、RD和CS。其操作时序和SRAM的控制完全类似,唯一不同就是TFTLCD有RS信号,但是没有地址信号。 TFTLCD通过RS信号来决定传送的数据是数据还是命令,本质上可以理解为一个地址信号,比如我们把RS接在A0上面,那么当FMC控制器写地址0的时候,会使得A0变为0,对TFTLCD来说,就是写命令。而FMC写地址1的时候,A0将会变为1,对TFTLCD来说,就是写数据了。这样,就把数据和命令区分开了,他们其实就是对应SRAM操作的两个连续地址。当然RS也可以接在其他地址线上,我们的开发板把RS连接在A19上面的。 STM32H750的FMC支持8/16/32位数据宽度,我们这里用到的LCD是16位宽度的,所以在设置的时候,选择16位宽就OK了。我们再来看看FMC的外部设备地址映像,STM32H750的FMC将外部存储器划分为6个固定大小为256M字节的存储区域,如图25.1.3.3所示:
图25.1.3.3 FMC存储块地址映像 从上图可以看出,FMC总共管理1.5GB空间,拥有6个存储块(Bank),每个存储块256MB空间。本章,我们把TFTLCD当成SRAM设备来使用,所以用到的是存储块1。下面我们仅讨论存储块1的相关配置,其他块的配置,请参考《STM32H7xx参考手册_V3(中文版).pdf》第22章(690页)的相关介绍。 STM32H750的FMC存储块1(Bank1)被分为4个区,每个区管理64M字节空间,每个区都有独立的寄存器对所连接的存储器进行配置。Bank1的256M字节空间由28根地址线(ADDR[27:0])寻址。 这里ADDR是内部AXI地址总线,其中ADDR[25:0]来自外部存储器地址FMC_A[25:0],而ADDR[26:27]对4个区进行寻址。如表25.1.3.1所示: Bank1所选区 片选信号 地址范围 ADDR [27:26] [25:0] 第1区 FMC_NE1 0X6000,0000~63FF,FFFF 00 FMC_A[25:0] 第2区 FMC_NE2 0X6400,0000~67FF,FFFF 01 第3区 FMC_NE3 0X6800,0000~6BFF,FFFF 10 第4区 FMC_NE4 0X6C00,0000~6FFF,FFFF 11 表25.1.3.1 Bank1存储区选择表 ADDR[25:0]位包含外部存储器的地址,由于ADDR为字节地址,而存储器按字寻址,所以,根据存储器数据宽度的不同,实际上向存储器发送的地址也有所不同,如表25.1.3.2所示:
表25.1.3.2 NOR/PSRAM外部存储器地址 因此,FMC内部ADDR与存储器寻址地址的实际对应关系就是: 当接的是32位宽度存储器的时候:ADDR[25:2] FMC_A [23:0]。 当接的是16位宽度存储器的时候:ADDR[25:1] FMC_A [24:0]。 当接的是8位宽度存储器的时候:ADDR[25:0] FMC_A [25:0]。 不论外部接8位/16位/32位宽设备,FMC_A[0]永远接在外部设备地址A[0]。 这里,TFTLCD使用的是16位数据宽度,所以ADDR[0]并没有用到,只有ADDR[25:1]是有效的,对应关系变为:ADDR[25:1] FMC_A[24:0],相当于右移了一位,这里请大家特别留意。另外,ADDR[27:26]的设置,是不需要我们干预的,比如:当你选择使用Bank1的第一个区,即使用FMC_NE1来连接外部设备的时候,即对应了ADDR[27:26]=00,我们要做的就是配置对应第1区的寄存器组,来适应外部设备。STM32H750的FMC各Bank配置寄存器如表25.1.3.3所示: 内部控制器 存储块 管理的地址范围 支持的设备类型 配置寄存器 NOR FLASH/PSRAM 控制器 Bank1 0X6000,0000~ 0X6FFF,FFFF SRAM/ROM NOR FLASH PSRAM FMC_BCR1/2/3/4 FMC_BTR1/2/2/3 FMC_BWTR1/2/3/4 SDRAM 控制器 Bank2 0X7000,0000~ 0X7FFF,FFFF SDRAM 同Bank5/Bank6 NAND FLASH 控制器 Bank3 0X8000,0000~ 0X8FFF,FFFF NAND FLASH FMC_PCR/FMC_SR FMC_PMEM/FMC_PATT FMC_ECCR 保留 Bank4 0X9000,0000~ 0X9FFF,FFFF 保留 保留 SDRAM 控制器 Bank5 0XC000,0000~ 0XCFFF,FFFF SDRAM FMC_SDCR1/2 FMC_SDTR1/2 FMC_SDCMR FMC_SDRTR FMC_SDSR Bank6 0XD000,0000~ 0XDFFF,FFFF SDRAM 表25.1.3.3 FMC各Bank配置寄存器表 对于NOR FLASH控制器,主要是通过FMC_BCRx、FMC_BTRx和FMC_BWTRx寄存器设置(其中x=1~4,对应4个区)。通过这3个寄存器,可以设置FMC访问外部存储器的时序参数,拓宽了可选用的外部存储器的速度范围。FMC的NOR FLASH控制器支持同步和异步突发两种访问方式。选用同步突发访问方式时,FMC将fmc_ker_ck时钟(FMC内核时钟)分频后,发送给外部存储器作为同步时钟信号FMC_CLK。此时需要的设置的时间参数有2个: 1,fmc_ker_ck与FMC_CLK的分频系数(CLKDIV),可以为2~16分频; 2,同步突发访问中获得第1个数据所需要的等待延迟(DATLAT)。 对于异步突发访问方式,FMC主要设置3个时间参数:地址建立时间(ADDSET)、数据建立时间(DATAST)和地址保持时间(ADDHLD)。FMC综合了SRAM、PSRAM和NOR Flash产品的信号特点,定义了4种不同的异步时序模型。选用不同的时序模型时,需要设置不同的时序参数,如表25.1.3.4所列:
时序模型 简单描述 时间参数 异步 Mode1 SRAM/CRAM时序 DATAST、ADDSET ModeA SRAM/CRAM OE选通型时序 DATAST、ADDSET Mode2/B NOR FLASH时序 DATAST、ADDSET ModeC NOR FLASH OE选通型时序 DATAST、ADDSET ModeD 延长地址保持时间的异步时序 DATAST、ADDSET、ADDHLD 同步突发 根据同步时钟FMC_CK读取 多个顺序单元的数据 CLKDIV、DATLAT 表25.1.3.4 NOR FLASH/PSRAM控制器支持的时序模型 在实际扩展时,根据选用存储器的特征确定时序模型,从而确定各时间参数与存储器读/写周期参数指标之间的计算关系;利用该计算关系和存储芯片数据手册中给定的参数指标,可计算出FMC所需要的各时间参数,从而对时间参数寄存器进行合理的配置。 本章,我们使用异步模式A(ModeA)方式来控制TFTLCD,模式A的读操作时序如图25.1.3.4所示:
图25.1.3.4 模式A读操作时序图 模式A支持独立的读写时序控制,这个对我们驱动TFTLCD来说非常有用,因为TFTLCD在读的时候,一般比较慢,而在写的时候可以比较快,如果读写用一样的时序,那么只能以读的时序为基准,从而导致写的速度变慢,或者在读数据的时候,重新配置FMC的延时,在读操作完成的时候,再配置回写的时序,这样虽然也不会降低写的速度,但是频繁配置,比较麻烦。而如果有独立的读写时序控制,那么我们只要初始化的时候配置好,之后就不用再配置,既可以满足速度要求,又不需要频繁改配置。 模式A的写操作时序如图25.1.3.5所示:
图25.1.3.5 模式A写操作时序 图25.1.2.4和图25.1.2.5中的ADDSET与DATAST,是通过不同的寄存器设置的,接下来我们讲解一下Bank1的几个控制寄存器。 25.1.4 FMC寄存器 NOR/PSRAM控制寄存器1/2/3/4(FMC_BCR1/2/3/4) SRAM/NOR闪存片选控制寄存器:FMC_BCRx(x=1~4),该寄存器描述如图25.1.4.1所示:
图25.1.4.1 FMC_BCRx寄存器各位描述(部分) 该寄存器我们在本章用到的设置有:FMCEN、EXTMOD、WREN、MWID[1:0]、MTYP[1:0]和MBKEN这几个设置,我们将逐个介绍。 FMCEN:FMC使能位。我们要使用FMC驱动TFTLCD就必须设置该位为1,不过只有FMC_BCR1的FMCEN位有效,FMC_BCR2~4的FMCEN位无效,统一由FMC_BCR1的FMCEN位控制。 EXTMOD:扩展模式使能位,也就是是否允许读写不同的时序,很明显,我们本章需要读写不同的时序,故该位需要设置为1。 WREN:写使能位。我们需要向TFTLCD写数据,故该位必须设置为1。 MWID[1:0]:存储器数据总线宽度。00,表示8位数据模式;01表示16位数据模式;10表示32位数据模式;11保留。我们的TFTLCD是16位数据线,所以设置WMID[1:0]=01。 MTYP[1:0]:存储器类型。00表示SRAM;01表示PSRAM;10表示NOR FLASH/OneNAND FLASH;11保留。前面提到,我们把TFTLCD当成SRAM用,所以需要设置MTYP[1:0]=00。 MBKEN:存储块使能位。我们需要用到该存储块控制TFTLCD,所以要使能该存储块。 SRAM/NOR-Flash片选时序寄存器1/2/3/4 (FMC_BTR1/2/3/4) SRAM/NOR闪存片选时序寄存器:FMC_BTRx(x=1~4),该寄存器描述如图25.1.4.2所示:
图25.1.4.2 FMC_BTRx寄存器各位描述 这个寄存器包含了每个存储器块的控制信息,可以用于SRAM和NOR闪存存储器等。如果FMC_BCRx寄存器中设置了EXTMOD位,则有两个时序寄存器分别对应读(本寄存器)和写操作(FMC_BWTRx寄存器)。因为我们要求读写分开时序控制,所以EXTMOD是使能了的,也就是本寄存器是读操作时序寄存器,控制读操作的相关时序。本章我们要用到的设置有:ACCMOD、DATAST和ADDSET这三个设置。 ACCMOD[1:0]:访问模式。00表示访问模式A;01表示访问模式B;10表示访问模式C;11表示访问模式D,本章我们用到模式A,故设置为00。 DATAST[7:0]:数据保持时间。0为保留设置,其他设置则代表保持时间为: DATAST个fmc_ker_ck时钟周期,最大为255个。对ILI9341来说,其实就是RD低电平持续时间,一般为355ns。而一个fmc_ker_ck时钟周期为4.5ns左右(1/220Mhz),为了兼容其他屏,我们这里设置DATAST为78,也就是78个fmc_ker_ck周期,时间大约是351ns(略超,但不影响使用)。 ADDSET[3:0]:地址建立时间。其建立时间为:ADDSET个fmc_ker_ck周期,最大为15个。对ILI9341来说,这里相当于RD高电平持续时间,为90ns,我们设置ADDSET为最大15,即15*4.3=67.5ns(略超,但不影响使用)。 SRAM/NOR-Flash写入时序寄存器1/2/3/4 (FMC_BWTR1/2/3/4) SRAM/NOR闪写时序寄存器:FMC_BWTRx(x=1~4),该寄存器描述如图25.1.4.3所示:
图25.1.4.3 FMC_BWTRx寄存器各位描述 该寄存器在本章用作写操作时序控制寄存器,需要用到的设置同样是:ACCMOD、DATAST和ADDSET这三个设置。这三个设置的方法同FMC_BTRx一模一样,只是这里对应的是写操作的时序,ACCMOD设置同FMC_BTRx一模一样,同样是选择模式A,另外DATAST和ADDSET则对应WR的低电平和高电平持续时间,对ILI9341来说,这两个时间只需要15ns就够了,比读操作快得多。所以我们这里设置DATAST为3,即3个fmc_ker_ck周期,时间约为13.5ns。然后ADDSET设置为3,也是13.5ns。(略超,但不影响使用) 至此,我们对STM32H750的FMC介绍就差不多了,关于FMC的详细介绍,请大家参考《STM32H7xx参考手册_V7(英文版).pdf》第21章。通过以上两个小节的了解,我们可以开始写LCD的驱动代码了。注意:在MDK的寄存器定义里面,并没有定义FMC_BCRx、FMC_BTRx、FMC_BWTRx等这个单独的寄存器,而是将他们进行了一些组合。 FMC_BCRx和FMC_BTRx,组合成BTCR[8]寄存器组,他们的对应关系如下: BTCR[0]对应FMC_BCR1,BTCR[1]对应FMC_BTR1 BTCR[2]对应FMC_BCR2,BTCR[3]对应FMC_BTR2 BTCR[4]对应FMC_BCR3,BTCR[5]对应FMC_BTR3 BTCR[6]对应FMC_BCR4,BTCR[7]对应FMC_BTR4 FMC_BWTRx则组合成BWTR[7],他们的对应关系如下: BWTR[0]对应FMC_BWTR1,BWTR[2]对应FMC_BWTR2, BWTR[4]对应FMC_BWTR3,BWTR[6]对应FMC_BWTR4, BWTR[1]、BWTR[3]和BWTR[5]保留,没有用到。 通过对FMC相关的寄存器的描述,大家对FMC的原理有了一定的认识,如果还不熟悉的朋友,请一定要搜索网络资料理解FMC的原理。 一般TFTLCD模块的使用流程如图25.1.1.5:
图25.1.1.5 TFTLCD使用流程 任何LCD,使用流程都可以简单的用以上流程图表示。其中硬复位和初始化序列,只需要执行一次即可。而画点流程就是:设置坐标写GRAM指令写入颜色数据,然后在LCD上面,我们就可以看到对应的点显示我们写入的颜色了。读点流程为:设置坐标读GRAM指令读取颜色数据,这样就可以获取到对应点的颜色数据了。 以上只是最简单的操作,也是最常用的操作,有了这些操作,一般就可以正常使用TFTLCD了。接下来我们将该模块用来来显示字符和数字,通过以上介绍,我们可以得出TFTLCD显示需要的相关设置步骤如下: 1)设置STM32H750与TFTLCD模块相连接的IO。 这一步,先将我们与TFTLCD模块相连的IO口进行初始化,以便驱动LCD,这里我们用到的是FMC。 2)初始化TFTLCD模块。 即图25.1.1.5的初始化序列,这里我们没有硬复位LCD,因为开发板的LCD接口将TFTLCD的RST同STM32H750的RESET连接在一起了,只要按下开发板的RESET键,就会对LCD进行硬复位。初始化序列,就是向LCD控制器写入一系列的设置值(比如伽马校准),这些初始化序列一般LCD供应商会提供给客户,我们直接使用这些序列即可,不需要深入研究。在初始化之后,LCD才可以正常使用。 3)通过函数将字符和数字显示到TFTLCD模块上。 这一步则通过图25.1.1.5左侧的流程,即:设置坐标写GRAM指令写GRAM来实现,但是这个步骤,只是一个点的处理,我们要显示字符/数字,就必须要多次使用这个步骤,从而达到显示字符/数字的目的,所以需要设计一个函数来实现数字/字符的显示,之后调用该函数,就可以实现数字/字符的显示了。 25.2 硬件设计
- 例程功能 使用开发板的MCU屏接口连接正点原子 TFTLCD模块(仅限MCU屏模块),实现TFTLCD模块的显示。通过把LCD模块插入底板上的TFTLCD模块接口,按下复位之后,就可以看到LCD模块不停的显示一些信息并不断切换底色。同时该实验会显示LCD驱动器的ID,并且会在串口打印(按复位一次,打印一次)。LED0闪烁用于提示程序正在运行。
- 硬件资源 1)RGB灯 RED :LED0 - PB4 2)串口1(PA9/PA10连接在板载USB转串口芯片CH340上面) 3)正点原子2.8/3.5/4.3/7/10寸TFTLCD模块(仅限MCU屏,16位8080并口驱动)
- 原理图 TFTLCD模块的电路见图25.1.1.2,而开发板的LCD接口和正点原子TFTLCD模块直接可以对插,开发板上的LCD接口如图25.2.1所示:
图25.2.1 TFTLCD模块与开发板对接的LCD接口示意图 TFTLCD模块与开发板的连接原理图如图25.2.1.2所示。
图25.2.1 TFTLCD模块与开发板的连接原理图 在硬件上,TFTLCD模块与开发板的IO口对应关系如下:
LCD_BL(背光控制)对应PB5; LCD_CS对应PD7,即FMC_NE1; LCD _RS对应PE3,即FMC_A19; LCD _WR对应PD5,即FMC_NEW; LCD _RD对应PD4,即FMC_NOE; LCD _D[15:0]则直接连接在FMC_D15~FMC_D0;
这些线的连接,开发板的内部已经连接好了,我们只需要将TFTLCD模块插上去就好了。 25.3 程序设计 25.3.1 FMC和SRAM的HAL库驱动 SRAM和FMC在HAL库中的驱动代码在stm32h7xx_ii_fmc.c/stm32h7xx_hal_sram.c以及stm32h7xx_ii_fmc.h/stm32h7xx_hal_sram.h中。
- HAL_SRAM_Init函数 SRAM的初始化函数,其声明如下: HAL_StatusTypeDef HAL_SRAM_Init(SRAM_HandleTypeDef *hsram, FMC_NORSRAM_TimingTypeDef *Timing, FMC_NORSRAM_TimingTypeDef *ExtTiming); 函数描述: 用于初始化 SRAM,注意这个函数不限制一定是SRAM,只要时序类似,均可使用。前面说过,这里我们把LCD当作SRAM使用,因为他们时序类似。 函数形参: 形参1是SRAM_HandleTypeDef结构体类型指针变量,其定义如下:
typedef struct
{
FMC_NORSRAM_TypeDef *Instance; /* 寄存器基地址 */
FMC_NORSRAM_EXTENDED_TypeDef *Extended; /* 扩展模式寄存器基地址 */
FMC_NORSRAM_InitTypeDef Init; /* SRAM设备控制配置结构体 */
HAL_LockTypeDef Lock; /* SRAM锁定对象 */
__IO HAL_SRAM_StateTypeDef State; /* SRAM设备访问状态 */
MDMA_HandleTypeDef *hmdma; /* 指针DMA处理配置 */
}SRAM_HandleTypeDef;
1)Instance:指向FMC寄存器基地址。本实验我们使用异步模式A(ModeA)方式来控制TFTLCD,使用的存储块是Bank1,所以寄存器基地址Instance我们直接写FMC_Bank1_R即可,因为HAL库定义好了宏定义FMC_NORSRAM_DEVICE,也就是如果是SRAM设备,直接填写这个宏定义标识符即可。 2)Extended:指向FMC扩展模式寄存器基地址,因为我们要配置的读写时序是不一样的,前面讲的FMC_BCRx寄存器的EXTMOD位我们会配置为1允许读写不同的时序,所以还要指定写操作时序寄存器地址,也就是通过参数Extended来指定的,这里设置为FMC_Bank1E_R即可,同样HAL库定义了FMC_NORSRAM_EXTENDED_DEVICE,直接填写这个宏定义标识符即可。 3)Init:用于配置FMC外接SRAM或者相同时序设备时的基本参数,是我们接触最多的参数。 4)Lock:用于配置锁状态。 5)State:SRAM设备访问状态。 6)hmdma:用于配置关联MAMA句柄。 其中成员变量Init是FMC_NORSRAM_InitTypeDef结构体指针类型,该变量才是真正用来设置SRAM控制接口参数的。下面详细了解这个结构体定义: typedef struct { uint32_t NSBank; /* 存储区块号 / uint32_t DataAddressMux; / 地址/数据复用使能 / uint32_t MemoryType; / 存储器类型 / uint32_t MemoryDataWidth; / 存储器数据宽度 / uint32_t BurstAccessMode; / 使能或者禁止突发模式 / uint32_t WaitSignalPolarity; / 设置等待信号的极性 / uint32_t WaitSignalActive; / 等待状态之前或等待状态期间 / uint32_t WriteOperation; / 存储器写使能 / uint32_t WaitSignal; / 使能或者禁止通过等待信号来插入等待状态 / uint32_t ExtendedMode; / 使能或者禁止使能扩展模式 / uint32_t AsynchronousWait; / 用于异步传输期间,使能或者禁止等待信号 / uint32_t WriteBurst; / 用于使能或者禁止异步的写突发操作 / uint32_t ContinuousClock; / 使能或者禁止FMC时钟输出到外部存储设备 / uint32_t WriteFifo; / 使能或者禁止写 FIFO / uint32_t PageSize; / 设置页大小 / }FMC_NORSRAM_InitTypeDef; NSBank用来指定使用到的存储块区号,前面讲过,我们是使用的存储块区号1,所以选择值为FMC_NORSRAM_BANK1。 DataAddressMux用来设置是否使能地址/数据复用,该变量仅对NOR/PSRAM有效,所以这里我们选择不使能地址/数据复用值FMC_DATA_ADDRESS_MUX_DISABLE即可。 MemoryType用来设置存储器类型,这里我们把LCD当SRAM使用,所以设置为FMC_MEMORY_TYPE_SRAM即可。 MemoryDataWidth用来设置存储器数据总线宽度,可选8位还是16位,这里我们选择16位数据宽度FMC_NORSRAM_MEM_BUS_WIDTH_16。 WriteOperation用来设置存储器写使能,也就是是否允许写入。毫无疑问我们会进行存储器写操作,所以这里设置为FMC_WRITE_OPERATION_ENABLE。 ExtendedMode用来设置是否使能扩展模式,也就是是否允许读写使用不同时序,前面讲解过本实验读写采用不同时序,所以设置值为使能值FMC_EXTENDED_MODE_ENABLE。 ContinuousClock用来设置启用/禁止FMC时钟输出到外部存储设备,这里仅当使用FMC_BCR1寄存器的时候需要启用,启用值为FMC_CONTINUOUS_CLOCK_SYNC_ASYNC。 其他参数WriteBurst,BurstAccessMode,WaitSignalPolarity,WaitSignalActive,WaitSignal,AsynchronousWait等是用在突发访问和异步时序情况下,这里我们不做过多讲解。 形参2 Timing和形参3 ExtTiming都是FMC_NORSRAM_TimingTypeDef结构体类型指针变量,其定义如下: typedef struct { uint32_t AddressSetupTime; / 地址建立时间 / uint32_t AddressHoldTime; / 地址保持时间 / uint32_t DataSetupTime; / 数据建立时间 / uint32_t BusTurnAroundDuration; / 总线周转阶段的持续时间 / uint32_t CLKDivision; / CLK时钟输出信号的周期 / uint32_t DataLatency; / 同步突发NOR FLASH的数据延迟 / uint32_t AccessMode; / 异步模式配置 */ }FMC_NORSRAM_TimingTypeDef; 对于本实验,读速度比写速度慢得多,因此读写时序不一样,所以对于Timing和ExtTiming要设置了不同的值,其中Timing设置写时序参数,ExtTiming设置读时序参数。 下面解析一下结构体的成员变量: AddressSetupTime用来设置地址建立时间。 AddressHoldTime用来设置地址保持时间。 DataSetupTime用来设置数据建立时间。 BusTurnAroundDuration用来配置总线周转阶段的持续时间。 CLKDivision用来配置CLK时钟输出信号的周期,以HCLK周期数表示。 DataLatency用来设置同步突发NOR FLASH的数据延迟。 AccessMode用来设置异步模式,取值范围为FMC_ACCESS_MODE_A、FMC_ACCESS_ MODE_B,、FMC_ACCESS_MODE_C和FMC_ACCESS_MODE_D,这里我们用是异步模式A,所以取值为FMC_ACCESS_MODE_A。 函数返回值: HAL_StatusTypeDef枚举类型的值。 注意事项: 和其他外设一样,HAL库也提供了SRAM的初始化MSP回调函数,函数声明如下: void HAL_SRAM_MspInit(SRAM_HandleTypeDef *hsram) ; 2. FMC_NORSRAM_Extended_Timing_Init函数 FMC_NORSRAM_Extended_Timing_Init函数是初始化扩展时序模式函数。其声明如下: HAL_StatusTypeDef FMC_NORSRAM_Extended_Timing_Init( FMC_NORSRAM_EXTENDED_TypeDef *Device, FMC_NORSRAM_TimingTypeDef *Timing, uint32_t Bank, uint32_t ExtendedMode); 函数描述: 该函数用于初始化扩展时序模式。 函数形参: 形参1是FMC_NORSRAM_EXTENDED_TypeDef结构体类型指针变量,扩展模式寄存器基地址选择。 形参2是FMC_NORSRAM_TimingTypeDef结构体类型指针变量,可以是读或者写时序结构体。 形参3是储存区块号。 形参4是使能或者禁止扩展模式。 函数返回值: HAL_StatusTypeDef枚举类型的值。 注意事项: 该函数我们用于重新配置写或者读时序。 FMC驱动LCD显示配置步骤 1)使能FMC和相关GPIO时钟,并设置好GPIO工作模式 我们通过FMC控制LCD,所以先需要使能FMC以及相关GPIO口的时钟,并设置好GPIO的工作模式。 2)设置FMC参数 这里我们需要设置FMC的相关访问参数(数据位宽、访问时序、工作模式等),以匹配液晶驱动IC,这里我们通过HAL_SRAM_Init函数完成FMC参数配置,详见本例程源码。 3)初始化LCD 由于我们例程兼容了很多种液晶驱动IC,所以先要读取对应IC的驱动型号,然后根据不同的IC型号来调用不同的初始化函数,完成对LCD的初始化。 注意:这些初始化函数里面的代码,都是由LCD厂家提供,一般不需要改动,也不需要深究,我们直接照抄即可。 4)实现LCD画点&读点函数 在初始化LCD完成以后,我们就可以控制LCD显示了,而最核心的一个函数,就是画点和读点函数,只要实现这两个函数,后续的各种LCD操作函数,都可以基于这两个函数实现。 5)实现其他LCD操作函数 在完成画点和读点两个最基础的LCD操作函数以后,我们就可以基于这两个函数实现各种LCD操作函数了,比如画线、画矩形、显示字符、显示字符串、显示数字等,如果不够用还可以根据自己需要来添加。详见本例程源码。 25.3.2 程序流程图
图25.3.2.1 TFTLCD(MCU屏)实验程序流程图 25.3.3 程序解析
- LCD驱动代码 这里我们只讲解核心代码,详细的源码请大家参考光盘本实验对应源码。LCD驱动源码包括四个文件:lcd.c、lcd.h、lcd_ex.c和lcdfont.h。 lcd.c和lcd.h文件是驱动函数和引脚接口宏定义以及函数声明等。lcd_ex.c存放各个LCD驱动IC的寄存器初始化部分代码,是lcd.c文件的补充文件,起到简化lcd.c文件的作用。lcdfont.h头文件存放了4种字体大小不一样的ASCII字符集(1212、1616、2424和3232)。这个跟oledfont.h头文件一样的,只是这里多了3232的ASCII字符集,制作方法请回顾OLED实验。 下面我们还是先介绍lcd.h文件,首先是LCD的引脚定义: /*****************************************************************************/ / LCD RST/WR/RD/BL/CS/RS 引脚 定义
- LCD_D0~D15,由于引脚太多,就不在这里定义了,直接在lcd_init里面修改.所以在移植的时候,除了
- 改这6个IO口, 还得改lcd_init里面的D0~D15所在的IO口. */
/* RESET 和系统复位脚共用 所以这里不用定义 RESET引脚 / //#define LCD_RST_GPIO_PORT GPIOX //#define LCD_RST_GPIO_PIN GPIO_PIN_X //#define LCD_RST_GPIO_CLK_ENABLE() do{ __HAL_RCC_GPIOx_CLK_ENABLE(); }while(0) / 所在IO口时钟使能 */
#define LCD_WR_GPIO_PORT GPIOD #define LCD_WR_GPIO_PIN GPIO_PIN_5 #define LCD_WR_GPIO_CLK_ENABLE() do{ __HAL_RCC_GPIOD_CLK_ENABLE(); }while(0) /* 所在IO口时钟使能 */
#define LCD_RD_GPIO_PORT GPIOD #define LCD_RD_GPIO_PIN GPIO_PIN_4 #define LCD_RD_GPIO_CLK_ENABLE() do{ __HAL_RCC_GPIOD_CLK_ENABLE(); }while(0) /* 所在IO口时钟使能 */
#define LCD_BL_GPIO_PORT GPIOB #define LCD_BL_GPIO_PIN GPIO_PIN_5 #define LCD_BL_GPIO_CLK_ENABLE() do{ __HAL_RCC_GPIOB_CLK_ENABLE(); }while(0) /* 所在IO口时钟使能 */
/* LCD_CS(需要根据LCD_FMC_NEX设置正确的IO口) 和 LCD_RS (需要根据LCD_FMC_AX设置正确的IO口) 引脚 定义 / #define LCD_CS_GPIO_PORT GPIOD #define LCD_CS_GPIO_PIN GPIO_PIN_7 #define LCD_CS_GPIO_CLK_ENABLE() do{ __HAL_RCC_GPIOD_CLK_ENABLE(); }while(0) / 所在IO口时钟使能 */
#define LCD_RS_GPIO_PORT GPIOE #define LCD_RS_GPIO_PIN GPIO_PIN_3 #define LCD_RS_GPIO_CLK_ENABLE() do{ __HAL_RCC_GPIOE_CLK_ENABLE(); }while(0) /* 所在IO口时钟使能 */
/* FMC相关参数 定义
- 注意: 我们默认是通过FMC块1来连接LCD, 块1有4个片选: FMC_NE1~4
- 修改LCD_FMC_NEX, 对应的LCD_CS_GPIO相关设置也得改
- 修改LCD_FMC_AX , 对应的LCD_RS_GPIO相关设置也得改 / #define LCD_FMC_NEX 1 / 使用FMC_NE1接LCD_CS,取值范围只能是: 1~4 / #define LCD_FMC_AX 19 / 使用FMC_A19接LCD_RS,取值范围是: 0 ~ 25 / /*****************************************************************************/ 第一部分的宏定义是LCD RST/WR/RD/BL/CS/RS 引脚定义,需要注意的是:LCD的RST引脚和系统复位脚连接在一起,所以不用单独使用一个IO口(节省一个IO口)。 第二部分的宏定义是LCD_FMC_NEX和LCD_FMC_AX,这两个宏定义是为计算LCD的基地址LCD_BASE而定义的。其中LCD_FMC_NEX是FMC的存储区块号,取值范围只能是: 1~4,因为LCD的驱动用到块1,所以我们默认取值为1。而LCD_FMC_AX是对应LCD_RS引脚的IO口的复用功能,开发板上LCD RS引脚硬件连接PE3,PE3要复用为FMC_A19引脚。所以LCD_FMC_AX定义为19,19对应着FMC_A19,取值范围是: 0 ~ 25。 下面介绍我们在lcd.h里面定义的一个重要的结构体: / LCD重要参数集 / typedef struct { uint16_t width; / LCD 宽度 / uint16_t height; / LCD 高度 / uint16_t id; / LCD ID / uint8_t dir; / 横屏还是竖屏控制:0,竖屏;1,横屏。 / uint16_t wramcmd; / 开始写gram指令 / uint16_t setxcmd; / 设置x坐标指令 / uint16_t setycmd; / 设置y坐标指令 */ } _lcd_dev;
/* LCD参数 / extern _lcd_dev lcddev; / 管理LCD重要参数 */
/* LCD的画笔颜色和背景色 / extern uint32_t g_point_color; / 默认红色 / extern uint32_t g_back_color; / 背景颜色.默认为白色 / 该结构体用于保存一些LCD重要参数信息,比如LCD的长宽、LCD ID(驱动IC型号)、LCD横竖屏状态等,这个结构体虽然占用了十几个字节的内存,但是却可以让我们的驱动函数支持不同尺寸的LCD,同时可以实现LCD横竖屏切换等重要功能,所以还是利大于弊的。最后声明_lcd_dev结构体类型变量lcddev,lcddev在lcd.c中定义。 紧接着就是g_point_color和g_back_color变量的声明,它们也是在lcd.c中被定义。g_point_color变量用于保存LCD的画笔颜色,g_back_color则是保存LCD的背景色。 下面是LCD背光控制IO口的宏定义: / LCD背光控制 / #define LCD_BL(x) do{ x ? HAL_GPIO_WritePin(LCD_BL_GPIO_PORT, LCD_BL_GPIO_PIN, GPIO_PIN_SET) : HAL_GPIO_WritePin(LCD_BL_GPIO_PORT, LCD_BL_GPIO_PIN, GPIO_PIN_RESET); }while(0) 我们知道TFTLCD的RS接在FMC的A19(即PE3)上面,CS接在FMC_NE1(即PD7)上,并且是16位数据总线。我们使用的是FMC存储器1的第1区,所以我们定义如下LCD操作结构体: / LCD地址结构体 */ typedef struct { volatile uint16_t LCD_REG; volatile uint16_t LCD_RAM; } LCD_TypeDef;
/* LCD_BASE的详细解算方法:
- 我们一般使用FMC的块1(BANK1)来驱动TFTLCD液晶屏(MCU屏), 块1地址范围总大小为256MB,
- 均分成4块:
- 存储块1(FMC_NE1)地址范围: 0X6000 0000 ~ 0X63FF FFFF
- 存储块2(FMC_NE2)地址范围: 0X6400 0000 ~ 0X67FF FFFF
- 存储块3(FMC_NE3)地址范围: 0X6800 0000 ~ 0X6BFF FFFF
- 存储块4(FMC_NE4)地址范围: 0X6C00 0000 ~ 0X6FFF FFFF
- 我们需要根据硬件连接方式选择合适的片选(连接LCD_CS)和地址线(连接LCD_RS)
- H750开发板使用FMC_NE1连接LCD_CS, FMC_A19连接LCD_RS ,16位数据线,计算方法如下:
- 首先FMC_NE1的基地址为: 0X6000 0000; NEx的基址为(x=1/2/3/4): 0X6000 0000 + (0X400 0000 * (x - 1))
- FMC_A19对应地址值: 2^19 * 2 = 0X100000; FMC_Ay对应的地址为(y=0~25): 2^y * 2
- LCD->LCD_REG,对应LCD_RS = 0(LCD寄存器); LCD->LCD_RAM,对应LCD_RS = 1(LCD数据)
- 则 LCD->LCD_RAM的地址为: 0X6000 0000 + 2^19 * 2 = 0X6010 0000
- LCD->LCD_REG的地址可以为 LCD->LCD_RAM之外的任意地址.
- 由于我们使用结构体管理LCD_REG 和 LCD_RAM(REG在前,RAM在后,均为16位数据宽度)
- 因此 结构体的基地址(LCD_BASE) = LCD_RAM - 2 = 0X6010 0000 -2
- 更加通用的计算公式为((片选脚FMC_NEx)x=1/2/3/4, (RS接地址线FMC_Ay)y=0~25):
-
LCD_BASE = (0X6000 0000 + (0X400 0000 * (x - 1))) | (2^y * 2 -2) -
等效于(使用移位操作) -
LCD_BASE = (0X6000 0000 + (0X400 0000 * (x - 1))) | ((1 LCD_REG = CMD; / 写命令 / LCD->LCD_RAM = DATA; / 写数据 / 而读的时候反过来操作就可以了,如下所示: CMD = LCD->LCD_REG; / 读LCD寄存器 / DATA = LCD->LCD_RAM; / 读LCD数据 / 这其中,CS、WR、RD和IO口方向都是由FMC硬件自动控制,不需要我们手动设置了。 最后是一些其他的宏定义,包括LCD扫描方向和颜色,以及SSD1963相关配置参数。 下面开始对lcd.c文件介绍,先看LCD初始化函数,其定义如下: /-
@brief 初始化LCD
-
@note 该初始化函数可以初始化各种型号的LCD(详见本.c文件最前面的描述)
-
@param 无
-
@retval 无 */ void lcd_init(void) { GPIO_InitTypeDef gpio_init_struct; FMC_NORSRAM_TimingTypeDef fmc_read_handle; FMC_NORSRAM_TimingTypeDef fmc_write_handle;
LCD_CS_GPIO_CLK_ENABLE(); /* LCD_CS脚时钟使能 / LCD_WR_GPIO_CLK_ENABLE(); / LCD_WR脚时钟使能 / LCD_RD_GPIO_CLK_ENABLE(); / LCD_RD脚时钟使能 / LCD_RS_GPIO_CLK_ENABLE(); / LCD_RS脚时钟使能 / LCD_BL_GPIO_CLK_ENABLE(); / LCD_BL脚时钟使能 */
gpio_init_struct.Pin = LCD_CS_GPIO_PIN; gpio_init_struct.Mode = GPIO_MODE_AF_PP; /* 推挽复用 / gpio_init_struct.Pull = GPIO_PULLUP; / 上拉 / gpio_init_struct.Speed = GPIO_SPEED_FREQ_VERY_HIGH; / 高速 / gpio_init_struct.Alternate = GPIO_AF12_FMC; / 复用为FMC / HAL_GPIO_Init(LCD_CS_GPIO_PORT, &gpio_init_struct); / 初始化LCD_CS引脚 */
gpio_init_struct.Pin = LCD_WR_GPIO_PIN; HAL_GPIO_Init(LCD_WR_GPIO_PORT, &gpio_init_struct); /* 初始化LCD_WR引脚 */
gpio_init_struct.Pin = LCD_RD_GPIO_PIN; HAL_GPIO_Init(LCD_RD_GPIO_PORT, &gpio_init_struct); /* 初始化LCD_RD引脚 */
gpio_init_struct.Pin = LCD_RS_GPIO_PIN; HAL_GPIO_Init(LCD_RS_GPIO_PORT, &gpio_init_struct); /* 初始化LCD_RS引脚 */
gpio_init_struct.Pin = LCD_BL_GPIO_PIN; gpio_init_struct.Mode = GPIO_MODE_OUTPUT_PP; /* 推挽输出 / HAL_GPIO_Init(LCD_BL_GPIO_PORT, &gpio_init_struct);/ LCD_BL引脚模式设置 */
g_sram_handle.Instance = FMC_NORSRAM_DEVICE; g_sram_handle.Extended = FMC_NORSRAM_EXTENDED_DEVICE;
g_sram_handle.Init.NSBank = FMC_NORSRAM_BANK1; /* 使用NE1 / / 不复用数据线 / g_sram_handle.Init.DataAddressMux = FMC_DATA_ADDRESS_MUX_DISABLE; g_sram_handle.Init.MemoryType = FMC_MEMORY_TYPE_SRAM; / SRAM / / 16位数据宽度 / g_sram_handle.Init.MemoryDataWidth = FMC_NORSRAM_MEM_BUS_WIDTH_16; / 是否使能突发访问,仅对同步突发存储器有效,此处未用到 / g_sram_handle.Init.BurstAccessMode = FMC_BURST_ACCESS_MODE_DISABLE; / 等待信号的极性,仅在突发模式访问下有用 / g_sram_handle.Init.WaitSignalPolarity = FMC_WAIT_SIGNAL_POLARITY_LOW; / 存储器是在等待周期之前的一个时钟周期还是等待周期期间使能NWAIT / g_sram_handle.Init.WaitSignalActive = FMC_WAIT_TIMING_BEFORE_WS; / 存储器写使能 / g_sram_handle.Init.WriteOperation = FMC_WRITE_OPERATION_ENABLE; / 等待使能位,此处未用到 / g_sram_handle.Init.WaitSignal = FMC_WAIT_SIGNAL_DISABLE; / 读写使用不同的时序 / g_sram_handle.Init.ExtendedMode = FMC_EXTENDED_MODE_ENABLE; / 是否使能同步传输模式下的等待信号,此处未用到 / g_sram_handle.Init.AsynchronousWait = FMC_ASYNCHRONOUS_WAIT_DISABLE; g_sram_handle.Init.WriteBurst = FMC_WRITE_BURST_DISABLE; / 禁止突发写 */ g_sram_handle.Init.ContinuousClock = FMC_CONTINUOUS_CLOCK_SYNC_ASYNC;
/* FMC读时序控制寄存器 / / 地址建立时间(ADDSET)为15个fmc_ker_ck 1/220M=4.5ns15=67.5ns / fmc_read_handle.AddressSetupTime = 0x15; / 数据保存时间(DATAST)为78个fmc_ker_ck=4.578=351ns / fmc_read_handle.AddressHoldTime = 0x00; / 因为液晶驱动IC的读数据的时候,速度不能太快,尤其是个别奇葩芯片 / fmc_read_handle.DataSetupTime = 0x78; fmc_read_handle.AccessMode = FMC_ACCESS_MODE_A; / 模式A */
/* FMC写时序控制寄存器 / / 地址建立时间(ADDSET)为15个fmc_ker_ck=67.5ns / fmc_write_handle.AddressSetupTime = 0x15; / 数据保存时间(DATAST)为15个fmc_ker_ck=67.5ns */ fmc_write_handle.AddressHoldTime = 0x00; /*15个fmc_ker_ck(fmc_ker_ck=220Mhz),某些液晶驱动IC的写信号脉宽,最少也得50ns / fmc_write_handle.DataSetupTime = 0x15; fmc_write_handle.AccessMode = FMC_ACCESS_MODE_A; / 模式A */ HAL_SRAM_Init(&g_sram_handle, &fmc_read_handle, &fmc_write_handle); delay_ms(50);
/* 尝试9341 ID的读取 */ lcd_wr_regno(0XD3); lcddev.id = lcd_rd_data(); /* dummy read */ lcddev.id = lcd_rd_data(); /* 读到0X00 */ lcddev.id = lcd_rd_data(); /* 读取0X93 */ lcddev.id 8); lcd_wr_data(x & 0XFF); lcd_wr_data((lcddev.width - 1) >> 8); lcd_wr_data((lcddev.width - 1) & 0XFF); } lcd_wr_regno(lcddev.setycmd); lcd_wr_data(y >> 8); lcd_wr_data(y & 0XFF); lcd_wr_data((lcddev.height - 1) >> 8); lcd_wr_data((lcddev.height - 1) & 0XFF); } else if (lcddev.id == 0X5510) { lcd_wr_regno(lcddev.setxcmd); lcd_wr_data(x >> 8); lcd_wr_regno(lcddev.setxcmd + 1); lcd_wr_data(x & 0XFF); lcd_wr_regno(lcddev.setycmd); lcd_wr_data(y >> 8); lcd_wr_regno(lcddev.setycmd + 1); lcd_wr_data(y & 0XFF); } else /* 9341/5310/7789 等 设置坐标 */ { lcd_wr_regno(lcddev.setxcmd); lcd_wr_data(x >> 8); lcd_wr_data(x & 0XFF); lcd_wr_regno(lcddev.setycmd); lcd_wr_data(y >> 8); lcd_wr_data(y & 0XFF); } }该函数实现将LCD的当前操作点设置到指定坐标(x,y)。因为9341/5310/1963/5510等的设置有些不太一样,所以进行了区别对待。 接下来介绍画点函数,其定义如下: /**
- @brief 画点
- @param x,y: 坐标
- @param color: 点的颜色(32位颜色,方便兼容LTDC)
- @retval 无 / void lcd_draw_point(uint16_t x, uint16_t y, uint32_t color) { lcd_set_cursor(x, y); / 设置光标位置 / lcd_write_ram_prepare(); / 开始写入GRAM */ LCD->LCD_RAM = color; } 该函数实现比较简单,就是先设置坐标,然后往坐标写颜色。lcd_draw_point函数虽然简单,但是至关重要,其他几乎所有上层函数,都是通过调用这个函数实现的。 下面介绍读点函数,用于读取LCD的GRAM,这里说明一下,为什么OLED模块没做读GRAM的函数,而这里做了。因为OLED模块是单色的,所需要全部GRAM也就1K个字节,而TFTLCD模块为彩色的,点数也比OLED模块多很多,以16位色计算,一款320×240的液晶,需要320×240×2个字节来存储颜色值,也就是也需要150K字节,这对任何一款单片机来说,都不是一个小数目了。而且我们在图形叠加的时候,可以先读回原来的值,然后写入新的值,在完成叠加后,我们又恢复原来的值。这样在做一些简单菜单的时候,是很有用的。这里我们读取TFTLCD模块数据的函数为lcd_read_point,该函数直接返回读到的GRAM值。该函数使用之前要先设置读取的GRAM地址,通过lcd_set_cursor函数来实现。lcd_read_point的代码如下:
/** * @brief 读取个某点的颜色值 * @param x,y:坐标 * @retval 此点的颜色(32位颜色,方便兼容LTDC) */ uint32_t lcd_read_point(uint16_t x, uint16_t y) { uint16_t r = 0, g = 0, b = 0; if (x >= lcddev.width || y >= lcddev.height)return 0; /* 超过了范围,直接返回 */ lcd_set_cursor(x, y); /* 设置坐标 */ if (lcddev.id == 0X5510) { lcd_wr_regno(0X2E00); /* 5510 发送读GRAM指令 */ } else { lcd_wr_regno(0X2E); /* 9341/5310/1963/7789 等发送读GRAM指令 */ } r = lcd_rd_data(); /* 假读(dummy read) */ if (lcddev.id == 0X1963)return r; /* 1963 直接读就可以 */ r = lcd_rd_data(); /* 实际坐标颜色 */ /* 9341/5310/5510/7789 要分2次读出 */ b = lcd_rd_data(); /* 对于 9341/5310/5510/7789, 第一次读取的是RG的值,R在前,G在后,各占8位 */ g = r & 0XFF; g 11) 10) 11)); }在lcd_read_point函数中,因为我们的代码不止支持一种LCD驱动器,所以,我们根据不同的LCD驱动器((lcddev.id)型号,执行不同的操作,以实现对各个驱动器兼容,提高函数的通用性。 第十个要介绍的是字符显示函数lcd_show_char,该函数同前面OLED模块的字符显示函数差不多,但是这里的字符显示函数多了1个功能,就是可以以叠加方式显示,或者以非叠加方式显示。叠加方式显示多用于在显示的图片上再显示字符。非叠加方式一般用于普通的显示。该函数实现代码如下:
/** * @brief 在指定位置显示一个字符 * @param x,y : 坐标 * @param chr : 要显示的字符:" "--->"~" * @param size : 字体大小 12/16/24/32 * @param mode : 叠加方式(1); 非叠加方式(0); * @retval 无 */ void lcd_show_char(uint16_t x, uint16_t y, char chr, uint8_t size, uint8_t mode, uint16_t color) { uint8_t temp, t1, t; uint16_t y0 = y; uint8_t csize = 0; uint8_t *pfont = 0; /* 得到字体一个字符对应点阵集所占的字节数 */ csize = (size / 8 + ((size % 8) ? 1 : 0)) * (size / 2); /* 得到偏移后的值(ASCII字库是从空格开始取模,所以-' '就是对应字符的字库) */ chr = chr - ' '; switch (size) { case 12: pfont = (uint8_t *)asc2_1206[chr]; /* 调用1206字体 */ break; case 16: pfont = (uint8_t *)asc2_1608[chr]; /* 调用1608字体 */ break; case 24: pfont = (uint8_t *)asc2_2412[chr]; /* 调用2412字体 */ break; case 32: pfont = (uint8_t *)asc2_3216[chr]; /* 调用3216字体 */ break; default: return ; } for (t = 0; t关注打赏 -
- 【正点原子STM32连载】第四十三章 摄像头实验 摘自【正点原子】MiniPro STM32H750 开发指南_V1.1
- 【正点原子STM32连载】第四十二章 FLASH模拟EEPROM实验 摘自【正点原子】MiniPro STM32H750 开发指南_V1.1
- 【正点原子STM32连载】第四十章 DHT11数字温湿度传感器 摘自【正点原子】MiniPro STM32H750 开发指南_V1.1
- 【正点原子STM32连载】第三十九章 DS18B20数字温度传感器实验 摘自【正点原子】MiniPro STM32H750 开发指南_V1.1
- 【正点原子STM32连载】第三十七章 触摸屏实验 摘自【正点原子】MiniPro STM32H750 开发指南_V1.1
- 【正点原子STM32连载】第三十六章 QSPI实验 摘自【正点原子】MiniPro STM32H750 开发指南_V1.1
- 【正点原子STM32连载】第三十五章 IIC实验 摘自【正点原子】MiniPro STM32H750 开发指南_V1.1
- 【正点原子STM32连载】 第三十四章 DAC实验 摘自【正点原子】MiniPro STM32H750 开发指南_V1.1
- 【正点原子STM32连载】 第三十三章 光敏传感器实验 摘自【正点原子】MiniPro STM32H750 开发指南_V1.1
- 【正点原子STM32连载】 第三十二章 内部温度传感器实验 摘自【正点原子】MiniPro STM32H750 开发指南_V1.1
