1)实验平台:正点原子MiniPro H750开发板 2)平台购买地址:https://detail.tmall.com/item.htm?id=677017430560 3)全套实验源码+手册+视频下载地址:http://www.openedv.com/thread-336836-1-1.html 4)对正点原子STM32感兴趣的同学可以加群讨论:879133275
第二十七章 RTC实时时钟实验本章,我们将介绍STM32H750的内部实时时钟(RTC)。我们将使用LCD模块来显示日期和时间,实现一个简单的实时时钟,并可以设置闹铃,另外还将介绍BKP的使用。 本章分为如下几个小节: 27.1 RTC时钟简介 27.2 硬件设计 27.3 程序设计 27.4 下载验证
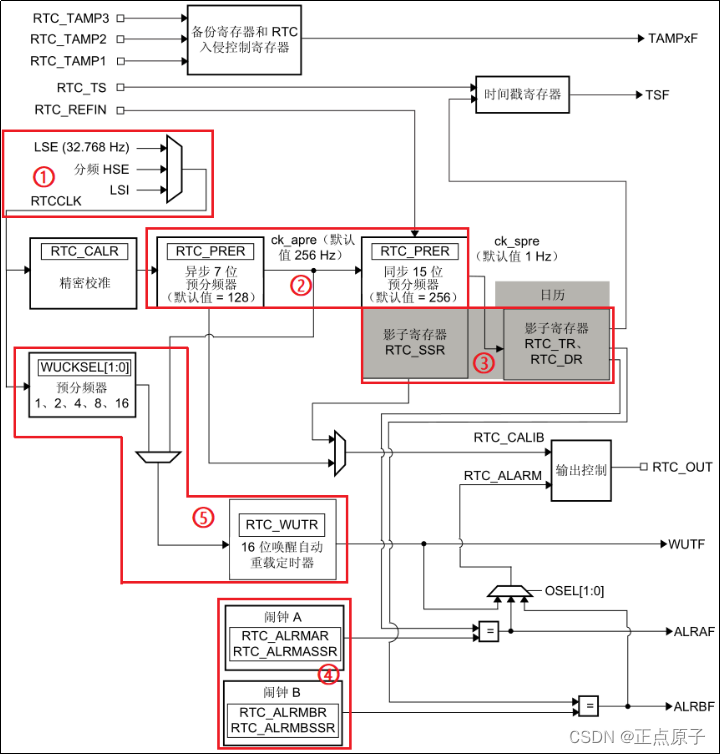
27.1 RTC时钟简介 STM32H750的实时时钟(RTC)相对于STM32F1来说,改进了不少,带了日历功能了。RTC是一个独立的 BCD 定时器/计数器。RTC 提供一个日历时钟(包含年月日时分秒信息)、两个可编程闹钟(ALARM A和ALARM B)中断,以及一个具有中断功能的周期性可编程唤醒标志。RTC 还包含用于管理低功耗模式的自动唤醒单元。 两个32位寄存器(TR和DR)包含二进码十进数格式 (BCD) 的秒、分钟、小时(12或24小时制)、星期、日期、月份和年份。此外,还可提供二进制格式的亚秒值。 STM32H750的RTC可以自动将月份的天数补偿为 28、29(闰年)、30 和 31 天。并且还可以进行夏令时补偿。 RTC模块和时钟配置是在后备区域,即在系统复位或从待机模式唤醒后RTC的设置和时间维持不变,只要后备区域供电正常,那么RTC将可以一直运行。但是在系统复位后,会自动禁止访问后备寄存器和RTC,以防止对后备区域(BKP)的意外写操作。所以在要设置时间之前, 先要取消备份区域(BKP)写保护。 27.1.1 RTC框图 下面先来学习RTC框图,通过学习RTC框图会有一个很好的整体掌握,同时对之后的编程也会有一个清晰的思路。RTC的框图,如图27.1.1所示:
图27.1.1 RTC框图 我们把RTC框图分成以下几个部分讲解: ①时钟源 STM32H750的RTC时钟源(RTCCLK)通过时钟控制器,可以从LSE时钟、LSI时钟以及HSE时钟三者中选择其一(通过设置RCC_BDCR寄存器选择)。一般我们选择LSE,即外部32.768Khz晶振作为时钟源(RTCCLK)。外部晶振具有精度高的优点。LSI是STM32芯片内部的低速RC 振荡器,频率约32 kHz,缺点是精度较低,可能会有温漂,所以一般不建议使用。比如当没有外部低速晶振(32.768Khz)的时候,分频后的HSE可以作为备选使用的时钟源。 ②预分频器 预分配器(RTC_PRER)分为2个部分:一个通过RTC_PRER寄存器的PREDIV_A位配置的7位异步预分频器。另一个通过RTC_PRER寄存器的PREDIV_S位配置的15位同步预分频器。 经过7位异步预分频器出来的时钟ck_apre可作为RTC_SSR亚秒递减计数器(RTC_SSR)的时钟,ck_apre时钟频率的计算公式如下:
当RTC_SSR寄存器递减到0的时候,会使用PREDIV_S的值重新装载PREDIV_S。而PREDIV_S一般为255,这样,我们得到亚秒时间的精度是:1/256秒,即3.9ms左右,有了这个亚秒寄存器RTC_SSR,就可以得到更加精确的时间数据。 经过15位同步预分频器出来的时钟ck_spre可以用于更新日历,也可以用作16位唤醒自动重载定时器的时基,ck_apre时钟频率的计算公式如下:
PREDIV_A和PREDIV_S分别为RTC的异步和同步分频器,使用两个预分频器时,我们推荐设置7位异步预分频器(PREDIV_A)的值较大,以最大程度降低功耗。例如:本实验我们的外部低速晶振的频率32.768KHZ经过7位异步预分频器后,再经过15位同步预分频器,要得到1HZ频率的时钟用于更新日历。通过计算知道,32.768KHZ的时钟要经过32768分频,才能得到1Hz的ck_spre。于是我们只需要设置:PREDIV_A=0X7F,即128分频;PREDIV_S=0XFF,即256分频,即可得到1Hz的Fck_spre,PREDIV_A的值我们也是往尽量大的原则,以最大程度降低功耗。 ③时间和日期相关寄存器 该部分包括三个影子寄存器,RTC_SSR(亚秒)、RTC_TR(时间)、RTC_DR(日期)。实时时钟一般表示为:时/分/秒/亚秒。RTC_TR寄存器用于存储时/分/秒时间数据,可读可写(即可设置或者获取时间)。RTC_DR寄存器用于存储日期数据,包括年/月/日/星期,可读可写(即可设置或者获取日期)。RTC_SSR寄存器用于存储亚秒级的时间,这样我们可以获取更加精确的时间数据。 这三个影子寄存器可以通过与 PCLK4(APB4 时钟)同步的影子寄存器来访问,这些时间和日期寄存器也可以直接访问,这样可避免等待同步的持续时间。 每隔2个RTCCLK周期,当前日历值便会复制到影子寄存器,并置位RTC_ISR寄存器的RSF位。我们可以读取RTC_TR和RTC_DR来得到当前时间和日期信息,不过需要注意的是:时间和日期都是以BCD码的格式存储的,读出来要转换一下,才可以得到十进制的数据。 ④可编程闹钟 STM32H750提供两个可编程闹钟:闹钟A(ALARM_A)和闹钟B(ALARM_B)。通过RTC_CR寄存器的ALRAE和ALRBE位置1来使能闹钟。当亚秒、秒、分、小时、日期分别与闹钟寄存器RTC_ALRMASSR/RTC_ALRMAR和RTC_ALRMBSSR/RTC_ALRMBR中的值匹配时,则可以产生闹钟(需要适当配置)。本章我们将利用闹钟A产生闹铃,即设置RTC_ALRMASSR和RTC_ALRMAR即可。 ⑤周期性自动唤醒 STM32H750的RTC不带秒钟中断了,但是多了一个周期性自动唤醒功能。周期性唤醒功能,由一个16位可编程自动重载递减计数器(RTC_WUTR)生成,可用于周期性中断/唤醒。 我们可以通过RTC_CR寄存器中的WUTE位设置使能此唤醒功能。 唤醒定时器的时钟输入可以是:2、4、8或16分频的RTC时钟(RTCCLK),也可以是ck_spre时钟(一般为1Hz)。 当选择RTCCLK(假定LSE是:32.768 kHz)作为输入时钟时,可配置的唤醒中断周期介于 122us(因为RTCCLK/2时,RTC_WUTR不能设置为0)和32 s之间,分辨率最低为:61us。 当选择ck_spre(1Hz)作为输入时钟时,可得到的唤醒时间为 1s到36h左右,分辨率为1 秒。并且这个1s~36h的可编程时间范围分为两部分: 当WUCKSEL[2:1]=10时为:1s到18h。 当WUCKSEL[2:1]=11时约为:18h到36h。 在后一种情况下,会将2^16添加到16位计数器当前值(即扩展到17位,相当于最高位用WUCKSEL [1]代替)。 初始化完成后,定时器开始递减计数。在低功耗模式下使能唤醒功能时,递减计数保持有效。此外,当计数器计数到0时,RTC_ISR寄存器的WUTF标志会置1,并且唤醒寄存器会使用其重载值(RTC_WUTR寄存器值)动重载,之后必须用软件清零WUTF标志。 通过将 RTC_CR寄存器中的WUTIE位置1来使能周期性唤醒中断时,可以使STM32H750退出低功耗模式。系统复位以及低功耗模式(睡眠、停机和待机)对唤醒定时器没有任何影响,它仍然可以正常工作,故唤醒定时器,可以用于周期性唤醒STM32H750。 27.1.2 RTC寄存器 接下来,我们介绍本实验我们要用到的RTC寄存器。 RTC时间寄存器(RTC_TR) RTC时间寄存器描述如图27.1.2.1所示:
图27.1.2.1 RTC_TR寄存器 该寄存器是RTC的时间寄存器,可读可写,对该寄存器写,可以设置时间,对该寄存器读,可以获取当前的时间,此外该寄存器受到寄存器写保护,通过RTC写保护寄存器(RTC_WPR)设置,后面会讲解到RTC_WPR寄存器。需要注意的是:本寄存器存储的数据都是BCD格式的,读取之后需要进行转换,方可得到十进制的时分秒等数据。 RTC日期寄存器(RTC_DR) RTC日期寄存器描述如图27.1.2.2所示:
图27.1.2.2 RTC_DR寄存器 该寄存器是RTC的日期寄存器,可读可写,对该寄存器写,可以设置日期,对该寄存器读,可以获取当前的日期,同样该寄存器也受到寄存器写保护,存储的数据也都是BCD格式的。 RTC亚秒寄存器(RTC_SSR) RTC亚秒寄存器描述如图27.1.2.3所示:
图27.1.2.3 RTC_SSR寄存器 该寄存器可用于获取更加精确的RTC时间。不过,在本章没有用到,如果需要精确时间的地方,大家可以使用该寄存器。 RTC控制寄存器(RTC_CR) RTC控制寄存器描述如图27.1.2.4所示:
图27.1.2.4 RTC_CR寄存器 该寄存器重点介绍几个要用到的位:WUTIE是唤醒定时器中断使能位,ALRAIE是闹钟A中断使能位,本章用到这两个使能位,都设置为1即可。WUTE和ALRAE分别是唤醒定时器和闹钟A使能位,同样都设置为1,开启。FMT为小时格式选择位,我们设置为0,选择24小时制。WUCKSEL[2:0],用于唤醒时钟选择,这个前面已经有介绍了,我们这里就不多说了。 RTC初始化和状态寄存器(RTC_ISR) RTC初始化和状态寄存器描述如图27.1.2.5所示:
图27.1.2.5 RTC_ISR寄存器 该寄存器中,WUTF、ALRBF和ALRAF,分别是唤醒定时器、闹钟B和闹钟A的中断标志位,当对应事件产生时,这些标志位被置1,如果设置了中断,则会进入中断服务函数,这些位通过软件写0清除。 INIT为初始化模式控制位,要初始化RTC时,必须先设置INIT=1。 INITF为初始化标志位,当设置INIT为1以后,要等待INITF为1,才可以更新时间、日期和预分频寄存器等。 RSF位为寄存器同步标志,仅在该位为1时,表示日历影子寄存器已同步,可以正确读取RTC_TR/RTC_TR寄存器的值了。 WUTWF、ALRBWF和ALRAWF分别是唤醒定时器、闹钟B和闹钟A的写标志,只有在这些位为1的时候,才可以更新对应的内容。比如:要设置闹钟A的ALRMAR和ALRMASSR,则必须先等待ALRAWF为1,才可以设置。 RTC预分频寄存器(RTC_PRER) RTC预分频寄存器描述如图27.1.2.6所示:
图27.1.2.6 RTC_PRER寄存器 该寄存器用于RTC的分频,我们在之前也有讲过,这里就不多说了。该寄存器的配置,必须在初始化模式(INITF=1)下,才可以进行。 RTC唤醒寄存器(RTC_WUTR) RTC唤醒寄存器描述如图27.1.2.7所示:
图27.1.2.7 RTC_WUTR寄存器 该寄存器用于设置自动唤醒重装载值,可用于设置唤醒周期。该寄存器的配置,必须等待RTC_ISR的WUTWF为1才可以进行。 RTC闹钟A寄存器(RTC_ALRMAR) RTC闹钟A寄存器描述如图27.1.2.8所示:
图27.1.2.8 RTC_WUTR寄存器 该寄存器用于设置闹铃A,当WDSEL选择1时,使用星期制闹铃,本章我们选择星期制闹铃。该寄存器的配置,必须等待RTC_ISR的ALRAWF为1才可以进行。另外,还有RTC_ALRMASSR寄存器,该寄存器我们这里就不再介绍了,大家参考手册。 RTC写保护寄存器(RTC_WPR) RTC写保护寄存器:RTC_WPR,该寄存器比较简单,低八位有效。上电后,所有RTC寄存器都受到写保护(RTC_ISR[13:8]、RTC_TAFCR和RTC_BKPxR除外),必须依次写入:0XCA、0X53两关键字到RTC_WPR寄存器,才可以解锁。写一个错误的关键字将再次激活RTC的寄存器写保护。 RTC备份寄存器(RTC_BKPxR) RTC备份寄存器描述如图27.1.2.9所示:
图27.1.2.9 RTC_BKPxR寄存器 该寄存器组总共有32个,每个寄存器是32位的,可以存储128个字节的用户数据,这些寄存器在备份域中实现,可在VDD电源关闭时通过VBAT保持上电状态。备份寄存器不会在系统复位或电源复位时复位,也不会在MCU从待机模式唤醒时复位。 复位后,对RTC和RTC备份寄存器的写访问被禁止,执行以下操作可以使能对RTC及RTC备份寄存器的写访问: 1)电源控制寄存器(PWR_CR)的DBP位来使能对RTC及RTC备份寄存器的访问。 2)往RTC_WPR写入0XCA、0X53解锁序列(先写0XCA,再写0X53)。 我们可以用BKP来存储一些重要的数据,相当于一个EEPROM,不过这个EEPROM并不是真正的EEPROM,而是需要电池来维持它的数据。 备份区域控制(RCC_BDCR) 备份区域控制寄存器描述如图27.1.2.10所示:
图27.1.2.10 RCC_BDCR寄存器 RTC的时钟源选择及使能设置都是通过这个寄存器来实现的,所以我们在RTC操作之前先要通过这个寄存器选择RTC的时钟源,然后才能开始其他的操作。 27.2 硬件设计
- 例程功能 本实验通过LCD显示RTC时间,并可以通过usmart设置RTC时间,从而调节时间,或设置RTC闹钟,还可以写入或者读取RTC后备区域SRAM。LED1每两秒闪烁一次,表示进入WAKE UP中断。LED0闪烁,提示程序运行。
- 硬件资源 1)RGB灯 RED : LED0 - PB4 GREEN : LED1 - PE6 2)串口1(PA9/PA10连接在板载USB转串口芯片CH340上面) 3)RTC(实时时钟) 4)正点原子2.8/3.5/4.3/7寸TFTLCD模块(仅限MCU屏,16位8080并口驱动)
- 原理图 RTC属于STM32H750内部资源,通过软件设置好就可以了。不过RTC不能断电,否则数据就丢失了,我们如果想让时间在断电后还可以继续走,那么必须确保开发板的电池有电。 27.3 程序设计 27.3.1 RTC的HAL库驱动 RTC在HAL库中的驱动代码在stm32h7xx_hal_rtc.c文件(及其头文件)中。下面介绍几个重要的RTC函数,其他没有介绍的请看源码。
- HAL_RTC_Init函数 RTC的初始化函数,其声明如下: HAL_StatusTypeDef HAL_RTC_Init(RTC_HandleTypeDef *hrtc); 函数描述: 用于初始化RTC。 函数形参: 形参1是RTC_HandleTypeDef结构体类型指针变量,其定义如下:
typedef struct
{
RTC_TypeDef *Instance; /* 寄存器基地址 */
RTC_InitTypeDef Init; /* RTC配置结构体 */
HAL_LockTypeDef Lock; /* RTC锁定对象 */
__IO HAL_RTCStateTypeDef State; /* RTC设备访问状态 */
}RTC_HandleTypeDef;
1)Instance:指向RTC寄存器基地址。
2)Init:是真正的RTC初始化结构体,其结构体类型RTC_InitTypeDef定义如下:
typedef struct
{
uint32_t HourFormat; /* 小时格式 */
uint32_t AsynchPrediv; /* 异步预分频系数 */
uint32_t SynchPrediv; /* 同步预分频系数 */
uint32_t OutPut; /* 选择连接到RTC_ALARM输出的标志 */
uint32_t OutPutRemap; /* 指定RTC输出的映射 */
uint32_t OutPutPolarity; /* 设置RTC_ALARM的输出极性 */
uint32_t OutPutType; /* 设置RTC_ALARM的输出类型为开漏输出还是推挽输出 */
}RTC_InitTypeDef;
HourFormat用来设置小时格式,可以是12小时制或者24小时制,这两个选项的宏定义分别为RTC_HOURFORMAT_12和RTC_HOURFORMAT_24。 AsynchPrediv用来设置RTC的异步预分频系数,也就是设置RTC_PRER寄存器的PREDIV_A相关位,因为异步预分频系数是7位,所以最大值为0x7F,不能超过这个值。 SynchPrediv用来设置RTC的同步预分频系数,也就是设置RTC_PRER寄存器的PREDIV_S相关位,因为同步预分频系数也是15位,所以最大值为0x7FFF,不能超过这个值。 OutPut用来选择要连接到RTC_ALARM输出的标志,取值为:RTC_OUTPUT_DISABLE(禁止输出),RTC_OUTPUT_ALARMA(使能闹钟A输出),RTC_OUTPUT_ALARMB(使能闹钟B输出)和RTC_OUTPUT_WAKEUP(使能唤醒输出)。 OutPutRemap用于设置指定RTC输出的映射,即配置RTC_OR寄存器。 OutPutPolarity用来设置RTC_ALARM的输出极性,与Output成员变量配合使用,取值为RTC_OUTPUT_POLARITY_HIGH(高电平)或RTC_OUTPUT_POLARITY_LOW(低电平)。 OutPutType用来设置RTC_ALARM的输出类型为开漏输出(RTC_OUTPUT_TYPE_ OPENDRAIN)还是推挽输出(RTC_OUTPUT_TYPE_PUSHPULL),与成员变量OutPut和OutPutPolarity配合使用。 3)Lock:用于配置锁状态。 4)State:RTC设备访问状态。 函数返回值: HAL_StatusTypeDef枚举类型的值。 2. HAL_RTC_SetTime函数 HAL_RTC_SetTime是设置RTC的时间函数。其声明如下: HAL_StatusTypeDef HAL_RTC_SetTime(RTC_HandleTypeDef *hrtc, RTC_TimeTypeDef *sTime, uint32_t Format); 函数描述: 该函数用于设置RTC的时间,即设置时间寄存器RTC_TR的相关位的值。 函数形参: 形参1是RTC_HandleTypeDef结构体类型指针变量,即RTC的句柄。 形参2是RTC_TimeTypeDef结构体类型指针变量,定义如下:
typedef struct
{
uint8_t Hours;
uint8_t Minutes;
uint8_t Seconds;
uint8_t TimeFormat;
uint32_t SubSeconds;
uint32_t SecondFraction;
uint32_t DayLightSaving;
uint32_t StoreOperation;
}RTC_TimeTypeDef;
前面四个成员变量就比较好理解了,分别用来设置RTC时间参数的小时,分钟,秒钟,以及AM/PM符号,大家参考前面讲解的RTC_TR的位描述即可。SubSeconds用来读取保存亚秒寄存器 RTC_SSR的值,SecondFraction用来读取保存同步预分频系数 的值,也就是RTC_PRER的位0~14,DayLightSaving用来设置日历时间增加1小时,减少1小时,还是不变。StoreOperation用户可对此变量设置以记录是否已对夏令时进行更改。 形参3是uint32_t类型变量,用来设置输入的时间格式为BIN格式还是BCD格式,可选值为RTC_FORMAT_BIN或者RTC_FORMAT_BCD。 函数返回值: HAL_StatusTypeDef枚举类型的值。 3. HAL_RTC_SetDate函数 HAL_RTC_SetDate是设置RTC的日期函数。其声明如下: HAL_StatusTypeDef HAL_RTC_SetDate(RTC_HandleTypeDef *hrtc, RTC_DateTypeDef *sDate, uint32_t Format); 函数描述: 该函数用于设置RTC的日期,即设置日期寄存器RTC_DR的相关位的值。 函数形参: 形参1是RTC_HandleTypeDef结构体类型指针变量,即RTC的句柄。 形参2是RTC_DateTypeDef结构体类型指针变量,定义如下:
typedef struct
{
uint8_t WeekDay; /* 星期 */
uint8_t Month; /* 月份 */
uint8_t Date; /* 日期 */
uint8_t Year; /* 年份 */
}RTC_DateTypeDef;
结构体一共四个成员变量,这四个成员变量分别对应星期、月份、日期和年份,对应的是RTC_DR寄存器。 形参3是uint32_t类型变量,用来设置输入的时间格式为BIN格式还是BCD格式,可选值为RTC_FORMAT_BIN或者RTC_FORMAT_BCD。 函数返回值: HAL_StatusTypeDef枚举类型的值。 4. HAL_RTC_GetTime函数 HAL_RTC_GetTime是获取当前RTC时间函数。其声明如下: HAL_StatusTypeDef HAL_RTC_GetTime(RTC_HandleTypeDef *hrtc, RTC_TimeTypeDef *sTime, uint32_t Format); 函数描述: 该函数用于获取当前RTC时间,即读时间寄存器RTC_TR的相关位的值。 函数形参: 形参1是RTC_HandleTypeDef结构体类型指针变量,即RTC的句柄。 形参2是RTC_TimeTypeDef结构体类型指针变量,对应的是RTC_TR寄存器。 形参3是uint32_t类型变量,用来设置获取的时间格式为BIN格式还是BCD格式,可选值为RTC_FORMAT_BIN或者RTC_FORMAT_BCD。 函数返回值: HAL_StatusTypeDef枚举类型的值。 5. HAL_RTC_SetDate函数 HAL_RTC_SetDate是获取当前RTC日期函数。其声明如下: HAL_StatusTypeDef HAL_RTC_SetDate (RTC_HandleTypeDef *hrtc, RTC_DateTypeDef *sDate, uint32_t Format); 函数描述: 该函数用于获取当前RTC日期,即读时间寄存器RTC_DR的相关位的值。 函数形参: 形参1是RTC_HandleTypeDef结构体类型指针变量,即RTC的句柄。 形参2是RTC_DateTypeDef结构体类型指针变量,对应的是RTC_DR寄存器。 形参3是uint32_t类型变量,用来设置获取的时间格式为BIN格式还是BCD格式,可选值为RTC_FORMAT_BIN或者RTC_FORMAT_BCD。 函数返回值: HAL_StatusTypeDef枚举类型的值。 6. HAL_RTC_SetAlarm_IT函数 HAL_RTC_SetAlarm_IT是设置闹钟并开启闹钟中断的函数。其声明如下: HAL_StatusTypeDef HAL_RTC_SetAlarm_IT(RTC_HandleTypeDef *hrtc, RTC_AlarmTypeDef *sAlarm, uint32_t Format); 函数描述: 该函数用于设置闹钟并开启闹钟中断。 函数形参: 形参1是RTC_HandleTypeDef结构体类型指针变量,即RTC的句柄。 形参2是RTC_AlarmTypeDef结构体类型指针变量。 形参3是uint32_t类型变量,用来设置获取的时间格式为BIN格式还是BCD格式,可选值为RTC_FORMAT_BIN或者RTC_FORMAT_BCD。 重点介绍RTC_AlarmTypeDef 结构体指针类型,结构体定义如下:
typedef struct
{
RTC_TimeTypeDef AlarmTime;
uint32_t AlarmMask;
uint32_t AlarmSubSecondMask;
uint32_t AlarmDateWeekDaySel;
uint8_t AlarmDateWeekDay;
uint32_t Alarm;
}RTC_AlarmTypeDef;
AlarmTime用来设置闹钟时间,是RTC_TimeTypeDef结构体类型,该结构体前面我们已经讲解过各个成员变量含义。 AlarmMask用来设置闹钟时间掩码,也就是在我们第一个参数设置的时间中(包括后面参数RTC_AlarmDateWeekDay设置的星期几/哪一天),哪些是无关的。 比如我们设置闹钟时间为每天的10点10分10秒,那么我们可以选择值RTC_AlarmMask_DateWeekDay,也就是我们不关心是星期几/每月哪一天。这里我们选择为RTC_AlarmMask_None,也就是精确匹配时间,所有的时分秒以及星期几/(或者每月哪一天)都要精确匹配。 AlarmSubSecondMask和AlarmMask作用类似,只不过该变量是用来设置亚秒的。 AlarmDateWeekDaySel用来选择是闹钟是按日期还是按星期。比如我们选择RTC_AlarmDateWeekDaySel_WeekDay那么闹钟就是按星期。如果我们选择RTC_AlarmDateWeekDaySel_Date那么闹钟就是按日期。这与后面第四个参数是有关联的,我们在后面第四个参数讲解。 AlarmDateWeekDay用来设置闹钟的日期或者星期几。比如我们第三个参数RTC_AlarmDateWeekDaySel设置了值为RTC_AlarmDateWeekDaySel_WeekDay,也就是按星期,那么参数RTC_AlarmDateWeekDay的取值范围就为星期一到星期天,也就是RTC_Weekday_Monday到RTC_Weekday_Sunday。如果第三个参数RTC_AlarmDateWeekDaySel设置值为RTC_AlarmDateWeekDaySel_Date,那么它的取值范围就为日期值,0~31。 Alarm用来设置是闹钟A还是闹钟B,这个很好理解。 函数返回值: HAL_StatusTypeDef枚举类型的值。 RTC配置步骤 1)使能RTC时钟,并使能RTC及RTC后备寄存器写访问 复位后,后备区域存在写保护,RTC属于后备区域,所以我们需要取消后备区域写保护。同时,我们需要使能RTC时钟,通过RCC_APB4ENR寄存器中的RTCAPBEN位设置。而取消后备区域写保护则是通过PWR_CR1寄存器中的DBP位去设置。HAL库设置方法为: __HAL_RCC_RTC_CLK_ENABLE(); /* 使能RTC时钟 / HAL_PWR_EnableBkUpAccess(); / 取消备份区域写保护 */ 2)开启外部低速振荡器LSE,选择RTC时钟,并使能 调用HAL_RCC_OscConfig函数配置开启LSE。 调用HAL_RCCEx_PeriphCLKConfig函数选择RTC时钟源。 使能RTC函数为:__HAL_RCC_RTC_ENABLE。 3)初始化RTC,设置RTC的分频,以及配置RTC参数 在HAL中,通过HAL_RTC_Init函数配置RTC分频系数,以及RTC的工作参数。 注意:该函数会调用:HAL_RTC_MspInit函数来完成对RTC的底层初始化,包括:RTC时钟使能、时钟源选择等。 4)设置RTC的时间 调用HAL_RTC_SetTime函数设置RTC时间,该函数实际设置时间寄存器RTC_TR的相关位的值。 5)设置RTC的日期 调用HAL_RTC_SetDate函数设置RTC的日期,该函数实际设置日期寄存器RTC_DR的相关位的值。 6)获取RTC当前日期和时间 调用HAL_RTC_GetTime函数获取当前RTC时间,该函数实际读取RTC_TR寄存器,然后将值存放到相应的结构体中。 调用HAL_RTC_GetDate函数获取当前RTC日期,该函数实际读取RTC_DR寄存器,然后将值存放到相应的结构体中。 通过以上6个步骤,我们就完成了对RTC的配置,RTC即可正常工作,而且这些操作不是每次上电都必须执行的,可以视情况而定。当然,我们还可以唤醒中断、闹钟等,这些将在后面介绍。 27.3.2 程序流程图
图27.3.2.1 RTC实时时钟实验程序流程图 27.3.3 程序解析
- RTC驱动代码 这里我们只讲解核心代码,详细的源码请大家参考光盘本实验对应源码。RTC驱动源码包括两个文件:rtc.c和rtc.h。 由于篇幅所限,rtc.c中的代码,我们不全部贴出了,只针对几个重要的函数进行介绍。 rtc.h头文件只有函数的声明,下面我们直接介绍rtc.c的程序,先看RTC的初始化函数,其定义如下:
/**
* @brief RTC初始化
* @note
* 默认尝试使用LSE,当LSE启动失败后,切换为LSI.
* 通过BKP寄存器0的值,可以判断RTC使用的是LSE/LSI:
* 当BKP0==0X5050时,使用的是LSE
* 当BKP0==0X5051时,使用的是LSI
* 注意:切换LSI/LSE将导致时间/日期丢失,切换后需重新设置.
*
* @param 无
* @retval 0,成功
* 1,进入初始化模式失败
*/
uint8_t rtc_init(void)
{
/* 检查是不是第一次配置时钟 */
uint16_t bkpflag = 0;
g_rtc_handle.Instance = RTC;
g_rtc_handle.Init.HourFormat = RTC_HOURFORMAT_24; /* RTC设置为24小时格式 */
g_rtc_handle.Init.AsynchPrediv = 0X7F; /* RTC异步分频系数(1~0X7F) */
g_rtc_handle.Init.SynchPrediv = 0XFF; /* RTC同步分频系数(0~7FFF) */
g_rtc_handle.Init.OutPut = RTC_OUTPUT_DISABLE;
g_rtc_handle.Init.OutPutPolarity = RTC_OUTPUT_POLARITY_HIGH;
g_rtc_handle.Init.OutPutType = RTC_OUTPUT_TYPE_OPENDRAIN;
bkpflag = rtc_read_bkr(0); /* 读取BKP0的值 */
if (HAL_RTC_Init(&g_rtc_handle) != HAL_OK)
{
return 1;
}
if ((bkpflag != 0X5050) && (bkpflag != 0x5051)) /* 之前未初始化过 重新配置 */
{
rtc_set_time(23, 59, 56, RTC_HOURFORMAT12_AM); /* 设置时间*/
rtc_set_date(20, 1, 13, 7); /* 设置日期 */
}
return 0;
}
该函数用来初始化RTC配置以及日期和时钟,但是只在第一次的时候设置时间,以后如果重新上电/复位都不会再进行时间设置了(前提是备份电池有电)。在第一次配置的时候,我们是按照上面介绍的RTC初始化步骤调用函数HAL_RTC_Init来实现的。 我们通过读取BKP寄存器0的值来判断是否需要进行时间的设置,对BKP寄存器0的写操作是在HAL_RTC_MspInit回调函数中实现,下面会讲。第一次未对RTC进行初始化BKP寄存器0的值非0x5050非0x5051,当进行RTC初始化时,BKP寄存器0的值就是0x5050或0x5051,所以以上代码操作确保时间只会设置一次,复位时不会重新设置时间。电池正常供电时,我们设置的时间不会因复位或者断电而丢失。 读取后备寄存器的函数其实还是调用HAL库提供的函数接口,写后备寄存器函数同样也是。这两个函数如下: uint32_t HAL_RTCEx_BKUPRead(RTC_HandleTypeDef *hrtc, uint32_t BackupRegister); void HAL_RTCEx_BKUPWrite(RTC_HandleTypeDef *hrtc, uint32_t BackupRegister, uint32_t Data); 这两个函数的使用方法就非常简单,分别用来读和写BKR寄存器的值。这里我们只是略微点到为止,详看例程源码。 这里设置时间和日期,分别是通过rtc_set_time和rtc_set_date函数来实现的,这两个函数实际就是调用库函数里面的HAL_RTC_SetTime函数和HAL_RTC_SetDate函数来实现,这里我们之所以要写两个这样的函数,目的是为了我们的USMART来调用,方便直接通过USMART来设置时间和日期。rtc_set_time和rtc_set_date实现十分简单,这里讲解了,详看源码。 接下来,我们用HAL_RTC_MspInit函数来编写RTC时钟配置等代码,其定义如下:
void HAL_RTC_MspInit(RTC_HandleTypeDef* hrtc)
{
uint16_t retry = 200;
RCC_OscInitTypeDef rcc_osc_init_handle;
RCC_PeriphCLKInitTypeDef rcc_periphclk_init_handle;
__HAL_RCC_RTC_CLK_ENABLE(); /* 使能RTC时钟 */
HAL_PWR_EnableBkUpAccess(); /* 取消备份区域写保护 */
__HAL_RCC_RTC_ENABLE(); /* 使能RTC */
/* 使用寄存器的方式去检测LSE是否可以正常工作 */
RCC->BDCR |= 1
关注
打赏
- 【正点原子STM32连载】第四十三章 摄像头实验 摘自【正点原子】MiniPro STM32H750 开发指南_V1.1
- 【正点原子STM32连载】第四十二章 FLASH模拟EEPROM实验 摘自【正点原子】MiniPro STM32H750 开发指南_V1.1
- 【正点原子STM32连载】第四十章 DHT11数字温湿度传感器 摘自【正点原子】MiniPro STM32H750 开发指南_V1.1
- 【正点原子STM32连载】第三十九章 DS18B20数字温度传感器实验 摘自【正点原子】MiniPro STM32H750 开发指南_V1.1
- 【正点原子STM32连载】第三十七章 触摸屏实验 摘自【正点原子】MiniPro STM32H750 开发指南_V1.1
- 【正点原子STM32连载】第三十六章 QSPI实验 摘自【正点原子】MiniPro STM32H750 开发指南_V1.1
- 【正点原子STM32连载】第三十五章 IIC实验 摘自【正点原子】MiniPro STM32H750 开发指南_V1.1
- 【正点原子STM32连载】 第三十四章 DAC实验 摘自【正点原子】MiniPro STM32H750 开发指南_V1.1
- 【正点原子STM32连载】 第三十三章 光敏传感器实验 摘自【正点原子】MiniPro STM32H750 开发指南_V1.1
- 【正点原子STM32连载】 第三十二章 内部温度传感器实验 摘自【正点原子】MiniPro STM32H750 开发指南_V1.1
