MOS管分为NMOS管和PMOS管,NMOS管和PMOS管有分别分为耗尽型的和增强型的,如下图:
增强型NMOS管

注意
V
G
S
(
T
H
)
为
负
数
V_{GS}(TH)为负数
VGS(TH)为负数
注意
V
G
S
(
O
F
F
)
V_{GS}(OFF)
VGS(OFF)为负数
注意
V
G
S
(
O
F
F
)
V_{GS}(OFF)
VGS(OFF)为正数
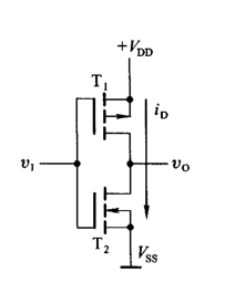
如上图所示,CMOS反相器由一个增强型NMOS管和增强型PMOS管构成,栅端(G)相连作为输入端,漏端相连作为输出端,NMOS的源端接地,PMOS的源端接电源VDD。该电路可以实现逻辑非的功能: 当输入为高电平时,T2管导通,输出为低电平; 当输入为低电平时,T1管导通,输出为高电平。
AB:T1导通T2截止 BC:T1T2导通 CD:T1截止T2导通
包括信号翻转时电容充放电的功耗
P
C
P_C
PC和信号翻转瞬间两管同时导通所产生的短路功耗
P
T
P_T
PT(上图BC段) 
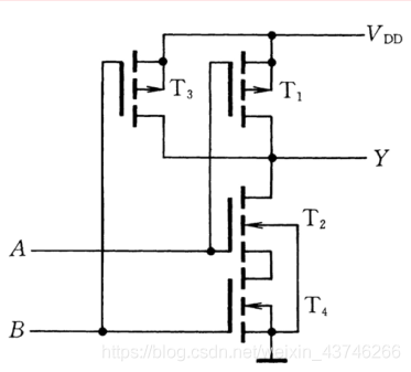
上并下串,T1,T3为并联的增强型PMOS管,T2,T4为串联的增强型NMOS管。 当A,B至多只有一个为1时,T1,T3至少有一个导通,而T2,T4不可能同时导通,因此输出为高电平。 当AB均为1时,T1,T3截止,T2,T4均导通,输出为低电平。 因此,该电路实现了逻辑与非的功能。(共消耗4个MOS管) 
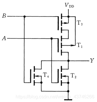
上串下并,T1,T3为串联的增强型PMOS管,T2,T4为并联的增强型NMOS管。 当A,B至少有一个为1时,T2,T4至少有一个导通,而T1,T3不可能同时导通,因此输出为低电平 当AB均为0时,T2,T4截止,T1,T3导通,输出为高电平。 因此,该电路实现了逻辑或非的功能。(共消耗4个MOS管) 
与非门会更快,分析如下: 电子迁移率是空穴的2.5倍,对PMOS而言,载流子是空穴;对NMOS而言,载流子是电子。PMOS采用空穴导电,NMOS采用电子导电,由于PMOS的载流子的迁移率比NMOS的迁移率小,所以,同样尺寸条件下,PMOS的充电时间要大于NMOS的充电时间长。 而在互补CMOS电路中,与非门是PMOS管并联,NMOS管串联,或非门正好相反,所以,同样尺寸条件下,与非门的速度快,所以,在互补CMOS电路中,应该优先选择与非门。
