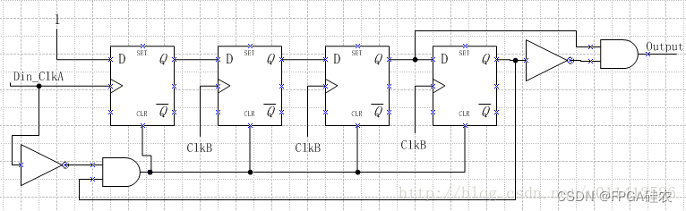
结绳法的主要思想是利用数据的边沿做时钟,将脉冲延长,直到采集到数据,然后复位。 上图是结绳法的电路示意图,这里需要注意的是,clkB域需要等待三个clkB才会在最后一个寄存器输出并完成输入端的复位。所以如果Din_clkA变化较快,即持续时间小于三个clkB(Din_clkA的频率大于clkB的1/3),那么Din_clkA的变化将无法采样到。
`timescale 1ns / 1ps
//
// Company:
// Engineer:
//
// Create Date: 2022/05/26 16:24:09
// Design Name:
// Module Name: pusle_extend
// Project Name:
// Target Devices:
// Tool Versions:
// Description:
//
// Dependencies:
//
// Revision:
// Revision 0.01 - File Created
// Additional Comments:
//
//
module pusle_extend(
input logic rst,
input logic clka,
input logic clkb,
input dina,
output doutb
);
logic reset;
logic dina_extend;
//dina作为时钟
always@(posedge dina,posedge reset)
if(reset)
dina_extend
关注
打赏
