今天我想谈一谈,在实际做项目过程中,我们该如何去下手,如何构思一个完整的程序。
具体我的思路如下,当然只是我的个人经验:
1.在写程序前,我们需要先安排好模块,这里就是模块话编程,不要所有程序都写在一个主程序中,这样会造成后期修改困难;我们区分模块去写程序后,如果后期需要增加什么功能,我们只需要在对应的模块中修改就可以了,这样比较方便,
2.在写程序时,最好先把停止写好,安全保护做到位;这样我们在后面调试程序时,即使有什么问题,也不会把设备撞坏;如果我们上来直接写手动程序,再写自动程序,而不注重安全保护,可能会得不偿失;
3.手动界面的程序,一定要加条件,例如不在自动情况下,不在急停情况下,才能手动,保证安全
4.我们在写程序时,一定要合理安排和利用地址,不要觉得无所谓,反正地址多的是,随便用;我们养成良好的习惯是为了做大项目,如果小项目我们都不注重地址的管理,等我们项目越做越大,大家会发现,到后来,我们需要去找哪些地址段没有用,我们见缝插针的用,很痛苦;
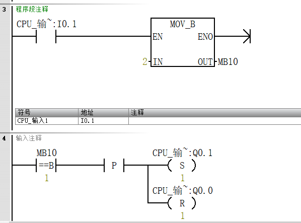
我建议大家,一个地址能重复利用就重复利用,例如下图
下图是一段顺序顺序控制逻辑,大部分初学者写代码,习惯第一步set个M0.0,第二步set个m0.1然后reset m0.0这样一直写下去,会浪费掉很多个M地址,导致复位什么都比较麻烦,一旦忘记一个M地址位,可能就会导致程序异常,如果我们换成使用赋值的形式,那么复位只需要将状态MB10赋值0即可
5.如果程序比较大,建议使用通信的形式,分成两个本体PLC去做,因为程序越大,PLC的循环时间就是会长,这是没办法改变的,我们要是想追求性能,那PLC的程序我们最好选择拆分
