把传感器获取的测量值用连续的电子信号表示出来,就是模拟信号。想用PC 处理模拟信号,就需要进行模拟/ 数字(A/D)转换,把模拟信号转换成离散值,即数字信号。
A/D 转换操作分成以下3 个步骤:
A/D 转换机制
选择微控制器的时候,一个重要的出发点就是A/D 转换器的性能。虽然指标各不相同,但首先应该检查采样频率和分辨率。
采样频率是一个指标,它决定了每次采样应该隔多长时间。如果对输入信号的频率应用了过低的采样频率,就会出现如图所示的情况,即出现一个与本来的波形完全不同的波形,这个波形是冒充测算波形的假波形,这样的假波形叫作混叠。具体来说,采样频率必须在输入信号最高频率的两倍及两倍以上,这样才能预防出现混叠。
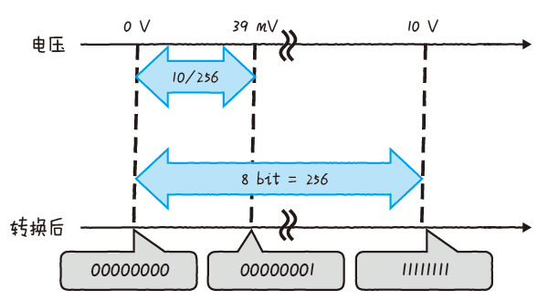
而分辨率也是一个指标,它表示的是能把模拟信号分割到多细,表现形式为“最多能分到多细”。例如8 bit 的A/D 转换器就能分成28 = 256,这就是分辨率。打个比方,8 bit 的A/D转换器处理10 V 区间的信号时,就无法测出低于39 mV 的电压差。
