1、 源型,漏型输入电路的差别 当DC输入信号是电流从输入(X)端子流出的输入时,称为漏型输入。 连接晶体管输出型的传感器输出等时,可以使用NPN集电极开路型晶体管输 出。 当DC输入信号是电流流向输入(X)端子的输入时,称为源型输入。 连接晶体管输出型的传感器输出等时,可以使用PNP集电极开路型晶体管 输出。
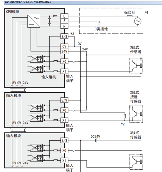
2、 漏型输入接法 6 接线 6.5 输入接线83 6 输入接线例 漏型输入[AC电源型] *1 请根据“电源接线”正确使用电源回路。 *2 使用具有并联电阻的输入设备或2线式接近开关时,有时需要使用旁路电阻。 *3 采用漏型输入接线时,要将CPU模块的[S/S]端子和[24V]端子短路。
3、 源型输入接法:*1 请根据“电源接线”正确使用电源回路。 4、 *2 使用具有并联电阻的输入设备或2线式接近开关时,有时需要使用旁路电阻。 5、 *3 采用源型输入接线时,要将CPU模块的[S/S]端子和[0V]端子短路。
