百问网技术交流群,百万嵌入式工程师聚集地: https://www.100ask.net/page/2248041
资料下载coding无法使用浏览器打开,必须用git工具下载:
git clone https://e.coding.net/weidongshan/linux/doc_and_source_for_drivers.git
视频观看
百问网驱动大全
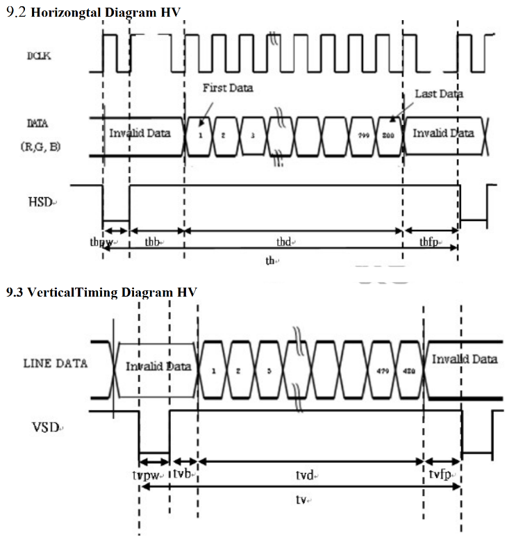
硬件_TFT-RGB接口LCD时序分析参考资料,GIT仓库里:
-
-
TFT-RGB LCD
-
接口原理图:
- `IMX6ULL\开发板配套资料\原理图\Base_board\100ask_imx6ull_v1.1.pdf``
- ``STM32MP157\开发板配套资料\原理图\01_Base_board(底板)\100ASK_STM32MP157_PRO_V11_底板原理图.pdf`
-
LCD数据手册(这2个文件是一样的):
- `IMX6ULL\开发板配套资料\datasheet\Base_board\100ask_imx6ull底板_规格书\7.0-13SPEC(7寸1024600TN-RGB).pdf``
STM32MP157\开发板配套资料\datasheeet\03_7寸LCD模块\LCD数据手册7.0-13SPEC(7寸1024600TN-RGB).pdf
-
百问网技术交流群,百万嵌入式工程师聚集地: https://www.100ask.net/page/2248041
百问网技术论坛: http://bbs.100ask.net/
百问网嵌入式视频官网: https://www.100ask.net/index
百问网开发板: 淘宝:https://100ask.taobao.com/ 天猫:https://weidongshan.tmall.com/
