您当前的位置: 首页 >  DS小龙哥 单片机

3.1 51单片机-LED灯模块

DS小龙哥 发布时间:2021-11-01 21:13:04 ,浏览量:4

实验平台采用: 普中科技HC6800_V30 

3.1 LED灯模块

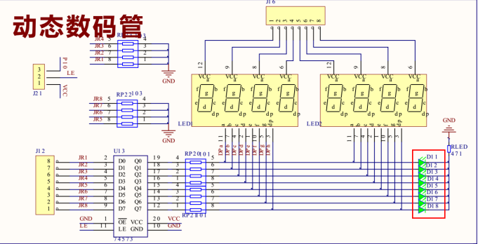
3.1.1 LED原理图

图3-1-1 LED灯原理图

LED灯模块是通过74573锁存器芯片与单片机IO口连接,并与数码管共用IO口。

在开发板上,需要使用排线将J12排针与P0口相连接。

关注
打赏
1688896170
查看更多评论

DS小龙哥

暂无认证

  • 4浏览

    0关注

    559博文

    0收益

  • 0浏览

    0点赞

    0打赏

    0留言

私信
关注
热门博文
立即登录/注册

微信扫码登录

0.5914s