您当前的位置: 首页 >  DS小龙哥 单片机

3.6 51单片机-动态数码管

DS小龙哥 发布时间:2021-11-03 19:06:57 ,浏览量:4

3.6 动态数码管

 

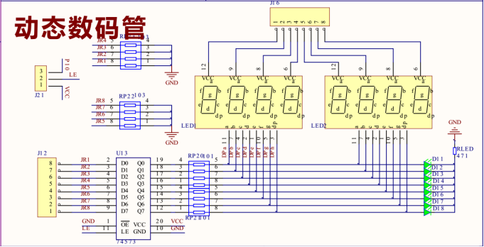
3.6.1 数码管原理图

图3-6-1 

图3-6-2

注意:使用排线连接时,排线有金属触点的一片必须朝右

关注
打赏
1688896170
查看更多评论

DS小龙哥

暂无认证

  • 4浏览

    0关注

    559博文

    0收益

  • 0浏览

    0点赞

    0打赏

    0留言

私信
关注
热门博文
立即登录/注册

微信扫码登录

0.2892s