word完整版可点击如下下载>>>>>>>>
基于语音识别的智能垃圾分类控制系统设计-硬件开发文档类资源-CSDN下载内容包括详细设计文档word版,附带开题报告和相关PPT等文档,供大家参考学习。也可在本博客主页找到更多下载资源、学习资料请访问CSDN下载频道.https://download.csdn.net/download/u013253075/35459611
目 录
摘要---------------------------------------------------------------------------------------- I
ABSTRACT------------------------------------------------------------------------------ II
1 引言----------------------------------------------------------------------------------- 1
1.1 研究背景----------------------------------------------------------------------- 1
1.1.1 国外垃圾分类现状----------------------------------------------------- 1
1.1.2 国内垃圾分类现状----------------------------------------------------- 2
1.2 研究意义----------------------------------------------------------------------- 3
1.3 研究现状----------------------------------------------------------------------- 4
1.4 研究目标及内容--------------------------------------------------------------- 6
1.4.1 研究目标---------------------------------------------------------------- 6
1.4.2 研究内容---------------------------------------------------------------- 6
2 系统硬件设计------------------------------------------------------------------------- 7
2.1 系统总体框架----------------------------------------------------------------- 7
2.2 主控制模块-------------------------------------------------------------------- 7
2.3 语音识别模块---------------------------------------------------------------- 10
2.4 舵机驱动模块---------------------------------------------------------------- 11
2.5 语音播报模块---------------------------------------------------------------- 13
2.6 电源模块--------------------------------------------------------------------- 13
2.7 状态指示电路---------------------------------------------------------------- 14
2.8 按键电路--------------------------------------------------------------------- 14
2.9 整体电路--------------------------------------------------------------------- 15
3 系统软件设计----------------------------------------------------------------------- 17
3.1 系统主程序设计------------------------------------------------------------- 17
3.2 语音识别子程序设计-------------------------------------------------------- 17
3.3 舵机子程序设计------------------------------------------------------------- 19
3.4 语音播报子程序设计-------------------------------------------------------- 20
3.5 状态指示子程序设计-------------------------------------------------------- 20
4 系统调试----------------------------------------------------------------------------- 22
4.1 软件调试--------------------------------------------------------------------- 22
4.2 硬件调试--------------------------------------------------------------------- 23
5 总结与展望-------------------------------------------------------------------------- 26
5.1 总结--------------------------------------------------------------------------- 26
5.2 展望--------------------------------------------------------------------------- 26
参考文献--------------------------------------------------------------------------------- 27
致谢-------------------------------------------------------------------------------------- 29
附录-------------------------------------------------------------------------------------- 30
随着“智慧城市”这一名词的提出,信息技术的发展,大众对生活品质的要求越来越高,城市智能化设施越来越完善。如何借助智能技术控制垃圾桶,为垃圾分类提供帮助,以此提升垃圾分类智能管理,回收更多可再利用的垃圾资源,创造经济效益,具有非常重要的研究价值。
本设计以STC89C52单片机为控制核心,采用LD3320语音识别芯片,设计了一款基于语音识别的智能垃圾分类控制系统,能够实现垃圾桶的智能化、语音化管理。将设计好的系统安装在垃圾容器上,可对语音进行采集,通过频谱分析提取语音信息中的关键词与LD3320芯片中存储的关键词进行对比,根据对比结果发出相应控制命令,进行语音播报和垃圾桶智能开关盖。该设计可以方便快捷地帮助人们识别垃圾种类,并实现远距离非接触式投放。
关键词:语音识别 智能垃圾桶 垃圾分类
With the proposal of the term smart city and the development of information technology, people have higher and higher requirements for the quality of life, and urban intelligent facilities are more and more perfect. How to control the garbage can with the help of intelligent technology to provide help for garbage classification, so as to improve the intelligent management of garbage classification, recycle more reusable garbage resources and create economic benefits, has a very important research value.
This design takes STC89C52 as the control core, uses LD3320 speech recognition chip, designs an intelligent garbage classification control system based on speech recognition, which can realize the intelligent and voice management of garbage can. The designed system is installed on the garbage container, which can collect the voice, extract the key words in the voice information through spectrum analysis, and compare with the key words stored in LD3320 chip. According to the comparison results, the corresponding control command is issued, and the voice broadcast and garbage can intelligent switch cover are carried out. The design can help people identify the types of garbage quickly and conveniently, and realize long-distance non-contact delivery.
Key words: Speech recognition Smart trash can Garbage sorting
随着世界文明的飞速发展,生活日新月异,垃圾分类问题变得尤为重要......。
(1)德国垃圾分类现状
德国从1904年实施垃圾分类到现在已有117个年头,德国作为世界上第一个实行垃圾分类的国家,并且经过近一个世纪的发展,成为了世界上最成功的垃圾分类国家。......
在德国,垃圾分类有“三桶式”或“五桶式”两种方式。“三桶式”:黑灰色垃圾桶用......
(2)日本垃圾分类现状
从上个世纪中叶开始,日本就围绕可燃垃圾与不可燃垃圾实施分类管理。随着垃圾回收再利用技术的不断发展,垃圾的分类需要更精细化复杂化,才能发挥垃圾的价值。......。
(3)美国垃圾分类现状
美国有严格的垃圾分类处罚机制,如果某人乱丢垃圾可判三级罪。根据具体情况罚款300美元至1000美元,甚至还会监禁或进行社区服务。......
黑色垃圾桶(一般垃圾):厨余、瓷器、保鲜膜、......。
蓝色垃圾桶(可回收):气雾剂瓶、纸质杂......。
绿色垃圾桶(园林垃圾):杂草树......。
1.1.2 国内垃圾分类现状近年来,垃圾分类在中国成为热点主题,上海率先实施了中国的垃圾分类立法。当前中国的垃圾分类强调在垃圾分类的法律、数量、经济性、管理和资源配置上的探索。......
我国主要采用的垃圾分类方法有:
(1)可回收物:是指没有污染性,能够回收再利用的资源。主要有:......等[5]。
(2)其他垃圾:排除了有害垃圾、可回收垃圾、厨余垃圾之外的其他日常垃圾[6]。也就是目前环卫部门重点负责清扫处理的一些生活常见垃圾。.......等。
(3)厨余垃圾:个人家庭、农贸市场、餐饮服务商家生产或生活中形成的垃圾。主要有瓜果、鸡蛋壳、残枝落叶、.......等[7]。
(4)有害垃圾:垃圾中有些有害垃圾随意丢弃会危害人的身体健康并破坏自然环境。如:电池类、........等。
1.2 研究意义2019年,我国环境监管部门提出垃圾分类策略,并在上海市开始了垃圾分类处理,之后北京、天津、杭州等各个城市都纷纷效仿,......垃圾分类的好处有以下几点:
(1)改善环境问题
在过往的垃圾处理中以垃圾集中填埋为主要方式,......。
(2)有效节约空间
将可回收和不可回收的垃圾分类,可减少垃圾总量,节约占地空间与填埋空间,这也是我们实施垃圾分类的目标之一。......。
(3)强化资源再利用
如果垃圾未在处理前从源头进行分类,.......。
随着城市化发展,城市人口增多,垃圾数量逐年增加,如果能够有效分类垃圾势必提升处理效果。目前在我国城市街道上的分类垃圾......
因此,设计一款提高垃圾处理效率.......前景。
1.3 研究现状国外对垃圾桶控制系统的设计和研究开始的较早,目.......地方。
美国Big Belly Solar公司发明了一种拥有太阳能设备控制系统智能垃圾桶。......。
目前国内多数的智能垃圾桶控制系统比较简单,功能较为单一,基本分成三类:第一类......但是不具备对垃圾处理的功能[8]。
1.4 研究目标及内容 1.4.1 研究目标设计目标:通过语音智能控制,提高人们的体验感,为垃圾分类管理提供帮助。
通过硬件设计和软件设计,实现如下四个方面功能:
(1)语音命令识别......
(2)根据语音命令打开对应的.......
(3)具有语音播报功能.......
(4)垃圾桶状态指示......
1.4.2 研究内容本设计是基于语音识别的智能垃圾分类控制系统,分为硬件装置和软件系统两部分。针对垃圾分类问题,利用STC89C52RC单片机作为系统控制核心,采用由ICRoute公司生产的非特定语音识别芯片LD3320和非特定语音识别算法对语音命令进行识别,完成远距离非接触式智能开关盖、语音播报和系统状态指示功能。
本文研究内容如下:
(1)系统硬件设计:......。
(2)系统软件设计:......。
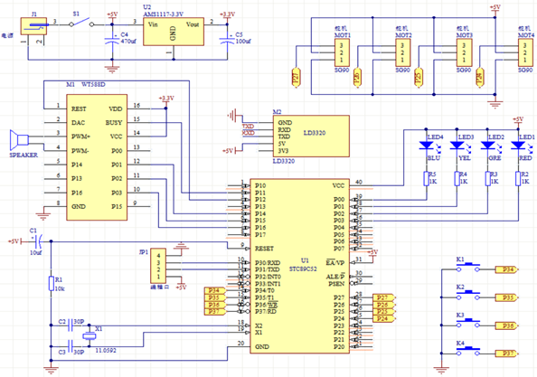
基于语音识别的智能垃圾分类控制系统设计要求实现对使用者发出的语音指令完成识别、垃圾桶自动开盖、语音播报垃圾种类、显示系统状态、垃圾桶延迟数秒后自动关盖的功能。实现以上功能能够帮助用户方便快捷地识别垃圾种类并投入到对应的垃圾桶内,垃圾桶能够实现自动开关盖可以避免用户和垃圾桶直接接触干净卫生。系统总体框图如图2-1所示。
图2-1 系统总体框图
2.2 主控制模块(1)STC89C52RC单片机
本设计以STC89C52RC单片机为控制器。STC89C52RC是由宏晶公司研制的一种电子工程工程技术人员常用的设备,内部增设了存储器,......
STC89C52RC单片机的特征:在众多单片机产品中,STC89C52RC单片机应用较广,很多设计人员都会选用该产品,它电源电压稳定,可支持2.7至6V电压,......
从结构看,该类型单片机有四个I/O口,其中......表2-1所示。
表2-1 P3口第二功能
引脚
第二功能
说明
P3.0
RXD
串行数据输入
P3.1
TXD
串行数据输出
P3.2
INT0
外部中断0输入
P3.3
INT1
外部中断1输入
P3.4
T0
定时器0外部计数输入
P3.5
T1
定时器1外部计数输入
P3.6
WR
外部RAM写选通输出
P3.7
RD
外部RAM读选通输出
(2)复位电路
为保证在单片机在无法正常工作时能够恢复到初始状态,都需要设计一个复位电路。在常用的工程电路设计中经常使用两种复位方式来,......复位电路图如图2-2所示。
图2-2 复位电路
上电复位电路是一个闭环电路,电源参数是5伏,与10uf电容连接,之后又连接了10K电阻,最后一步是接地设计,通过这几个部分构成了完整电路。.......
(3)晶振电路
晶振电路是单片机系统正常运行必不可少的电路,它.......晶振电路如图2-3所示。
图2-3 晶振电路
本设计采用的单片机工作频率为11.0592MH,为提高精准度,防止在传输信号中造成的时间差,在硬件布局时将晶振尽可能靠近单片机。
2.3 语音识别模块语音识别技术也被称之为“自动语音识别”,......LD3320语音识别模块如图2-4所示。
图2-4 LD3320语音识别模块
工作原理:LD3320基于ASR(Auto speech recognition)完成识别分析,.....
通过芯片获取识别数据,其运行方式主要是:首先,......
综上分析可看出,其最大优势则是:非特定的人工语音识别功能,......内部结构逻辑如图2-5所示。
图2-5 内部结构逻辑图
LD3320语音识别模块将GND引脚接地,连接上5V电源,......语音识别电路如图2-6所示。
图2-6 语音识别电路
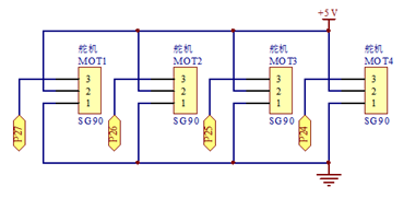
2.4 舵机驱动模块本设计使用了4台舵机用来控制垃圾桶的开合。舵机是一种位置伺服驱动器,......度的关系如图2-7所示。
图2-7 舵机输出转角与输入信号脉冲宽度的关系
舵机连接线主要有三种如图2-8所示。
图2-8 舵机接线图
本设计选用单片机的P24-P27四个引脚为舵机输入PWM信号来控制舵机旋转的角度从.......舵机驱动电路如图2-9所示。
图2-9 舵机驱动电路
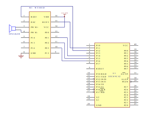
2.5 语音播报模块语音播报模块主要实现“人机交互”,即使用者说出垃圾名称,播报系统给予语音反馈,自动打开桶盖的同时告知用户垃圾对应的种类,有一定的教育意义,而不是机械地被动扔到自动打开的垃圾桶内。由于......如图2-10所示。
图2-10 语音播报电路
2.6 电源模块本设计采用的单片机所需要的电源为5V,语音芯片是3.3V。......稳压电路如图2-11所示。
图2-11 稳压电路
2.7 状态指示电路为方便观察系统的工作状态,设计了LED指示灯电路,当垃圾桶打开时指示灯点亮,......
图2-12 状态指示电路
2.8 按键电路考虑聋哑人士使用语音识别进行垃圾分类并不方便,为保证卫生,......按键电路如图2-13所示。
图2-13 按键电路
2.9 整体电路本设计以STC89C52RC单片机为主控制器,LD3320语音识别模块,......整体电路如图2-14所示。
图2-14 整体电路
系统经语音采集后由LD3320语音识别模块与数据库中关键词比对判断是否......系统主程序流程图如图3-1所示。
图3-1 系统主程序流程图
3.2 语音识别子程序设计LD3320语音识别模块的工作流程为:首先MIC输入信号转化为频谱数据,......LD3320语音识别模块流程图如图3-2所示。
图3-2 LD3320语音识别模块流程图
读取语音识别模块播报启动提示语音“欢迎使用分类垃圾桶”后,语音识别子程序流程图如图3-3所示。
图3-3 语音识别子程序流程图
二级语音指令如表3-1所示。
表3-1 二级语音指令
有害垃圾
厨余垃圾
其它垃圾
可回收物
1
纱布
1
西瓜皮
1
瓦片
1
易拉罐
2
打火机
2
马铃薯
2
陶瓷碗
2
罐头
3
创可贴
3
西红柿
3
碎花瓶
3
汤勺
4
温度计
4
茄子
4
旧浴缸
4
篮子
5
消毒剂
5
巧克力
5
旧水槽
5
旧玩具
6
注射器
6
面包
6
篮球
6
水瓶
7
荧光棒
7
蛋糕
7
海绵
7
牙膏皮
8
杀虫剂
8
草莓
8
花生壳
8
纸盒
9
水彩笔
9
骨头
9
渣土
9
玻璃壶
10
煤气罐
10
菜叶
10
扫把
10
报纸
3.3 舵机子程序设计智能垃圾桶需要开启桶盖时,通过输出一个占空比为5%的PWM脉冲信号控制舵机旋转到45度,......开盖子程序流程图如图3-4所示。
图3-4 开盖子程序流程图
智能垃圾桶需要关闭桶盖时,通过输出一个占空比为2.5%......关盖子程序流程图如图3-5所示。
图3-5 关盖子程序流程图
3.4 语音播报子程序设计STC89C52RC单片机将地址发送给WT588D模块,......语音播报子程序如图3-6所示。
图3-6 语音播报子程序流程图
3.5 状态指示子程序设计STC89C52RC单片机将地址送到指示状态模块,对应LED指示灯点亮,......序流程图如图3-7所示。
图3-7 状态指示子程序流程图
系统软件是硬件的灵魂,为系统提供最基本的功能,是负责管理计算机系统中各独立的硬件,使他们工作时相互联系传递信息将没有规则互不联系的个体连成一个整体。.......
在Keil环境中调试。Keil调试如图4-1所示。
图4-1 Keil调试
图4-2 编译错误
检查发现程序存在各种编译错误。编译时提示错误如图4-2所示。
图4-3 编译无误
经改正后程序无误,系统可按照设计目标正常运行如图4-3所示。
4.2 硬件调试(1)硬件连接
检查电路原理图设计无误后,开始按照电路原理图,选......硬件连接如图4-4所示。
图4-4 硬件连接
(2)电路检测
需要对硬件系统中的电路进行仔细检查,根据设计图纸对电路顺序,连接方式以及连接点进行测试,要查看是否有错误连接,电源是否有短路风险,......
(3)通电观察
完成前两个步骤之后,需要连接电源,观察通电后的情况,.......上电测试如图4-5所示。
图4-5 上电测试
(4)静态测试
在该测试中,先不输入信号,测试直流电压和电流情况,检测结果显示电压稳定,......
(5)动态调试
在该测试中,输入信号,观察电路输出的情况,.......
(6)功能测试
硬件电路经过静态和动态测试无误后,开始对硬件功能进行测试,......语音指令实际测试识别效果数据表如表4-1所示。最后测试按键按下后是否有响应。经测试系统能够完美地实现设计的全部目标。
表4-1 语音指令实际测试识别效果数据表
语句
成功识别的次数
环境
室内(安静环境)
室外(嘈杂环境)
非特定人1
非特定人2
非特定人3
非特定人1
非特定人2
非特定人3
垃圾桶
10
10
10
10
9
10
温度计
9
9
9
10
10
9
打火机
9
9
10
9
9
10
西瓜皮
9
10
10
10
9
10
面包
9
10
9
9
10
9
渣土
9
9
10
9
10
9
海绵
10
10
10
10
9
10
易拉罐
10
9
10
10
10
9
报纸
9
10
10
10
10
9
识别率
93.30%
95.50%
97.70%
96.60%
95.50%
94.40%
通过查阅了国内外学者的相关论文,了解了智能分类垃圾桶的构造和系统程序,参考了他们的研究设计方案,从而明确了本设计思路,.......。
本次设计的智能垃圾分类控制系统主要由语音识别模块、.....
5.2 展望当然,本次设计的语音识别垃圾分类控制系统还有很多的不足。......
四年的时间一晃而过,四年前的我,.......。
在我本科四年的学习生活中,我有许多的人想要感谢。首先就是我的论文导师.......。
本科四年的时间即将过去,......
源程序
/*****************************************************************/
#include
#include //调用单片机头文件
/*****************************************************************/
typedef signed char int8; // 有符号8位整型变量
typedef unsigned char uint8; // 无符号8位整型变量
typedef signed int int16; // 有符号16位整型变量
typedef unsigned int uint16; // 无符号16位整型变量
static uint8 bz,UART_dat[4],command;
......
小小惊喜,为方便参考,一起打包的资料如下,可在下面链接下载哦。
完整版可点击如下下载>>>>>>>>
基于语音识别的智能垃圾分类控制系统设计-硬件开发文档类资源-CSDN下载内容包括详细设计文档word版,附带开题报告和相关PPT等文档,供大家参考学习。也可在本博客主页找到更多下载资源、学习资料请访问CSDN下载频道.https://download.csdn.net/download/u013253075/35459611
本文介绍了在设计的过程的关键点,供大家参考学习,如果下载链接失效、对其他单片机硬件设计感兴趣、有不明白的或者错误的,可以添加微信biyezhan007
郑重声明,此文章提供给大家做参考模板,杜绝一切不良学术不良行为。
