超级IT网
在线工具
开发文档
小游戏
首页
PHP
JAVA
JSON
用户登录
您当前的位置:
首页
>
PMO前沿
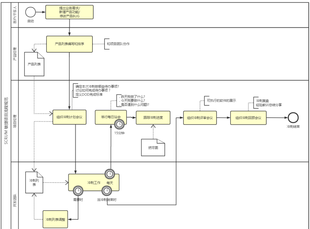
图解项目管理流程参考实例--让你做项目流程不用愁
PMO前沿
发布时间:2021-12-17 09:34:57 ,浏览量:5
关注
打赏
1688896170
提交评论
查看更多评论
PMO前沿
暂无认证
5
浏览
0
关注
448
博文
0
收益
0
浏览
0
点赞
0
打赏
0
留言
私信
关注
热门博文
提升项目经理谈话能力的十个实用技巧
如何制定有效的项目章程?【含项目章程模板】
软件产品评审工作流程和交付物实例详解
如何写一份能让领导都刮目相看的项目总结?
项目管理和PMO的核心价值是什么?如何做好需求管理?【项目管理面试秘籍1】
图解项目绩效考核指标及实例模板
项目优先级如何进行排序?方法,维度和步骤
优秀的PM是如何做好项目启动的?【管理有度11】
项目经理7大步骤轻松跟进项目,让你带项目不再那么累
PMO和项目经理如何设计全项目周期绩效激励方案
[ 申请 ]
友情链接:
传奇私服
南島屋
My命理学
快连vpn
快连vpn
搜外友链
笔趣阁
爱思助手
ClashX教程
绘画宝宝
配音宝宝
立即登录/注册
微信扫码登录