流程图是一种展示系统工作以及工作顺序的图表,它由一些图框和流程曲线组成,其中图框表示各种操作的类型,图框中的文字和符号表示操作的内容,流程线表示操作的先后顺序。日常工作中,有各种程序的事情,我们都会通过流程图来使过程更清晰、明了。
一、流程管理的目的与步骤
企业流程管理主要是对企业内部改革,改变企业职能管理机构重叠、中间层次多、流程不闭环等,使每个流程可从头至尾由一个职能机构管理,做到机构不重叠、业务不重复,达到缩短流程周期、节约运作资本的作用。
1、流程管理的目的
(1)第一种观点
· 保证业务流程面向客户
· 保证管理流程面向企业目标 (品质 技术成本 速度)
· 流程中的活动都是增值的活动
· 员工的每一个活动都是实现企业目标的一部分
· 流程持续改进,永不过时
(2)第二种观点
· 梳理——工作顺畅,信息畅通
· 显化——建立工作准则,便于查阅流程,便于了解流程,便于工作沟通,便于发现问题,便于复制流程,便于公司对流程的管理
· 优化——不断改善工作,提升工作效率
· 监控——找到监测点,监控流程绩效 (绩效管理)
· 监督——便于上级对工作的监督
2、流程管理的步骤
流程管理的原则:
· 面向企业目标原则
· 工作流程设计体现全流程观念
· 业务流程形成闭环管理
· 面向客户的原则
二、如何画流程图
1、画流程图基本要求
· 复杂流程图请分主分流程图来绘制,不要画在同一流程图中。
· 流程不能在同一页绘制,可使用连接符连接到下一页中。
· 流程图禁止死循环。
· 流程图须以单一入口,单一出口特征绘制。“开始”符号只能出现一次,但是“结束”符号可以出现多次。
· 相同流程图,符号大小应为一致。
· 流程图符号绘制顺序,应从上至下,从左到到右的顺序。
· 同一路径,指示箭头应只有一个。
· 流程图如有参考到其他流程。可引用已定义的流程,不需要重复绘制。
· 路径符号应避免相互交叉。
2、基本流程图形状
(1)此图标表示流程的开始和结束,在此图标需标志上“开始”和“结束”。
(2)用于标识分支判断(二选一)的情况,特别是成功/失败、是/否的情况,需要在分支出口线上标识出此分支表示的情况。此标志在框中,需要说明判断的内容.
(3)调用外部数据,引用外部数据
(4)存储数据,输出存储数据
(5)表示流程中涉及的文档
(6)表示手动输入处理。如手动输入用户名和密码。或者手动录入销售订单。
(7)对于公共的流程处理或版面需要,需要本页中用一个标识符号来表示一组流程的,可以通过页内引用进行标识。页内引用必须设定一串字符来标识,并在同一个页面的其它处以相同的标识进行流程的具体描述。
(8)对于公共的流程处理或版面需要,需要再其它页中用一个标识符号来表示一组流程的,可以通过离页引用进行标识。离页引用必须设定一串字符来标识,同时VISIO自动会根据字串标识自动生成一个单独的页面。
(9)预先定义的进程。使用某一预先定义的进程进行处理。如示例,应用MRP运算进行处理。
(10)处理程序
(11)流程中涉及的多文档信息
(12)手动操作
(13)黑色箭头线为正向流程。红色箭头线为逆向流程。
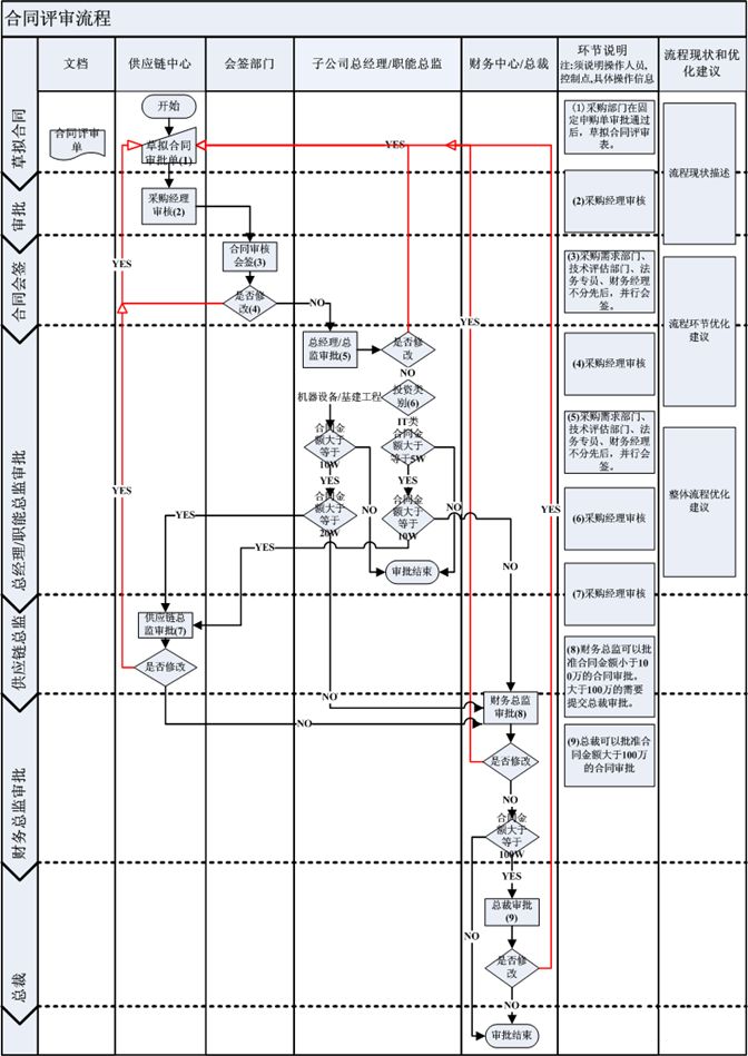
3、如何画流程图-流程图范例
流程图中包含的信息:
人员
部门
环节
流程环节的说明
主分流程
流程的现状
流程优化信息
(1)一般流程
(2)主分流程
